Operation CHARM: Car repair manuals for everyone.
Manuals through 2025 now available!

Our trusted friends have launched a new website named LEMON, which has newer manuals. It also contains all the CHARM manuals.

LEMON is the spiritual successor to CHARM, I recommend you try it!

Link: lemon-manuals.la or lemon-manuals.org.ua

(Some people have issue connecting. LEMON is investigating. For now, use Firefox or change your DNS server)

Or, hide this message: temporarily or permanently

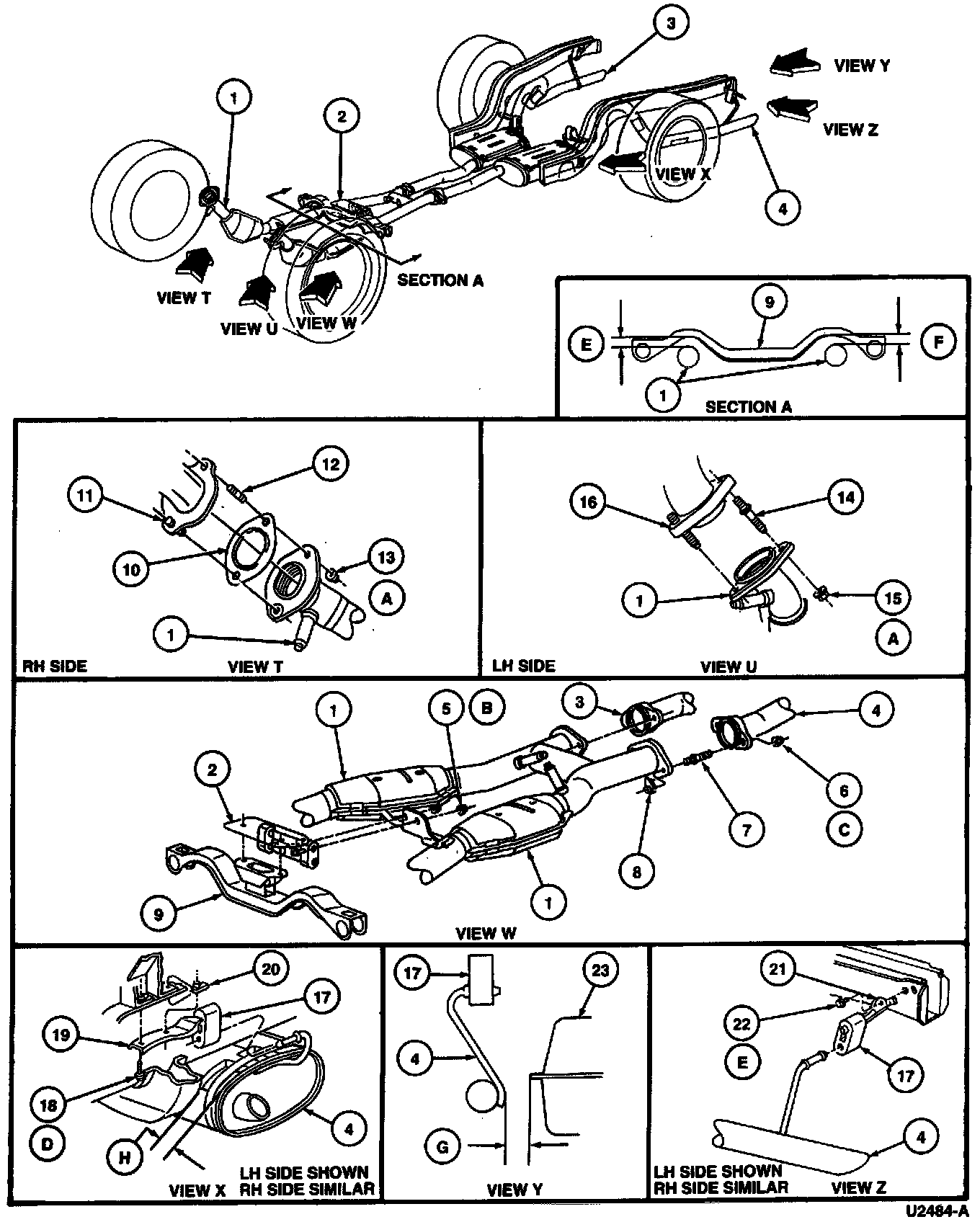
Catalytic Converter: Service and Repair

Exhaust System:




Exhaust System:





REMOVAL
1. Raise vehicle on hoist.

CAUTION: When servicing exhaust system or or removing exhaust components, disconnect all heated oxygen sensors at the wiring connectors to prevent damage to the heated oxygen sensors and wiring harness.

2. Disconnect heated oxygen sensors at wiring harness connectors.
3. Remove dual converter and pipe to exhaust manifold retaining nuts.
4. Remove muffler inlet flange to dual converter and pipe outlet flange retaining nuts.
5. Support dual converter and pipe with a suitable jackstand and remove exhaust converter frame bracket to dual converter and pipe retaining nuts.
6. Remove dual converter and pipe from vehicle.
7. Replace muffler inlet pipe gasket and any damaged parts.

INSTALLATION
1. Loosely install dual converter and pipe and support with a suitable jackstand.
2. Install dual converter and pipe onto exhaust converter frame bracket and install retaining nuts. Tighten retaining nuts to 24-31 Nm (18-22 lb ft).
3. Position dual converter and pipe to exhaust manifold studs and install retaining nuts. " Do not tighten nuts at this time".
4. Position muffler inlet flanges to dual converter and pipe outlet flanges and install retaining nuts. (Do not tighten nuts). Remove jackstand.
5. Align exhaust system to specification.
6. With exhaust system aligned:
a. Tighten dual converter and pipe-to-exhaust manifold nuts to 34-46 Nm (25-34 lb ft).
b. Tighten muffler inlet flange-to-dual converter and pipe outlet flange retaining nuts to 30-40 Nm (23-29 lb ft).
7. Connect heated oxygen sensors at wiring harness connectors.
8. Check system for leaks.
9. Lower vehicle.