Operation CHARM: Car repair manuals for everyone.
Manuals through 2025 now available!

Our trusted friends have launched a new website named LEMON, which has newer manuals. It also contains all the CHARM manuals.

LEMON is the spiritual successor to CHARM, I recommend you try it!

Link: lemon-manuals.la or lemon-manuals.org.ua

(Some people have issue connecting. LEMON is investigating. For now, use Firefox or change your DNS server)

Or, hide this message: temporarily or permanently

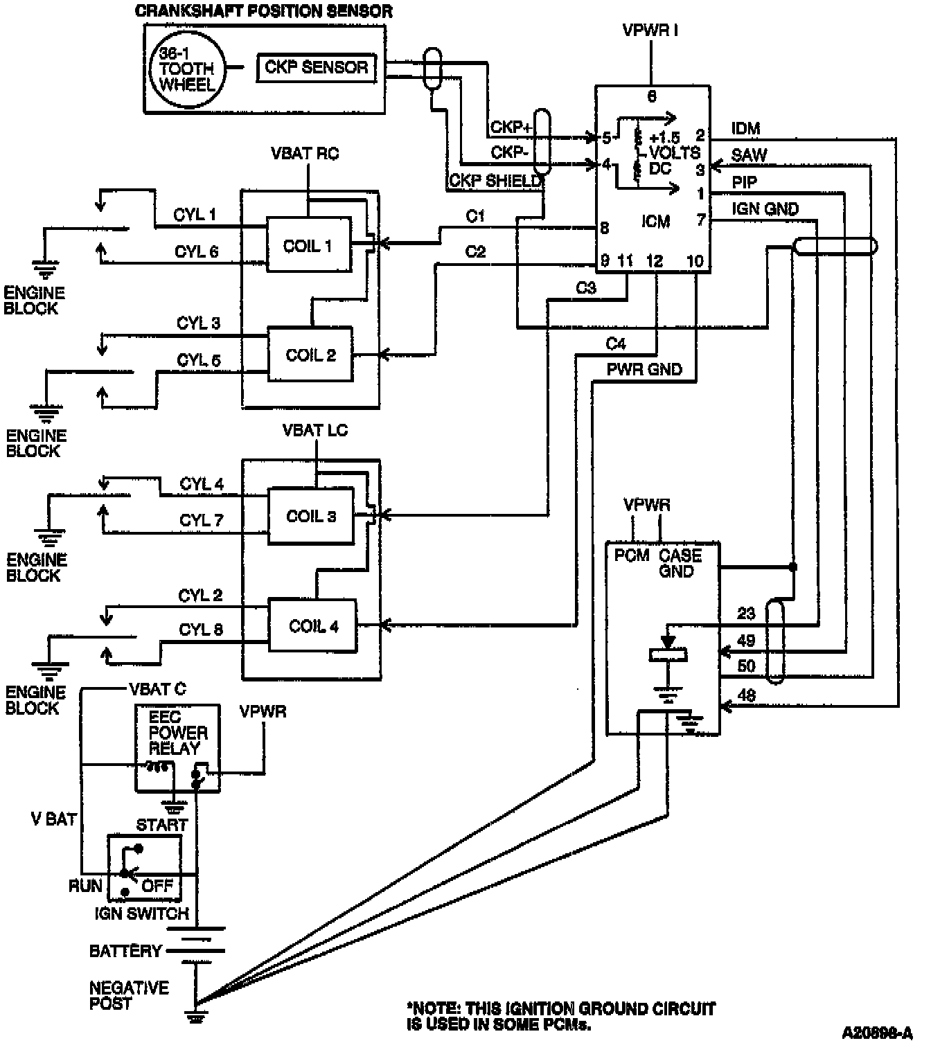
Ignition System: Description and Operation

EDIS 8:




PURPOSE
Designed to ignite the compressed air/fuel mixture supplied to the engine by the fuel and air systems. The ignition system also provides engine timing information to the Powertrain Control Module (PCM) for proper vehicle operation.

OPERATION

Computed Spark and Timing
The Crankshaft Position (CKP) Sensor provides the PCM with information on crankshaft position and speed. The CKP signal is then used by the PCM to generate a Profile Ignition Pickup (PIP) signal. Once the PIP signal is generated, fuel and spark functions are enabled.


The calculated spark target is used internally by the PCM as a pulse width modulated digital signal called the Spark Output (SPOUT). The PCM decodes the SPOUT signal and fires the next spark at the commanded spark target. The PIP signal is also used to supply a clean, inverted signal for tachometer operation.

Coil Primary
The PCM serves as an electric switch for a coil primary circuit. When the switch closes, current flows and a magnetic field expands around the primary coil. When the switch opens, the field collapses and causes the secondary coil to fire the spark plugs at high voltage.

Coil Secondary
The need for a distributor is eliminated by using multiple coil packs. Each coil within the pack fires two spark plugs at a time. The plugs are paired so that as one fires during the compression stroke, the other fires during the exhaust stroke. The next time fired, the plug that was on the exhaust will be on compression and the one on compression will be on exhaust.


Misfire Monitor
Is an on board strategy designed to monitor engine misfire and identify the specific cylinder in which the misfire has occurred. Misfire is defined as a lack of combustion in a cylinder due to absence of spark, poor fuel metering, poor compression, or any other cause.

How Misfire is Determined
The PIP signal is the main input in determining cylinder misfire. The signal is then used by the PCM to calculate crankshaft rotational velocity and acceleration. By comparing the accelerations of each cylinder event, the power loss of each cylinder is determined. When the power loss of a particular cylinder is sufficiently less than a calibrated value and other criteria is met, then the suspect cylinder is determined to have misfired.

Misfire Type A
The detection of a misfire at (200 revolutions) which would cause catalyst damage, the Malfunction Indicator Lamp (MIL) will blink once per second during the actual misfire, and a Diagnostic Trouble Code (DTC) will be stored.

Misfire Type B
The detection of a misfire at (1000 revolutions) which will exceed the emissions threshold or cause a vehicle to fail an inspection and maintenance tailpipe emissions test, the MIL will illuminate and a DTC will be stored.

CONSTRUCTION
Consists of a CKP sensor, ignition coils, desired spark angle signal from the PCM, and related wiring.