Operation CHARM: Car repair manuals for everyone.
Manuals through 2025 now available!

Our trusted friends have launched a new website named LEMON, which has newer manuals. It also contains all the CHARM manuals.

LEMON is the spiritual successor to CHARM, I recommend you try it!

Link: lemon-manuals.la or lemon-manuals.org.ua

(Some people have issue connecting. LEMON is investigating. For now, use Firefox or change your DNS server)

Or, hide this message: temporarily or permanently

Engine Controls

Engine Controls (Part 1 Of 7):





FUEL PUMP RELAY
INERTIA FUEL SHUTOFF SWITCH
JOINT CONNECTOR
PCM POWER RELAY

Engine Controls (Part 2 Of 7):





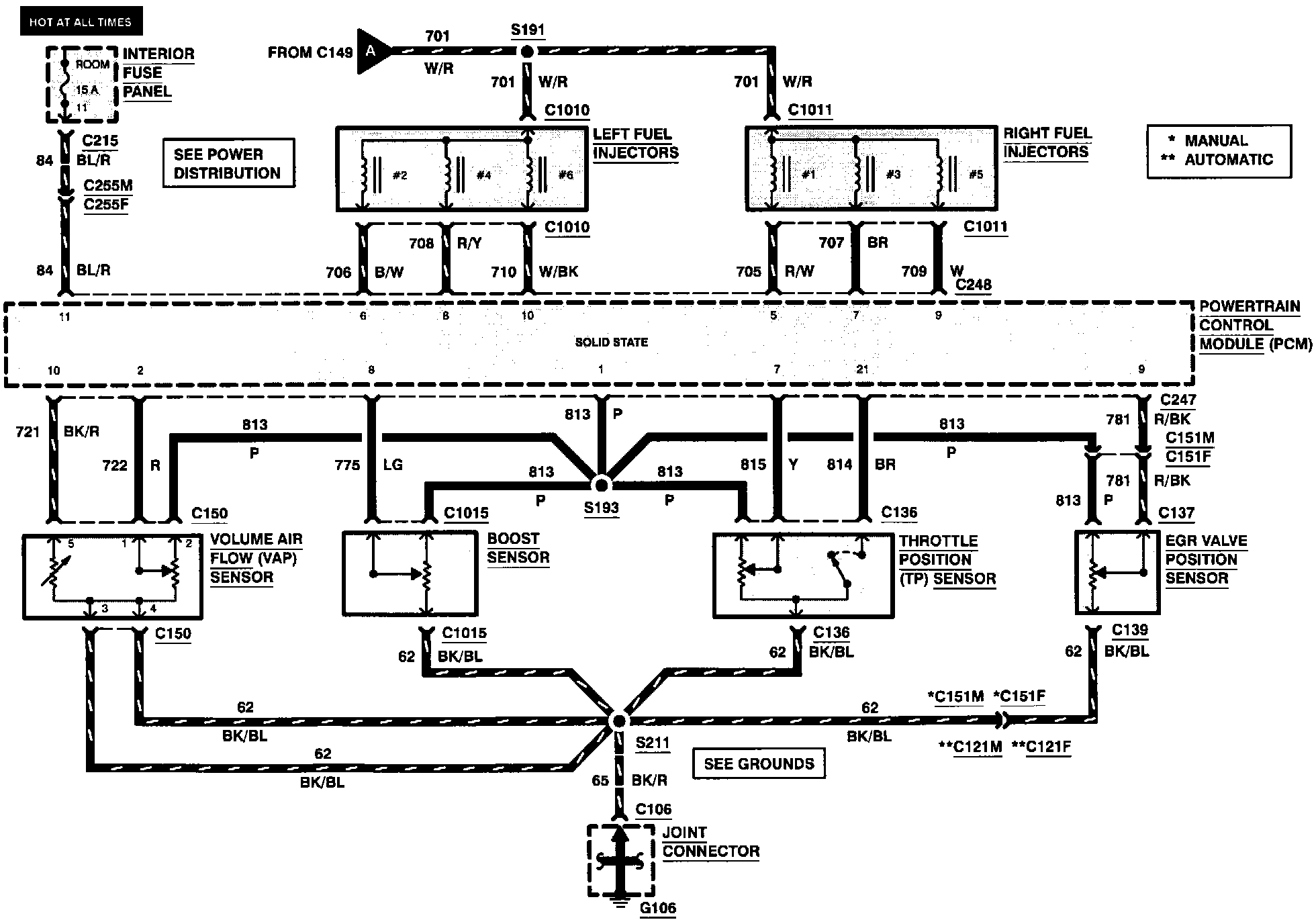
BOOST SENSOR
EGR VALVE POSITION SENSOR
LEFT FUEL INJECTORS
RIGHT FUEL INJECTORS
THROTTLE POSITION SENSOR
VOLUME AIR FLOW SENSOR

Engine Controls (Part 3 Of 7):





EGR SOLENOID VALVE (VENT)
EGR SOLENOID VALVE (VACUUM)
EVAPORATIVE EMISSION CANISTER PURGE VALVE
IDLE AIR CONTROL SOLENOID VALVE
VARIABLE RESONANCE INDUCTION SYSTEM SOLENOID VALVE #1
VARIABLE RESONANCE INDUCTION SYSTEM SOLENOID VALVE #2

Engine Controls (Part 4 Of 7):





1-2 SHIFT
2-3 SHIFT
3-4 SHIFT
4EAT TRANSAXLE
DOWNSHIFT TIMING
EGR CHECK SOLENOID
FUEL PRESSURE REGULATOR CONTROL VALVE
LINE PRESSURE
TORQUE CONVERTER ON/OFF
TORQUE CONVERTER CONTROL
TRANSAXLE FLUID TEMPERATURE SENSOR

Engine Controls (Part 5 Of 7):





CRANKSHAFT POSITION SENSOR
KNOCK SENSOR
HEATED OXYGEN SENSOR #21
HEATED OXYGEN SENSOR #12
HEATED OXYGEN SENSOR #22
HEATED OXYGEN SENSOR #11

Engine Controls (Part 6 Of 7):





MALFUNCTION INDICATOR LAMP
TRANSMISSION CONTROL INDICATOR LAMP
TURBINE SHAFT SPEED SENSOR

Engine Controls (Part 7 Of 7):





ENGINE COOLANT TEMPERATURE SENSOR