Operation CHARM: Car repair manuals for everyone.
Manuals through 2025 now available!

Our trusted friends have launched a new website named LEMON, which has newer manuals. It also contains all the CHARM manuals.

LEMON is the spiritual successor to CHARM, I recommend you try it!

Link: lemon-manuals.la or lemon-manuals.org.ua

(Some people have issue connecting. LEMON is investigating. For now, use Firefox or change your DNS server)

Or, hide this message: temporarily or permanently

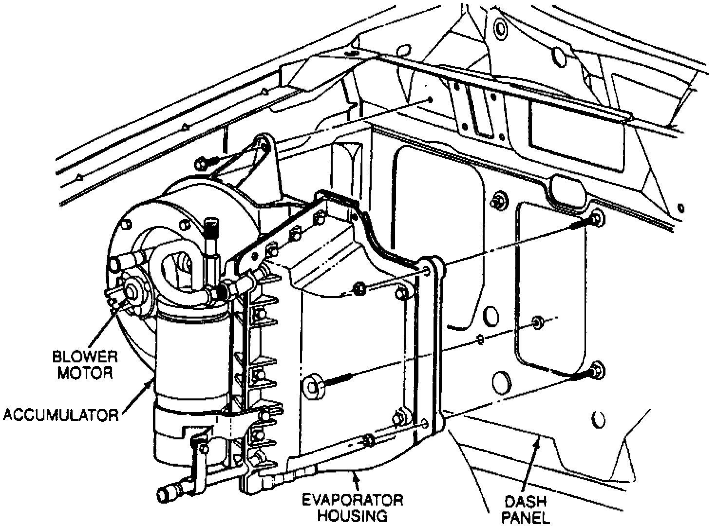
Blower Motor: Service and Repair


1. Disconnect battery ground cable.
2. In engine compartment, remove speed control servo bracket, if equipped, and move servo to a secure location.

Fig. 11 Blower Motor Replacement:





3. Disconnect A/C blower motor feed extension from blower motor and remove four screws retaining blower motor in evaporator housing, Fig. 11.
4. Remove blower motor and blower motor wheel as an assembly.
5. Reverse procedure to install.