Operation CHARM: Car repair manuals for everyone.
Manuals through 2025 now available!

Our trusted friends have launched a new website named LEMON, which has newer manuals. It also contains all the CHARM manuals.

LEMON is the spiritual successor to CHARM, I recommend you try it!

Link: lemon-manuals.la or lemon-manuals.org.ua

(Some people have issue connecting. LEMON is investigating. For now, use Firefox or change your DNS server)

Or, hide this message: temporarily or permanently

Timing Chain: Service and Repair

CAUTION:
Interference Type Engine
This is NOT a free-wheeling engine, if it has jumped time, there will be damage to the valves and pistons (6108) and will require the removal of the cylinder heads.
Valve/Piston Damage
The camshaft sprockets (6256) should only be disassembled from the camshafts when one of the components is to be replaced. At no time, when the timing chain(s) are removed and the cylinder heads (6049) are installed, may the crankshaft (6303) and camshafts (6250) be rotated. Failure to follow these directions will result in valve and/or piston damage.

REMOVAL





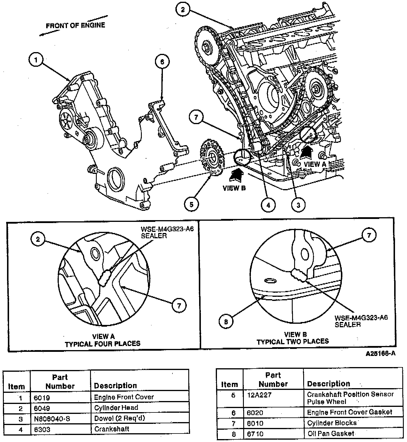
1. Remove valve covers (6582), oil pan (6675) and engine front cover (6019)
2. Remove crankshaft position sensor pulse wheel.





3. Rotate engine cylinder No. 1 to top dead center (TDC).

NOTE: Cam Positioning Tool Adapters T92P-6256-A and Cam Positioning Tool T91P-6256-A MUST be installed on camshaft to prevent camshaft from rotating.





4. Install Cam Positioning Tool Adapters and Cam Positioning Tool on flats of camshafts.





5. Remove two bolts retaining RH and LH timing chain tensioner (6L266) to cylinder head and remove timing chain tensioners.
6. Remove timing chain tensioner arms (6L253).
7. Remove two bolts retaining RH timing chain guides (6K297) to cylinder heads and remove timing chain guides.
8. Remove RH timing chain from camshaft sprocket and crankshaft sprockets (6306).
9. Remove LH timing chain from camshaft sprocket and crankshaft sprocket.
10. If necessary, remove camshaft sprockets and crankshaft sprockets

CAUTION: Do not rotate crankshaft and/or camshafts. Engine damage may occur.

11. Inspect the plastic running face on timing chain tensioner arms and timing chain guides. If worn or damaged, remove and clean oil pan and oil pump screen cover and tube (6622).
12. Inspect crankshafts and camshaft sprockets for wear or damage and replace as required.

INSTALLATION

1. If engine has jumped time, perform the following steps:
Step 1 ... Make sure that all repairs to engine components and/or valve train have been made.
Step 2 ... Rotate engine counterclockwise 45°. This will position all pistons below top of deck face.
Step 3 ... Install cylinder heads

NOTE: Cam Positioning Tool Adapters and Cam Positioning Tool MUST be installed on camshafts to prevent camshafts from rotating.

2. Install timing chain guides (both sides). Install timing chain guide retaining bolts. Tighten to 8-12 Nm (71-106 inch lbs.).
3. If removed, position camshaft sprocket spacer (6265) and sprocket on camshaft.
4. Install washer and camshaft sprocket retaining bolt. Do not tighten at this time.

NOTE: Crankshaft sprockets are identical. They may only be installed one way. Refer to the illustration for proper crankshaft sprocket installation.

Fig. 26 Crankshaft Sprocket Position:





5. If removed, install LH crankshaft sprocket with tapered part of crankshaft sprocket facing AWAY from cylinder block (6010).

Marking The Timing Chain:





NOTE: If copper links of timing chain are not visible, split both timing chains in half and mark the two opposing links as shown.

Fig. 25 Crankshaft To Camshaft Timing:





6. Install LH timing chain on camshaft sprocket. Make sure copper link of timing chain lines up with timing mark of camshaft sprocket.
7. Install LH timing chain on crankshaft sprocket. Make sure copper link of timing chain lines up with timing mark of crankshaft sprocket.
8. If removed, install RH crankshaft sprocket with tapered part of crankshaft sprocket facing TOWARD cylinder block (6010).
9. Install RH timing chain on camshaft sprocket. Make sure copper link of timing chain lines up with timing mark of camshaft sprocket.
10. Install RH timing chain on crankshaft sprocket. Make sure copper link of timing chain lines up with timing mark of crankshaft sprocket.
11. Compress and lock RH and LH timing chain tensioners.
12. Install and secure with two bolts on each. Tighten bolts to 20-30 Nm (15-22 ft. lbs.).





13. Install Crankshaft Holding Tool T93P-6303-A over crankshaft and engine front cover alignment dowel, to position crankshaft.
14. Lubricate timing chain tensioner arm contact surfaces with clean engine oil and install RH and LH timing chain tensioner arms on their dowels.





15. With a suitable C-clamp around the timing chain tensioner arm and timing chain guide, remove all slack from timing chain. Use caution not to bend the timing chain guide.
16. Remove lock pins from timing chain tensioners and make sure all timing marks are aligned.
17. Using Cam Positioning Tool Adapters and Cam Positioning Tool, align camshaft, tighten camshaft sprocket bolt to 110-130 Nm (81-95 ft. lbs.).

NOTE: If not at maximum lift, loosen camshaft sprocket bolt and repeat Steps 12-15.

18. Install Dial Indicator with Bracketry Tool-4201-C or equivalent in cylinder No.1 spark plug hole. Check that camshaft is at maximum lift for the intake valve (6507) at 114° after top dead center (TDC).
19. Remove Cam Positioning Tool Adapters and Cam Positioning Tool and Crankshaft Holding Tool T93P-6303-A.
20. Install engine front cover, oil pan and valve covers
21. Start engine and check for leaks and proper operation.