Operation CHARM: Car repair manuals for everyone.
Manuals through 2025 now available!

Our trusted friends have launched a new website named LEMON, which has newer manuals. It also contains all the CHARM manuals.

LEMON is the spiritual successor to CHARM, I recommend you try it!

Link: lemon-manuals.la or lemon-manuals.org.ua

(Some people have issue connecting. LEMON is investigating. For now, use Firefox or change your DNS server)

Or, hide this message: temporarily or permanently

Assembly

Part 1 Of 2:




Part 2 Of 2:






NOTE:
Silicone Sealer Usage
During engine assembly, a sealer will be applied to many components before installation. When the sealant is applied, the component should be installed within 15 minutes. After this time the sealant begins to set-up and its sealing effectiveness can be reduced.
Fastener Lubrication
Lightly oil all retaining bolt and stud bolt threads before installation except those specifying special sealant with clean engine oil meeting Ford specification WSS-M2C153-F.
Block Plug Sealant
Before installation, coat plug threads with Pipe Sealant with Teflon(R) D8AZ- 19554-A or equivalent meeting Ford specification WSK-M2G350-A2.

1. If removed, install oil gallery and cooling jacket plugs. To provide clearance for camshaft sprocket, oil gallery plugs on front of engine must be threaded below machined surface. Tighten plugs to specification.

Crankshaft Install

NOTE: The third bearing from front is the crankshaft thrust main bearing (6337).

2. Install crankshaft main bearings in cylinder block.
3. Lubricate crankshaft main bearings with Engine Assembly Lubricant D9AZ-19579-D or equivalent meeting Ford specification ESR-M99C80-A, or heavy engine oil, and carefully lower crankshaft into place. Use care to prevent damage to crankshaft main bearing surfaces.

NOTE: Clean sealing surfaces with Metal Surface Cleaner F4AZ-19A536-RA or equivalent meeting Ford specification WSE-M5B392-A, to remove all residues that may interfere with the sealers ability to adhere.

4. Apply a 3 mm (0.125 inch) bead of Silicone Rubber,D6AZ-19562-AA or BA or equivalent meeting Ford specifications ESB-M4G92-A and ESE-M4G195-A to cylinder block rear main bearing cap parting line.

NOTE: Caps are numbered with triangles. Number one is located at front of engine with triangle facing front of engine.

5. Install crankshaft main bearings in main bearing caps and install caps.
6. Install main bearing cap retaining bolts.

NOTE: Do not jam pry bar into place. Tap into position only enough to hold crankshaft forward while main bearing cap bolts are tightened.

7. Wedge a large pry bar between cylinder block web and crankshaft cheek located in front of No. 3 crankshaft main bearing.
8. Tighten main bearing cap retaining bolts in two steps:
Step 1 ... Tighten to 50 Nm (37 ft. lbs.).
Step 2 ... Rotate an additional 115-125°.
9. Check crankshaft end play.

Piston Install





10. Install connecting rod bearings in connecting rods and connecting rod caps.

NOTE:
 Lubricate piston and cylinder walls with Engine Assembly Lubricant, or engine oil before installation.
 Scratching of crankshaft journal can be prevented by using connecting rod guide tools on connecting rod.
 The stamped arrow in piston dome must face front of engine.

11. Install pistons and upper connecting rod bearings using Piston Ring Compressor D81L-6002-C.
12. Install connecting rod caps, lower connecting rod bearings and retaining bolts. Tighten bolts in three steps:
Step 1 ... Tighten to 20-25 Nm (15-18 ft. lbs.).
Step 2 ... Tighten to 40-45 Nm (30-33 ft. lbs.).
Step 3 ... Rotate an additional 90-120°.
13. Check connecting rod side clearance.

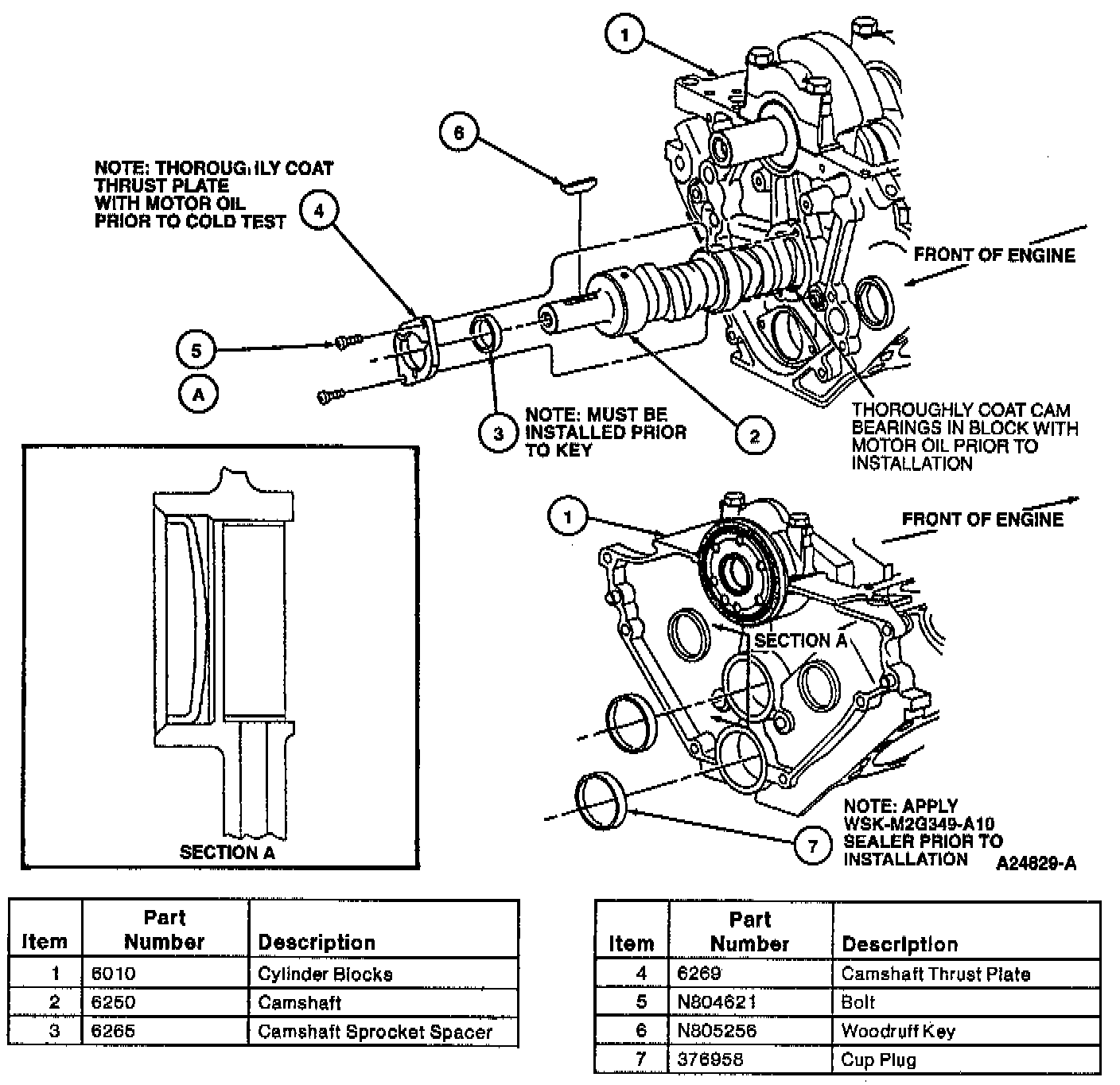
Camshaft Install





14. Coat sealing edge of camshaft rear bearing cover with Perfect-Seal Sealing Compound B5A-19554-A or equivalent meeting Ford specifications ESR-M18P2-A and ESE-M4G115-A before installation.
15. Install camshaft rear bearing cover using a suitable driver.
16. Coat camshaft lobes and camshaft bearings (6261) with Engine Assembly Lubricant and install camshaft.
17. Install spacer and camshaft thrust plate.

Timing Chain Install





18. Lubricate timing chain with clean engine oil meeting Ford specification WSS-M2C153-F.
19. Rotate crankshaft as necessary to position crankshaft keyway in 12 o'clock position.
20. Install timing chain vibration damper (retracted position). Tighten retaining bolts to 8-14 Nm (71-123 inch lbs.).
21. Install camshaft sprocket, crankshaft sprocket and timing chain.

Fig. 8 Timing Chain Alignment:





22. Make sure crankshaft keyway, camshaft sprocket timing mark and crankshaft sprocket timing mark are properly aligned after installation.
23. Install distributor drive gear.
24. Install camshaft sprocket retainer bolt and washer and tighten to 40-50 Nm (29-36 ft. lbs.).
25. Remove timing chain vibration damper retaining pin.

Water Pump/Front Cover Install





26. If water pump was removed from engine front cover during engine disassembly, position a new water pump housing gasket (8507) on engine front cover and install water pump.
- Tighten water pump retaining bolts to 20-30 Nm (15-22 ft. lbs.).
- Tighten water pump retaining nuts to 8-12 Nm (71-106 inch lbs.).
27. Position a new engine front cover gasket on engine. Install engine front cover.
- Tighten attaching bolts to 20-30 Nm (15-22 ft. lbs.).

Oil Pump/Oil Pan Install

28. Install oil pump screen cover and tube using a new oil pump inlet tube gasket.
- Tighten retaining bolts to 20-30 Nm (15-22 ft. lbs.).
- Tighten support bracket retaining nut to 40-55 Nm (30-40 ft. lbs.).
29. Clean oil pan and cylinder block sealing surfaces with Metal Surface Cleaner to remove all residues that may interfere with the sealers ability to adhere.
30. Using a small-blade screwdriver, remove any sealer which may have been squeezed into seal groove when rear main bearing cap was installed.
31. Place a 6.35 mm (0.25 inch) bead of Silicone Rubber into seal groove where main bearing cap meets cylinder block.
32. Apply a 3 mm (0.125 inch) bead of Silicone Rubber to seams where engine front cover mates with cylinder block and to each end of oil pan end seal.
33. Apply silicone rubber in a zig-zag pattern on cylinder block.
34. Install oil pan. Tighten retaining bolts in two steps.
Step 1 ... Tighten to 4-5 Nm (36-44 inch lbs.).
Step 2 ... Tighten to 9-12 Nm (80-106 ft. lbs.).
35. Lubricate oil bypass filter gasket with Engine Assembly Lubricant. Thread oil bypass filter onto adapter until gasket contacts cylinder block and then advance oil bypass filter an additional one-half turn.

Cylinder Head Install

NOTE: RH and LH head gasket are not interchangeable.

36. Install new head gaskets using cylinder head to block dowels (6A008) to align head gasket.
37. Install cylinder heads. Follow proper procedure.

Valve Train Install

38. Lubricate valve tappets with Engine Assembly Lubricant and install.
39. Install six valve tappet guide plates (6K512) and two tappet guide plates and retainers. Tighten tappet guide plate and retainer retaining bolts to 10-14 Nm (89-123 inch lbs.).

NOTE: Lubricate push rod ends and rocker arm seats with Engine Assembly Lubricant before installation.

40. Install push rods, rocker arms and rocker arm seats. Install, but do not tighten, retaining bolts.
41. For each valve, rotate crankshaft (6303) until valve tappet rests onto heel (base circle) of camshaft lobe. Position rocker arms over push rods. Tighten rocker arms in four steps.
Step 1 ... Set tappet on camshaft base circle.
Step 2 ... Tighten to 5 Nm (44 inch lbs.) maximum.
Step 3 ... Repeat Step 1 & 2 for remaining Rocker arms.

NOTE: For final tightening, the camshaft (6250) may be in any position.

Step 4 ... Final tighten all rocker arms to 30-40 Nm (23-29 ft. lbs.).

Manifold Install

42. Install spark plugs. Tighten to 10 Nm (89 inch lbs.).
43. Using solvent, clean valve cover and cylinder head sealing surfaces to remove all gasket material and dirt.
44. Install valve covers as follows:
Step 1 ... Install a new valve cover gasket (6584) onto cylinder head.
Step 2 ... Install valve cover and retaining bolts. Note location of stud/bolts.
Step 3 ... Tighten retaining bolts to 8-12 Nm (71-106 inch lbs.).
45. Install camshaft position sensor, housing and hold-down clamp.
46. Install crankshaft pulley and vibration damper using Damper/Front Cover Seal Replacer T82L-6316-A and Front Cover Seal Replacer T70P-6B070-B. Tighten retaining bolt to 140-180 Nm (104-132 ft. lbs.).
47. Install lower intake manifold.
48. Install fuel injectors and fuel injection supply manifold. Tighten retaining bolts for fuel injection supply manifold bracket to 8-11 Nm (71-97 inch lbs.).
49. Connect the front evaporative emissions tube and install the following positive crankcase ventilation system components:
- Front and rear crankcase ventilation tube.
 Positive crankcase ventilation valve.

NOTE: Apply a light coat of Pipe Sealant with Teflon(R) D8AZ-19554-A or equivalent meeting Ford specification WSK-M2G350-A2 and ESR-M18P7-A to retaining bolts and stud bolt threads prior to installation.

50. Install upper intake manifold. Follow proper procedure.
51. Install EGR valve. Tighten bolts to 20-30 Nm (15-22 ft. lbs.).
52. Connect ignition wires to spark plugs.
53. Inspect heater water outlet tube O-ring (replace as necessary) and install heater water outlet tube. Install and tighten retaining bolts to 8-12 Nm (71-106 inch lbs.).
54. Install water bypass tube to intake manifold. Tighten hose clamp securely.
55. Install exhaust manifolds. Note location of oil level indicator tube support bracket. Tighten exhaust manifold retaining bolts to 30-36 Nm (23-26 ft. lbs.).

NOTE: Apply a thin coat of Pipe Sealant with Teflon(R) D8AZ-19554-A or equivalent meeting Ford specification WSK-M2G350-A2 and ESR-M 18P7-A to flywheel retaining bolt threads before installation.

56. Install rear engine plate and flywheel.
57. Tighten flywheel retaining bolts to 73-87 Nm (54-64 ft. lbs.) in a standard cross-tightening sequence.