Operation CHARM: Car repair manuals for everyone.
Manuals through 2025 now available!

Our trusted friends have launched a new website named LEMON, which has newer manuals. It also contains all the CHARM manuals.

LEMON is the spiritual successor to CHARM, I recommend you try it!

Link: lemon-manuals.la or lemon-manuals.org.ua

(Some people have issue connecting. LEMON is investigating. For now, use Firefox or change your DNS server)

Or, hide this message: temporarily or permanently

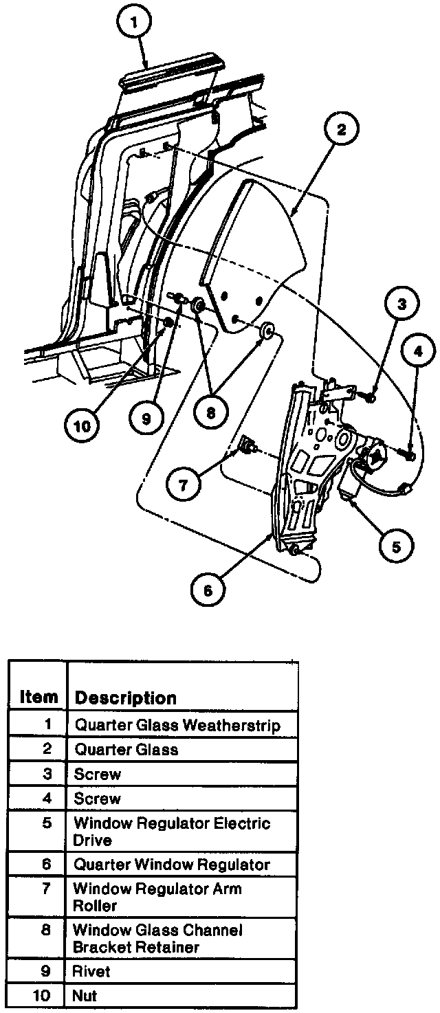
Quarter






REMOVAL
1. Remove quarter trim panel. Remove inner and outer belt weatherstrip.
2. Remove radio speaker bracket.
3. Remove watershield.
4. Lower quarter window glass.
5. Disconnect electrical connector to window regulator electric drive.
6. Remove two screws and one nut retaining window regulator electric drive to quarter window regulator and remove window regulator electric drive from vehicle.

INSTALLATION
1. Follow removal procedure in reverse order.
2. Adjust quarter window glass. Refer to Adjustments. Quarter Window
Tighten screws and nut to 8-10 N.m (71-88 Lb-In).