Operation CHARM: Car repair manuals for everyone.
Manuals through 2025 now available!

Our trusted friends have launched a new website named LEMON, which has newer manuals. It also contains all the CHARM manuals.

LEMON is the spiritual successor to CHARM, I recommend you try it!

Link: lemon-manuals.la or lemon-manuals.org.ua

(Some people have issue connecting. LEMON is investigating. For now, use Firefox or change your DNS server)

Or, hide this message: temporarily or permanently

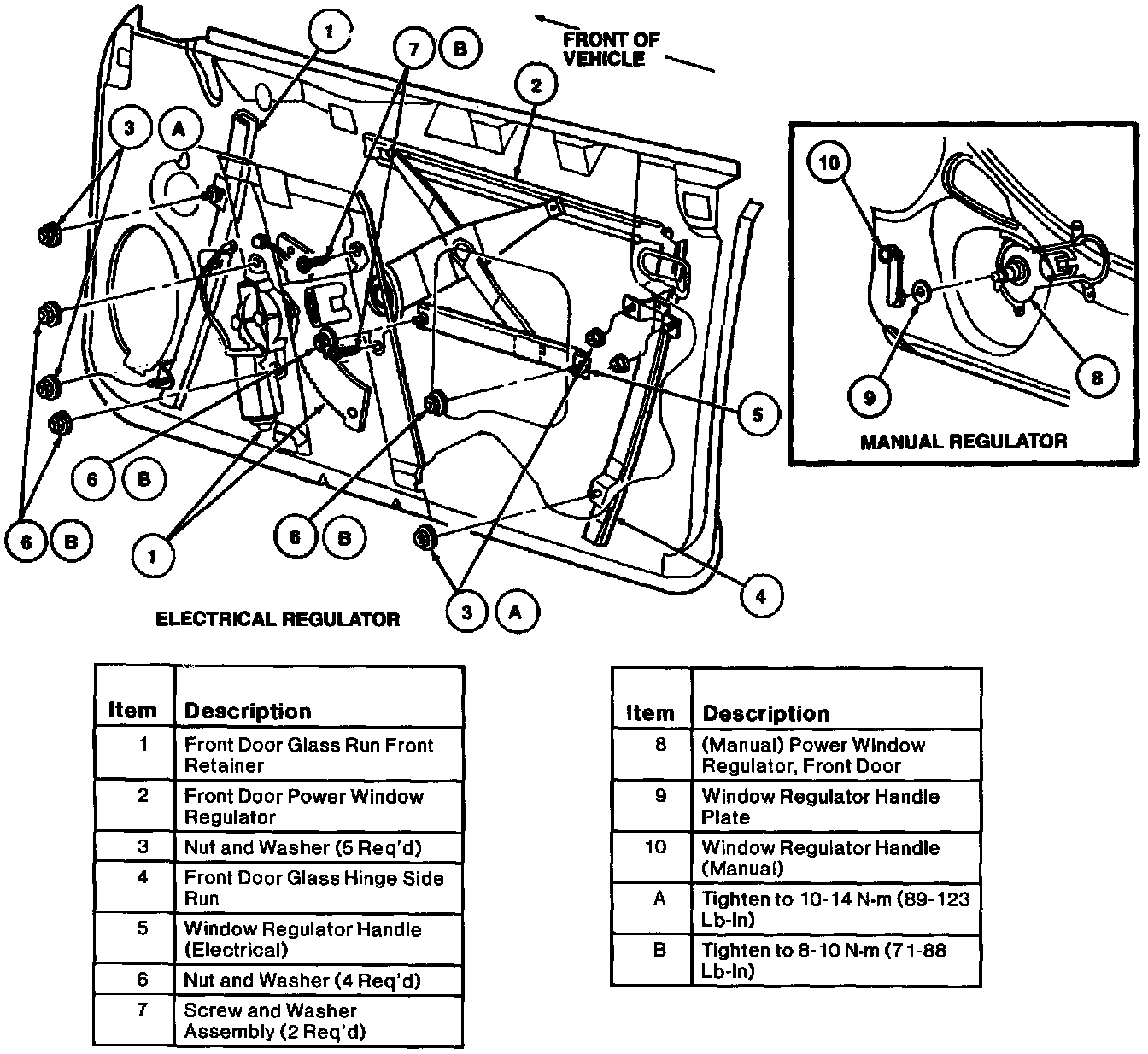
Removal and Installation






REMOVAL
1. Remove the front door trim panel finish panel and watershield.

NOTE: This procedure also applies to front door glass hinge side run.

2. With the front door window glass in the full-up position, remove the glass run from the front door glass run front retainer.
3. Remove the nuts and washers attaching the front door glass run front retainer to the inner door panel.
4. Remove radio speaker to gain access to front door glass run front retainer.
5. Disengage the front door glass run front retainer from the lower leg of the door frame and remove the retainer. Use care during retainer removal to prevent pinching the front door glass hinge side run.

INSTALLATION
1. Follow removal procedure in reverse order.
2. Tighten nuts to 10-14 N.m (89-123 Lb-In).