Operation CHARM: Car repair manuals for everyone.
Manuals through 2025 now available!

Our trusted friends have launched a new website named LEMON, which has newer manuals. It also contains all the CHARM manuals.

LEMON is the spiritual successor to CHARM, I recommend you try it!

Link: lemon-manuals.la or lemon-manuals.org.ua

(Some people have issue connecting. LEMON is investigating. For now, use Firefox or change your DNS server)

Or, hide this message: temporarily or permanently

Rear

Rear Brake Caliper (Part 1 Of 2):




Rear Brake Caliper (Part 2 Of 2):






ROTOR REMOVAL
NOTE: Refer to Service Precautions regarding Rotor Handling and Wheel and Tires. Vehicle Damage Warnings

1. Raise and support vehicle.
2. Remove wheel and tire assembly.
3. Do not disconnect rear wheel brake hose from rear disc brake caliper.

NOTE: To prevent damage, do not allow rear disc brake caliper to hang by rear brake hose.

4. Remove rear disc brake caliper from rear disc brake rotor.
5. Remove inner and outer rear brake shoe and lining from rear disc support bracket
6. ^ On sedan remove the upper and lower rear disc support bracket to-rear disc brake adapter retaining bolts and discard. Remove rear disc support bracket.
^ On station wagon, remove upper and lower rear disc support bracket-to-rear wheel spindle retaining bolts and discard. Remove rear disc support bracket.
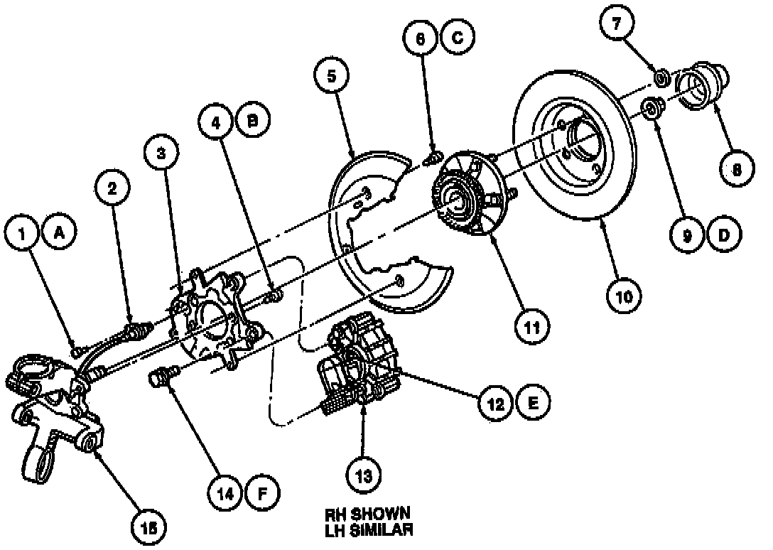
7. Mark rotor and one wheel stud with touch-up paint to ensure proper re-alignment.
8. Remove and discard two push nuts retaining rear disc brake rotor to wheel hub. Remove rear disc brake rotor from wheel hub.


Rear Disc Brake Components (Part 1 Of 2):









WHEEL BEARING & HUB ASSEMBLY REMOVAL
- Remove rear hub cap grease seal from bearing and wheel hub and discard rear hub cap grease seal.
- Remove rear axle wheel hub retainer and discard.
- Remove wheel hub from rear wheel spindle.

ROTOR SHIELD REMOVAL & INSTALLATION
- Remove three bolts and rear wheel disc brake shield.
- Install rear wheel disc brake shield and three bolts. Tighten bolts to 9-12 Nm (80-106 inch lbs.).

WHEEL BEARING & HUB ASSEMBLY INSTALLATION
- Position wheel hub on rear wheel spindle.
- Install new rear axle wheel hub retainer. Tighten to 255-345 Nm (188-254 ft.lbs).
- Install new rear axle wheel hub cap grease seal.


ROTOR INSTALLATION

NOTE: Lubrication of hub pilot diameter with Silicone Brake Caliper Grease and Dielectric Compound will ease future removal.

1. Install rear disc brake rotor on wheel hub. Install two new retaining nuts securely. Do not position next to each other.
2. Clean all foreign material and locking compound residue from retaining bolts and mating surfaces of rear disc support bracket.
3. Install Support Bracket:
^ On sedan, position rear disc support bracket on rear disc brake adapter or rear disc brake adapter. Using a new bolt (N807146-S101), attach rear disc support bracket to right rear disc brake adapter. Tighten to 87-119 Nm (65-87 ft. lbs.).
^ On station wagon, position rear disc support bracket on rear wheel spindle. Using a new bolt attach rear disc support bracket to rear wheel spindle. Tighten to 87-119 Nm (65-87 ft. lbs.).





4. Using Rear Caliper Piston Adjuster rotate rear disc brake piston and adjuster clockwise until it is fully seated.

NOTE: Make sure that one of the two slots in rear disc brake piston and adjuster face is positioned so it will engage nib on rear brake shoe and lining.

5. Install inner and outer rear brake shoes and linings in rear disc support bracket.
6. Install rear disc brake caliper assembly over rear disc brake rotor into position on rear disc support bracket. Make sure rear brake shoe and lining assemblies are installed correctly.
7. Remove residue from the rear brake pin retainer threads and apply one drop of Threadlock and Sealer to threads. Install and tighten rear brake pin retainers to 31-35 Nm (23-25 ft. lbs.).

CAUTION: Failure to tighten lug nuts in a star pattern may result in high rotor runout, which will speed up the development of brake roughness, shudder and vibration.

8. Install wheel and tire assembly on vehicle. Tighten lug nuts to 115-142 Nm (85-104 ft. lbs.) using Accutorq(r) Lug Nut Socket or equivalent, on a 1/2 inch air impact wrench or use a torque wrench.
9. Lower vehicle.
10. Pump the service brake pedal to obtain a firm brake pedal before moving the vehicle.