Operation CHARM: Car repair manuals for everyone.
Manuals through 2025 now available!

Our trusted friends have launched a new website named LEMON, which has newer manuals. It also contains all the CHARM manuals.

LEMON is the spiritual successor to CHARM, I recommend you try it!

Link: lemon-manuals.la or lemon-manuals.org.ua

(Some people have issue connecting. LEMON is investigating. For now, use Firefox or change your DNS server)

Or, hide this message: temporarily or permanently

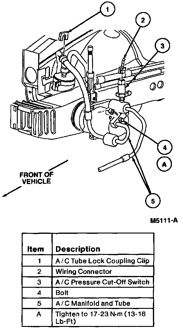
Compressor Fitting HVAC: Service and Repair





REMOVAL
1. Discharge A/C system. Refer to System Discharging and Recovery. Discharging and Recovery
2. Disconnect A/C manifold and tube from suction accumulator/drier using Spring Lock Coupling Disconnect Tool (3/4 inch) T85L-19623-A. Cap suction accumulator/drier to prevent entrance of dirt and moisture.
3. Loosen A/C manifold retaining bolt and remove A/C manifold and tube from the A/C compressor.
4. Remove electrical connector from A/C pressure cut-off switch.
5. Raise vehicle on hoist.





6. Remove lower radiator air deflector.





8. Disconnect A/C manifold and tube from A/C condenser core inlet tube. Plug the lines to prevent dirt and excessive moisture from entering.
9. Lower vehicle.
10. Remove the A/C manifold and tube from vehicle.
11. Remove A/C pressure cut-off switch from A/C manifold and tube.

INSTALLATION
1. Install A/C pressure cut-off switch to A/C manifold and tube.
2. With protective caps installed, position the A/C manifold and tube in vehicle.
3. Raise vehicle.




4. Connect A/C manifold and tube to A/C condenser core inlet tube using new O-ring seals lubricated with clean Motorcraft YN-12b refrigerant oil or equivalent meeting Ford specification WSH-M1C231-B. Refer to Peanut Fitting illustration.
5. Install lower radiator air deflector. Tighten three splash shield-to-radiator screws to 7-11 N.m (62-97 lb-in) and remaining 11 screws to 2-3 N.m (18-26 lb-in).
6. Lower vehicle to floor.
7. Connect A/C manifold and tube to suction accumulator/drier using new O-ring seals lubricated with clean Motorcraft YN-12b refrigerant oil or equivalent meeting Ford specification WSH-M1C231-B.
8. Install A/C pressure cut-off switch electrical connector.
9. Lubricate new O-ring seals with clean refrigerant oil and position them in O-ring seal grooves of A/C manifold and tube.
10. Apply Pipe Sealant with Teflon(R)- D8AZ-19554-A or equivalent meeting Ford specifications WSK-M2G350-AZ and ESR-M18P7-A to threads of manifold retaining bolt.
11. Position A/C manifold and tube with O-ring seals to A/C compressor. Install retaining bolt and tighten to 17-23 N.m (13-16 lb-ft).
12. Leak-test, evacuate and charge system following recommended procedures. Observe all safety precautions.