Operation CHARM: Car repair manuals for everyone.
Manuals through 2025 now available!

Our trusted friends have launched a new website named LEMON, which has newer manuals. It also contains all the CHARM manuals.

LEMON is the spiritual successor to CHARM, I recommend you try it!

Link: lemon-manuals.la or lemon-manuals.org.ua

(Some people have issue connecting. LEMON is investigating. For now, use Firefox or change your DNS server)

Or, hide this message: temporarily or permanently

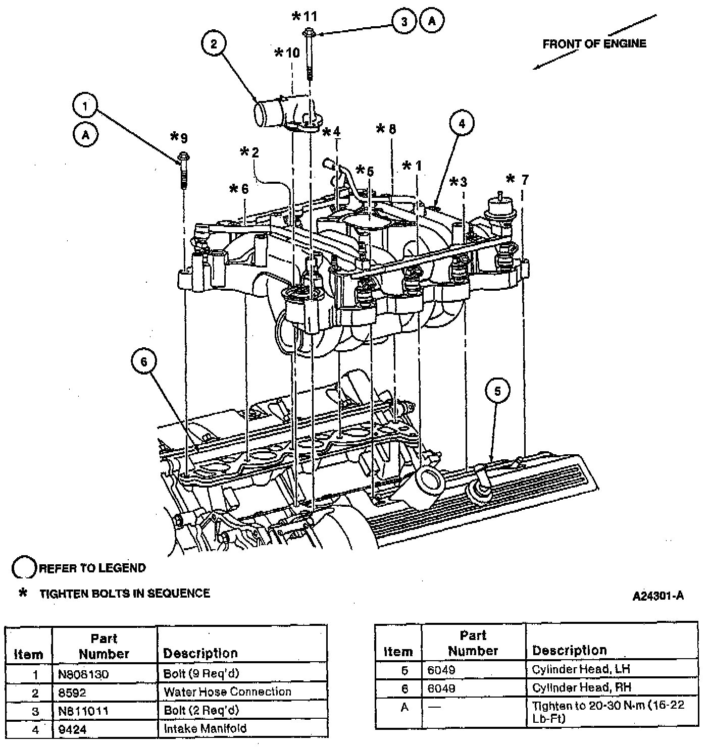
Intake Manifold





Intake Manifold
Retaining Bolts: 20-30 Nm 15-22 ft. lbs.)


Throttle Body
Install throttle body, new throttle body gasket and four bolts to the intake manifold adapter. Tighten retaining bolts to 8-12 Nm (71-106 lb in).