Operation CHARM: Car repair manuals for everyone.
Manuals through 2025 now available!

Our trusted friends have launched a new website named LEMON, which has newer manuals. It also contains all the CHARM manuals.

LEMON is the spiritual successor to CHARM, I recommend you try it!

Link: lemon-manuals.la or lemon-manuals.org.ua

(Some people have issue connecting. LEMON is investigating. For now, use Firefox or change your DNS server)

Or, hide this message: temporarily or permanently

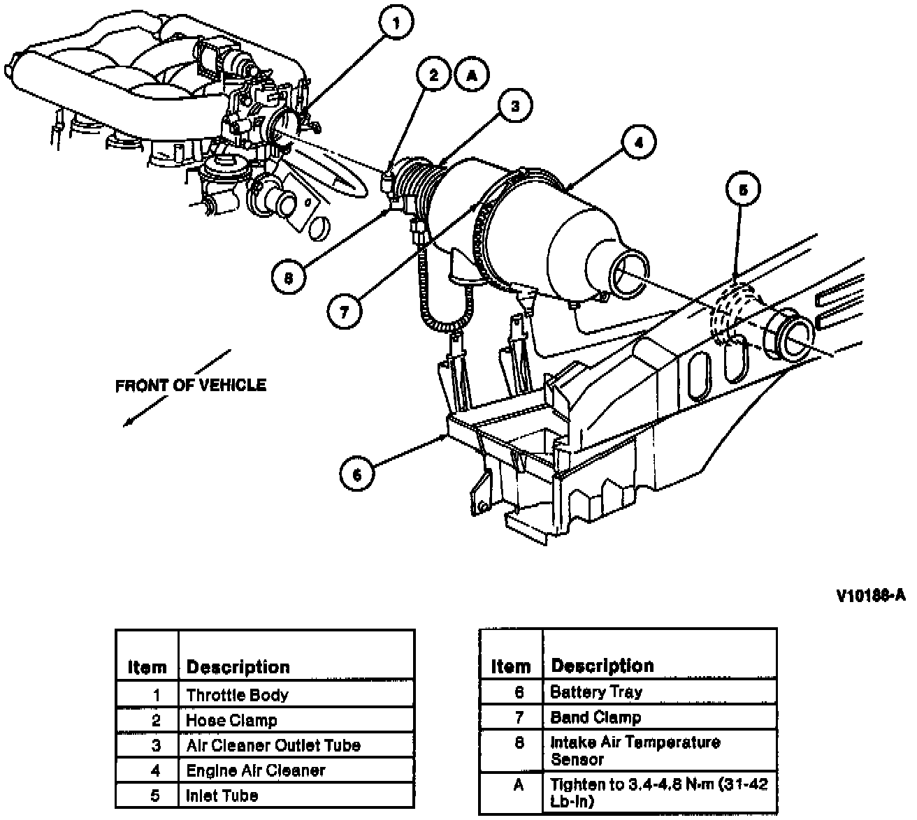
Air Temperature Sensor ( Ambient / Intake ): Service and Repair






REMOVAL AND INSTALLATION
1. Disconnect battery ground cable.

NOTE: When the battery has been disconnected or reconnected, some abnormal drive symptoms may occur while the Powertrain Control Module (PCM) relearns its fuel trim. The vehicle may need to be driven 16 km (10 miles) or more to relearn the fuel trim.

2. Disconnect engine control sensor wiring from Intake Air Temperature (IAT) sensor.
3. Turn IAT sensor and pull to remove from engine air cleaner body.
4. To install, reverse Removal procedure.