Operation CHARM: Car repair manuals for everyone.
Manuals through 2025 now available!

Our trusted friends have launched a new website named LEMON, which has newer manuals. It also contains all the CHARM manuals.

LEMON is the spiritual successor to CHARM, I recommend you try it!

Link: lemon-manuals.la or lemon-manuals.org.ua

(Some people have issue connecting. LEMON is investigating. For now, use Firefox or change your DNS server)

Or, hide this message: temporarily or permanently

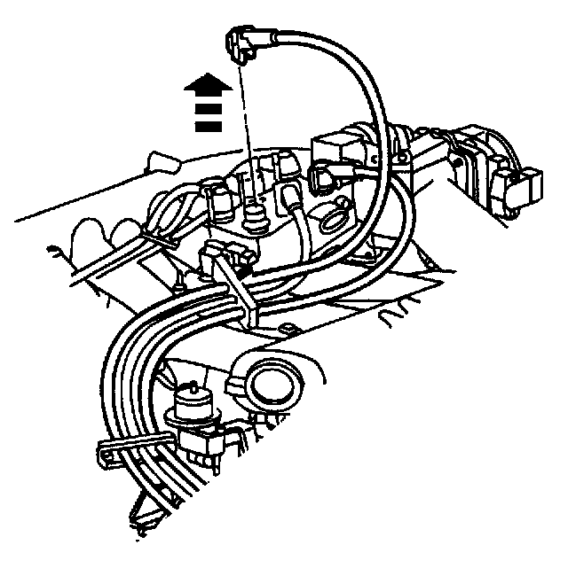
Ignition Cable: Service and Repair






Special Tools Recommended

REMOVAL
1. Remove the air cleaner assembly.
2. Remove the engine cover.







3. Use the Spark Plug Wire Remover to pull the spark plug wire off the spark plug with a twisting, pulling motion.

CAUTION: The spark plug wires must be connected properly. Mark spark plug wires before removing.







4. Remove the spark plug wires from the ignition coil.
- Squeeze the locking tabs while twisting and pulling.







5. Remove the spark plug wires.







INSTALLATION

1. Follow the removal procedure in reverse order.

CAUTION: Make sure that the spark plug wires are properly routed.

2. Apply Silicone Brake Caliper Grease and Dielectric Compound D7AZ-19A331-A or equivalent meeting Ford specification ESE-M1C171-A inside of the spark plug wire boots.
3. Make sure the spark plug wires are connected in the proper firing order.