Operation CHARM: Car repair manuals for everyone.
Manuals through 2025 now available!

Our trusted friends have launched a new website named LEMON, which has newer manuals. It also contains all the CHARM manuals.

LEMON is the spiritual successor to CHARM, I recommend you try it!

Link: lemon-manuals.la or lemon-manuals.org.ua

(Some people have issue connecting. LEMON is investigating. For now, use Firefox or change your DNS server)

Or, hide this message: temporarily or permanently

Ignition Coil: Service and Repair

REMOVAL

1. Remove the air cleaner assembly.
2. Remove the engine cover.
3. Disconnect the accelerator and speed control cable (if equipped) at the throttle body.







4. Disconnect the spark plug wires.
- Squeeze the locking tabs while twisting and pulling upward.

CAUTION: The spark plug wires must be connected to the proper ignition coil terminal. Mark spark plug wire locations before removing them.







5. Disconnect the ignition coil electrical connector and the radio ignition interference capacitor connector.







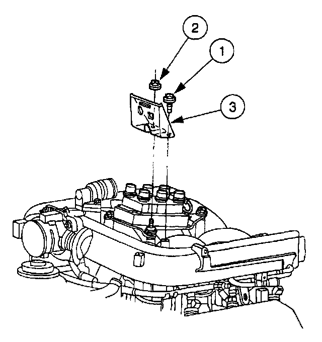
6. Remove the accelerator cable bracket.
1. Remove the screw.
2. Remove the nut.
3. Remove the accelerator cable bracket.







7. Remove the ignition coil.
1. Remove the stud.
2. Remove the nuts.
3. Remove the radio ignition interference capacitor.
4. Remove the ignition coil.












INSTALLATION
1. Follow the removal procedure in reverse order.