Operation CHARM: Car repair manuals for everyone.
Manuals through 2025 now available!

Our trusted friends have launched a new website named LEMON, which has newer manuals. It also contains all the CHARM manuals.

LEMON is the spiritual successor to CHARM, I recommend you try it!

Link: lemon-manuals.la or lemon-manuals.org.ua

(Some people have issue connecting. LEMON is investigating. For now, use Firefox or change your DNS server)

Or, hide this message: temporarily or permanently

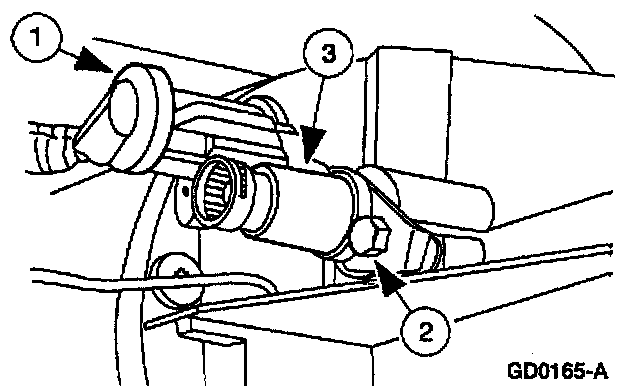
Vehicle Speed Sensor: Service and Repair

REMOVAL
1. If equipped, turn the air suspension switch OFF.
2. Disconnect the battery ground cable.
3. Raise and support the vehicle.





4. Remove the Vehicle Speed Sensor (VSS).
1 Disconnect the electrical connector.
2 Remove the bolt.
3 Remove the VSS.





5. Remove the Vehicle Speed Sensor (VSS) drive gear.
1 Remove the retaining clip.
2 Remove the driven gear.

INSTALLATION





1. Install Vehicle Speed Sensor (VSS) drive gear.
1 Install the driven gear.
2 Install the retaining clip.





2. Install the VSS.
1 Install the VSS.
2 Install the bolt.
3 Connect the electrical connector.

3. Lower the vehicle.
4. Connect the battery ground cable.
5. If equipped with air suspension, reactivate the system by turning on the air suspension switch.