Operation CHARM: Car repair manuals for everyone.
Manuals through 2025 now available!

Our trusted friends have launched a new website named LEMON, which has newer manuals. It also contains all the CHARM manuals.

LEMON is the spiritual successor to CHARM, I recommend you try it!

Link: lemon-manuals.la or lemon-manuals.org.ua

(Some people have issue connecting. LEMON is investigating. For now, use Firefox or change your DNS server)

Or, hide this message: temporarily or permanently

Crankshaft Main Bearing



TORQUE SPECIFICATIONS
Main Bearing Brace Nuts: 40-55 (30-40 ft. lbs.)
Main Bearing Stud Bolts





^ Install the front main bearing cap, front intermediate main bearing cap and lower crankshaft main bearings and rear intermediate main bearing cap and lower crankshaft thrust main bearing.
1 Position the main bearing caps and lower crankshaft main bearings.
2 Install the stud bolts and the bolts in the first main bearing cap.

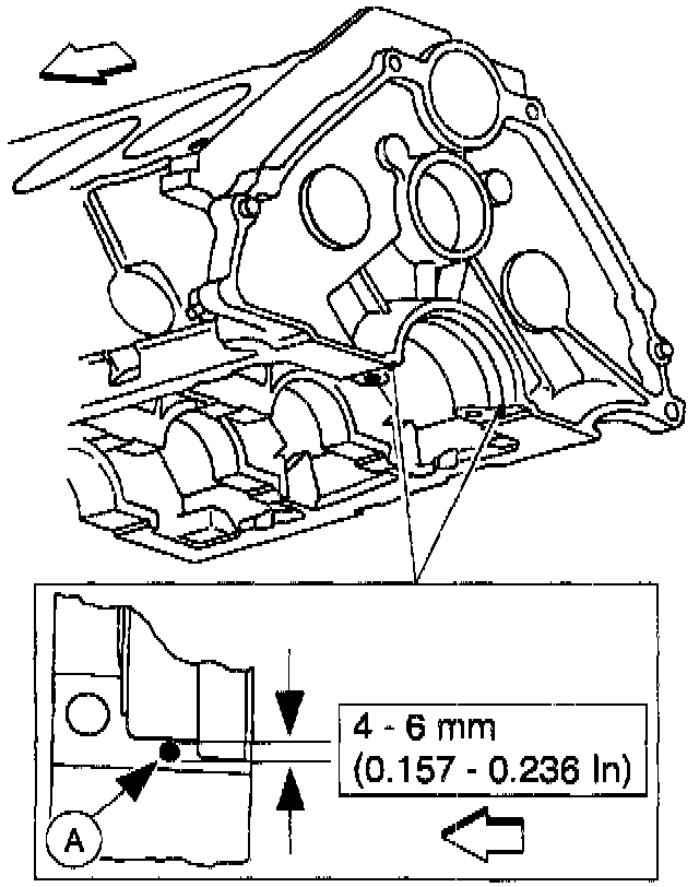
NOTE: If the rear main bearing cap is not installed within four minutes, remove the sealant and reapply.





^ Clean the rear main bearing cap and sealing area throughly and apply sealant to the (A) rear main Bearing cap to cylinder block parting time.
- Use Metal Surface Cleaner F4AZ-19A536-RA or equivalent meeting ford specification WSE-M5B392-A.
- Use Silicone Gasket and Sealant F6AZ-19562-AA or equivalent meeting Ford specification WSE-M4G323-A6.






^ Install the (A) rear main bearing cap and the (B) lower main bearing.
1 Position the (A) rear main bearing cap and the (B) lower main bearing cap.
2 Install the bolts.

- Tighten the main bearing cap retaining bolts in two stages:
a. 50 Nm (37 ft. lbs.)
b. 115-125 degrees