Operation CHARM: Car repair manuals for everyone.
Manuals through 2025 now available!

Our trusted friends have launched a new website named LEMON, which has newer manuals. It also contains all the CHARM manuals.

LEMON is the spiritual successor to CHARM, I recommend you try it!

Link: lemon-manuals.la or lemon-manuals.org.ua

(Some people have issue connecting. LEMON is investigating. For now, use Firefox or change your DNS server)

Or, hide this message: temporarily or permanently

Assembly

1. If removed, install oil gallery and cooling jacket plugs. To provide clearance for camshaft sprocket, oil gallery plugs on front of engine must be threaded below machined surface. Tighten plugs to specification.

NOTE:
- During engine assembly, a sealer will be applied to many components before installation. When the sealant is applied, the component should be installed within 15 minutes. After this time the sealant begins to set-up and its sealing effectiveness can be reduced.

- Lightly oil all retaining bolt and stud bolt threads before installation except those specifying special sealant with Super Premium SAE 5W30 Motor Oil XO-5W30-QSP or equivalent meeting Ford specification WSS-M2C153-G.

- Before installation, coat plug threads with Pipe Sealant with Teflon D8AZ-19554-A or equivalent meeting Ford specification WSK-M2G350-A2.

2. Install crankshaft as follows:
a. Install crankshaft main bearings in cylinder block. Note that third bearing from front is the crankshaft thrust main bearing.
b. Lubricate crankshaft main bearings with Super Premium SAE 5W30 Motor Oil XO-5W30-QSP or equivalent meeting Ford specification WSS-M2C153-G, or heavy engine oil, and carefully lower crankshaft into place. Use care to prevent damage to crankshaft main bearing surfaces.
c. Apply two 4-6 mm (0.157-0.236 inch) beads of Silicone Gasket and Sealant F6AZ-19562-AA or equivalent meeting Ford specification WSE-M4G323-A6 to cylinder block rear main bearing cap parting line.
d. Install crankshaft main bearings in main bearing caps and install caps. Note that caps are numbered with triangles. Number one is located at front of engine with triangle facing front of engine.
e. Install main bearing cap retaining bolts.
f. Before tightening main bearing cap bolts, wedge a large pry bar between cylinder block web and crankshaft cheek located in front of No. 3 crankshaft main bearing.
Do not jam pry bar into place. Tap into position only enough to hold crankshaft forward while main bearing cap bolts are tightened.
g. Tighten main bearing cap retaining bolts in two steps: Tighten to 50 Nm (37 ft. lbs.). Rotate an additional 115-125 degrees.
3. Check crankshaft end play.





4. Install pistons as follows:
a. Install connecting rod bearings in connecting rods and connecting rod caps.
b. Install pistons and upper connecting rod bearings using Piston Ring Compressor 303-D032 (D81L-6002-C). The stamped arrow in piston dome must face front of engine.

NOTE:
- Lubricate piston and cylinder walls with Super Premium SAE 5W30 Motor Oil XO-5W30-QSP or equivalent meeting Ford specification WSS-M2C153-G or engine oil before installation.
- Raised bubble on side of pistons must be on same side and towards front of engine.
- Scratching of crankshaft journal can be prevented by using connecting rod guide tool on connecting rod.

c. Install connecting rod caps, lower connecting rod bearings and retaining bolts. Tighten bolts in three steps: Tighten to 20-25 Nm (15-18 ft. lbs.). Tighten to 40-45 Nm (30-33 ft. lbs.).Rotate an additional 90-120 degrees.
5. Check connecting rod side clearance.
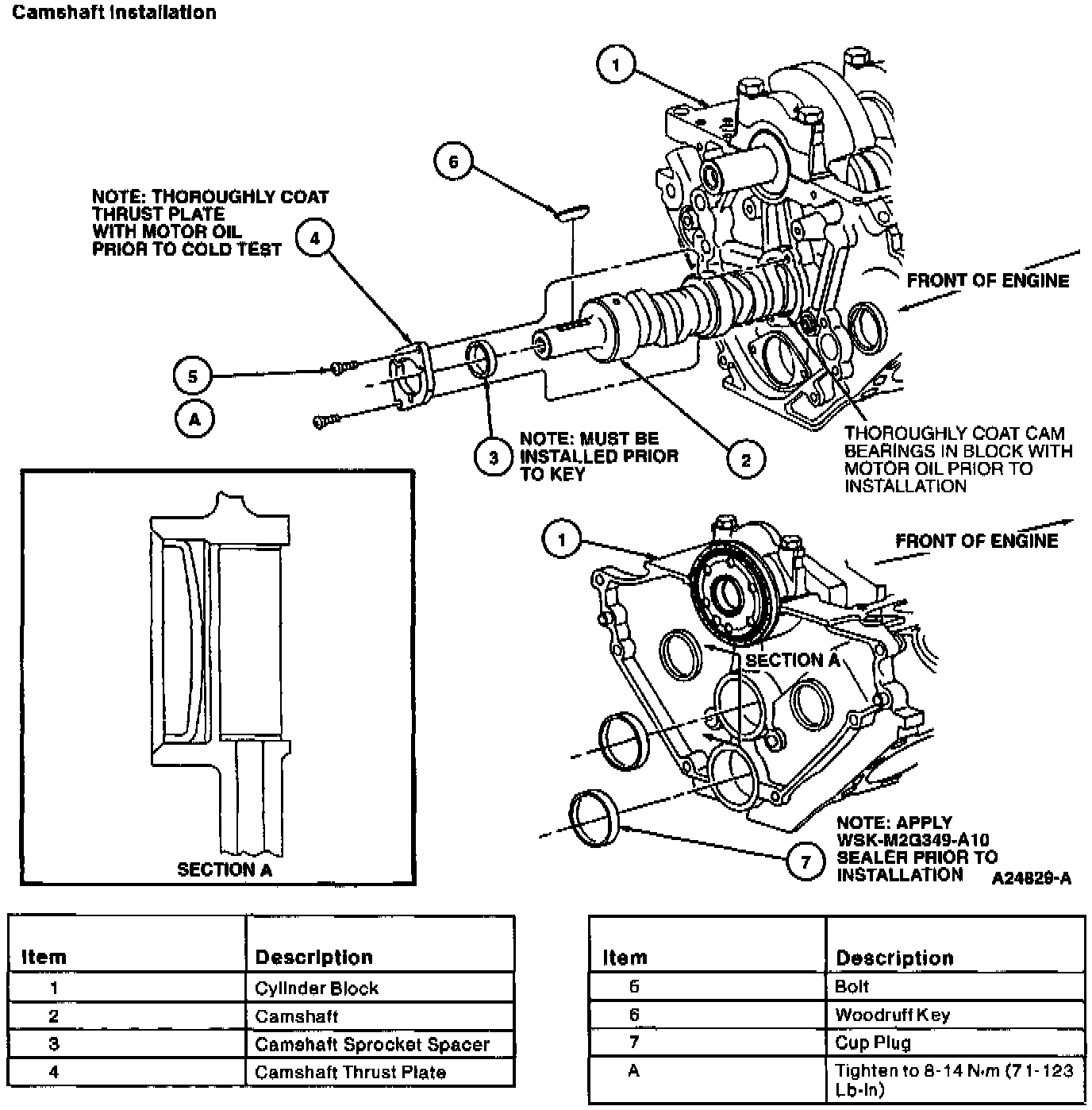
6. Coat sealing edge of camshaft rear bearing cover with Silicone Gasket and Sealant F6AZ-19562-D or equivalent meeting Ford specifications WSE-M4G323-A6.
7. Install camshaft rear bearing cover using a suitable driver.
8. Coat camshaft lobes and camshaft bearings with Super Premium SAE 5W30 Motor Oil XO-5W30-QSP or equivalent meeting Ford specification WSS-M2C153-G.





9. Install camshaft.
10. Install spacer and camshaft thrust plate.
11. Lubricate timing chain with clean engine oil meeting Ford specification WSS-M2C153-G.
12. Rotate crankshaft as necessary to position crankshaft keyway in 12 o'clock position. Install timing chain vibration damper (retracted position).
13. Install camshaft sprocket, crankshaft sprocket and timing chain.





14. Make sure crankshaft keyway, camshaft sprocket timing mark and crankshaft sprocket timing mark are properly aligned after installation.
15. Install camshaft position sensor drive gear.
16. Install camshaft sprocket retainer bolt and washer and tighten to 40-50 Nm (30-36 ft. lbs.).
17. Remove timing chain vibration damper retaining pin.
18. If water pump was removed from engine front cover during engine disassembly, position a new water pump housing gasket on engine front cover and install water pump.
Tighten water pump retaining bolts to 20-30 Nm (15-22 ft. lbs.). Tighten water pump retaining nuts to 8-12 Nm (71-106 in. lbs.).
19. Position a new engine front cover gasket on engine. Install engine front cover. Tighten attaching bolts to 20-30 Nm (15-22 ft. lbs.).
20. Install oil pump screen cover and tube using a new oil pump inlet tube gasket. Tighten retaining bolts to 20-30 Nm (15-22 ft. lbs.), and support bracket retaining nut to 40-55 Nm (30-40 ft. lbs.).
21. Install oil pan as follows:
a. Using a small-blade screwdriver, remove any sealer which may have been squeezed into seal groove when rear main bearing cap was installed. Place a 6.35 mm (0.25 inch) bead of Silicone Gasket and Sealant F7AZ-19572-AA or equivalent meeting Ford specification WSE-M4G323-A6 into seal groove where main bearing cap meets cylinder block.

NOTE: Prior to applying sealer, clean oil pan and cylinder block sealing surfaces with Metal Surface Cleaner F4AZ-19A536-RA or equivalent meeting Ford specification WSE-M5B392-A, to remove all residues that may interfere with the sealers ability to adhere.

b. Apply a 3 mm (0.125 inch) bead of Silicone Gasket and Sealant F6AZ-19562-AA or equivalent meeting Ford specification WSE-M4G323-A6 to seams where engine front cover mates with cylinder block and to each end of oil pan end seal.
c. Apply Silicone Gasket and Sealant F6AZ-19562-AA or equivalent meeting Ford specification WSE-M4G323-A6 in a zig-zag pattern on cylinder block.





d. Install oil pan. Tighten retaining bolts in sequence in two steps. Tighten to 4-5 Nm (36-44 in. lbs.). Tighten to 9-12 Nm (80-106 ft. lbs.).
22. Lubricate oil bypass filter gasket with Super Premium SAE 5W30 Motor Oil XO-5W30-QSP or equivalent meeting Ford specification WSS-M2C153-G.
Thread oil bypass filter onto adapter until gasket contacts cylinder block and then advance oil bypass filter an additional one-half turn.
23. Lubricate valve tappets with Super Premium SAE 5W30 Motor Oil XO-5W30-QSP or equivalent meeting Ford specification WSS-M2C153-G and install.
24. Install six valve tappet guide plates and two tappet guide plates and retainers. Tighten tappet guide plate and retainer retaining bolts to 10-14 Nm (89-123 in. lbs.).





25. Install new head gaskets using cylinder head to block dowels to align head gasket.

NOTE: RH and LH head gasket are not interchangeable.

26. Install cylinder head.
27. Install push rods, rocker arms, rocker arm seats and retaining bolts. Lubricate push rod ends and rocker arm seats with Super Premium SAE 5W30 Motor Oil XO-5W30-QSP or equivalent meeting Ford specification WSS-M2C153-G before installation.
For each valve, rotate crankshaft until valve tappet rests on heel (base circle) of camshaft lobe. Tighten rocker arm seat retaining bolt to 5 Nm (44 in. lbs.) maximum. Final-tighten rocker arm seat retaining bolts to 30-40 Nm (22-29 ft. lbs.). For final-tightening, camshaft may be in any Position.
28. Install lower intake manifold.
29. Install spark plugs. Tighten to 9-20 Nm (80-177 in. lbs.).
30. Install valve covers as follows:
a. Install a new valve cover gasket onto cylinder head.
b. Install valve cover and retaining bolts. Note location of stud/bolts.
c. Tighten retaining bolts to 8-12 Nm (71-106 in. lbs.).

NOTE: Using solvent, clean valve cover and cylinder head sealing surfaces to remove all gasket material and dirt.

31. Install camshaft position sensor, housing and hold-down clamp.
32. Install crankshaft pulley and vibration damper using Damper/Front Cover Seal Installer 303-175 (T82L-6316-A) and Front Cover Seal Remover 303-053 (T70P-6B070-B). Tighten retaining bolt to 140-180 Nm (104-132 ft. lbs.).
33. Install lower intake manifold.
34. Install fuel injectors and fuel injection supply manifold. Tighten retaining bolts for fuel injection supply manifold bracket to 8-11 Nm (71-97 in. lbs.)
35. Connect the front evaporative emissions tube and install the following positive crankcase ventilation system components:
- Front and rear crankcase ventilation tube.
- Positive crankcase ventilation valve.
36. Install upper intake manifold. Tighten bolts and studs in numerical sequence in three steps:
a. Tighten to 10 Nm (88 in. lbs.).
b. Tighten to 20 Nm (15 ft. lbs.).
c. Tighten to 32 Nm (23 ft. lbs.).

NOTE: Apply a light coat of Pipe Sealant with Teflon D8AZ-19554-A or equivalent meeting Ford specification WSK-M2G350-A2 and ESR-M18P7-A to retaining bolts and stud bolt threads prior to installation.

37. Install EGR valve. Tighten bolts to 20-30 Nm (15-22 ft. lbs.).
38. Connect ignition wires to spark plugs.
39. Inspect heater water outlet tube O-ring (replace as necessary) and install heater water outlet tube. Install and tighten retaining bolts to 8-12 Nm (71-106 in. lbs.).
40. install water bypass tube to intake manifold. Tighten hose clamp securely.
41. Install exhaust manifolds. Note location of oil level indicator tube support bracket. Tighten exhaust manifold retaining bolts and stud bolts to 30-36 Nm (23-26 ft. lbs.).

NOTE: On California/Greenstate vehicles, install air diverter valve outlet tube and secondary air injection manifold tube.

42. Install engine rear plate and flywheel.
Tighten flywheel retaining bolts to 73-87 Nm (54-64 ft. lbs.) in a standard cross-tightening sequence.

NOTE: Apply a thin coat of Pipe Sealant with Teflon D8AZ-19554-A or equivalent meeting Ford specification WSK-M2G350-A2 and ESR-M18P7-A to flywheel retaining bolt threads before installation.