Operation CHARM: Car repair manuals for everyone.
Manuals through 2025 now available!

Our trusted friends have launched a new website named LEMON, which has newer manuals. It also contains all the CHARM manuals.

LEMON is the spiritual successor to CHARM, I recommend you try it!

Link: lemon-manuals.la or lemon-manuals.org.ua

(Some people have issue connecting. LEMON is investigating. For now, use Firefox or change your DNS server)

Or, hide this message: temporarily or permanently

Condenser HVAC: Service and Repair

NOTE
^ Whenever an A/C condenser core is replaced, it is necessary that the suction accumulator/drier also be replaced.
^ If an A/C condenser core leak is suspected, the A/C condenser core must be leak-tested before it is removed from the vehicle.

REMOVAL
1. Following proper procedures, discharge the refrigerant from the A/C system at the service access gauge port valve located on the suction line. Observe all safety precautions. Discharging and Recovery
2. Remove battery from vehicle.







3. Remove retaining bolts, screws and washers from battery tray and remove battery tray.
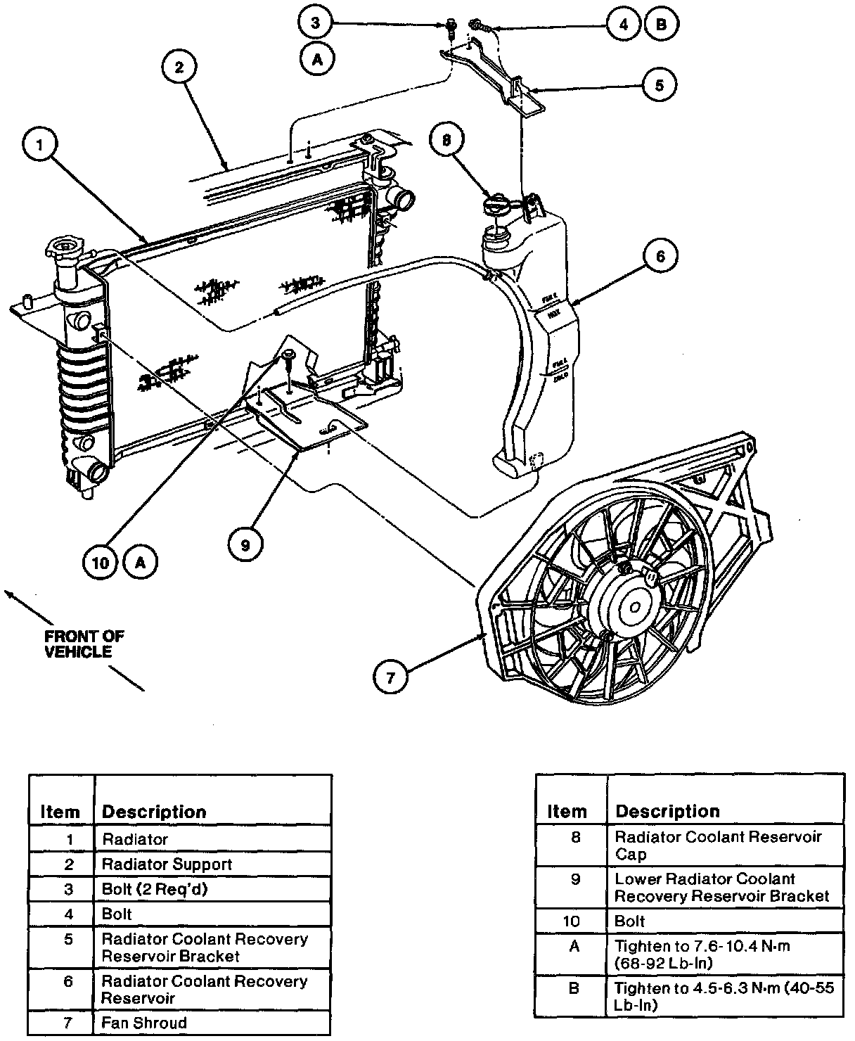
4. Remove retaining screws and radiator upper sight shield.







5. Remove two screws retaining radiator coolant recovery reservoir to the constant control relay module bracket.
6. Disconnect coolant recovery hose from radiator and remove radiator coolant recovery reservoir from vehicle.
7. Disconnect wire harness from fan motor. Remove wiring harness from fan shroud and position aside.
8. Disconnect wire harness connectors from anti-lock brake control module and engine cooling fan motor.
9. Disconnect the refrigerant line fittings at the RH side of the A/C condenser core.







10. Remove three retaining screws and two radiator support upper brackets and lift the radiator rearward.
11. Remove four push pins retaining wiring harness on radiator support and position wiring harness aside.







12. Remove two retaining screws and two A/C condenser mounting brackets from the radiator support.
13. Lift the A/C condenser core from the vehicle. Cap the refrigerant lines to prevent entry of dirt and excessive moisture.

INSTALLATION
1. If the A/C condenser core is to be replaced, add 29.5 ml (1 ounce) of clean Motorcraft YN-12b refrigerant oil or equivalent meeting Ford specification WSH-M10231B to the new A/C condenser core.
2. Position the A/C condenser core assembly to the vehicle, making sure the lower isolators are properly seated on the two A/C condenser mounting brackets. Then install the two A/C condenser mounting brackets and two retaining screws. Tighten screws to 2.7-3.7 N.m (24-32 Lb-In)
4. Connect the refrigerant lines to the A/C condenser core. Tighten peanut fitting retaining nut 7-9 N.m (62-79 Lb-In).
5. Connect wire harness connectors to anti-lock brake control module and fan motor.
6. Position wiring harness under upper radiator support and install wiring harness retainers into radiator support.
7. Install radiator coolant recovery reservoir into lower radiator coolant recovery reservoir bracket and connect coolant recovery hose to the radiator.
8. Install screws retaining radiator coolant recovery reservoir to bracket. Tighten to 4.5-6.3 N.m (40-55 Lb-In).
9. Install radiator upper sight shield and retaining screws.
10. Install battery tray. Tighten screws to 9-14 N.m (80-123 Lb-In).
11. Install battery.
12. Following proper procedures, leak-test, evacuate and charge the system. Observe all safety precautions. Evacuation