Operation CHARM: Car repair manuals for everyone.
Manuals through 2025 now available!

Our trusted friends have launched a new website named LEMON, which has newer manuals. It also contains all the CHARM manuals.

LEMON is the spiritual successor to CHARM, I recommend you try it!

Link: lemon-manuals.la or lemon-manuals.org.ua

(Some people have issue connecting. LEMON is investigating. For now, use Firefox or change your DNS server)

Or, hide this message: temporarily or permanently

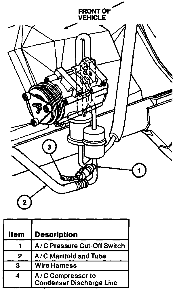
A/C Pressure Cut-Off Switch






REMOVAL
1. Disconnect pressure cut-off switch electrical connector.
2. Raise vehicle on hoist. Remove A/C pressure cut-off switch from the A/C manifold and tube.

INSTALLATION
1. Follow removal procedure in reverse order.
2. Use new O-ring seals lubricated with clean Motorcraft YN-12b refrigerant oil or equivalent meeting Ford specification WSH-M1C231-B.