Operation CHARM: Car repair manuals for everyone.
Manuals through 2025 now available!

Our trusted friends have launched a new website named LEMON, which has newer manuals. It also contains all the CHARM manuals.

LEMON is the spiritual successor to CHARM, I recommend you try it!

Link: lemon-manuals.la or lemon-manuals.org.ua

(Some people have issue connecting. LEMON is investigating. For now, use Firefox or change your DNS server)

Or, hide this message: temporarily or permanently

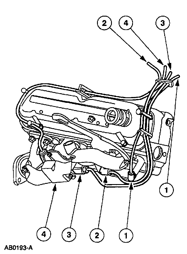
Ignition Cable: Service and Repair

Spark Plug Wire Remover:






SPECIAL SERVICE TOOLS


REMOVAL

CAUTION
^ The spark plug wires must be connected properly. Mark the spark plug wires before removing them from the spark plugs.
^ It is important to twist the spark plug wire boots while pulling upward to avoid possible damage to the spark plug wire.
^ Do not use special tool on spark plug wire boots with metal heat shields. Damage to the spark plug wire boots may occur.







1. Use the special tool to pull the spark plug wire off the spark plug with a twisting motion.







2. Squeeze the locking tab and twist while pulling upward to remove the spark plug wires from the ignition coils.

INSTALLATION







1. Connect the spark plug wires to the ignition coils.

NOTE: Apply Silicone Brake Caliper Grease and Dielectric Compound D7AZ-19A331-A or equivalent meeting Ford specification ESE-M1C171-A to the inside of spark plug and ignition coil boots of the spark plug wire.







2. Install the LH spark plug wire.


CAUTION: Be sure to orient the spark plug boots so the spark plug wires do not contact the exhaust manifold.

Item Orientation
5 12 o'clock
6 8 o'clock
7 4 o'clock
8 1 o'clock







3. Install the RH spark plug wire.

CAUTION: Be sure to orient the spark plug boots so the spark plug wires do not contact the exhaust manifold.

Item Orientation
1 1 o'clock
2 3 o'clock
3 3 o'clock
4 12 o'clock