Operation CHARM: Car repair manuals for everyone.
Manuals through 2025 now available!

Our trusted friends have launched a new website named LEMON, which has newer manuals. It also contains all the CHARM manuals.

LEMON is the spiritual successor to CHARM, I recommend you try it!

Link: lemon-manuals.la or lemon-manuals.org.ua

(Some people have issue connecting. LEMON is investigating. For now, use Firefox or change your DNS server)

Or, hide this message: temporarily or permanently

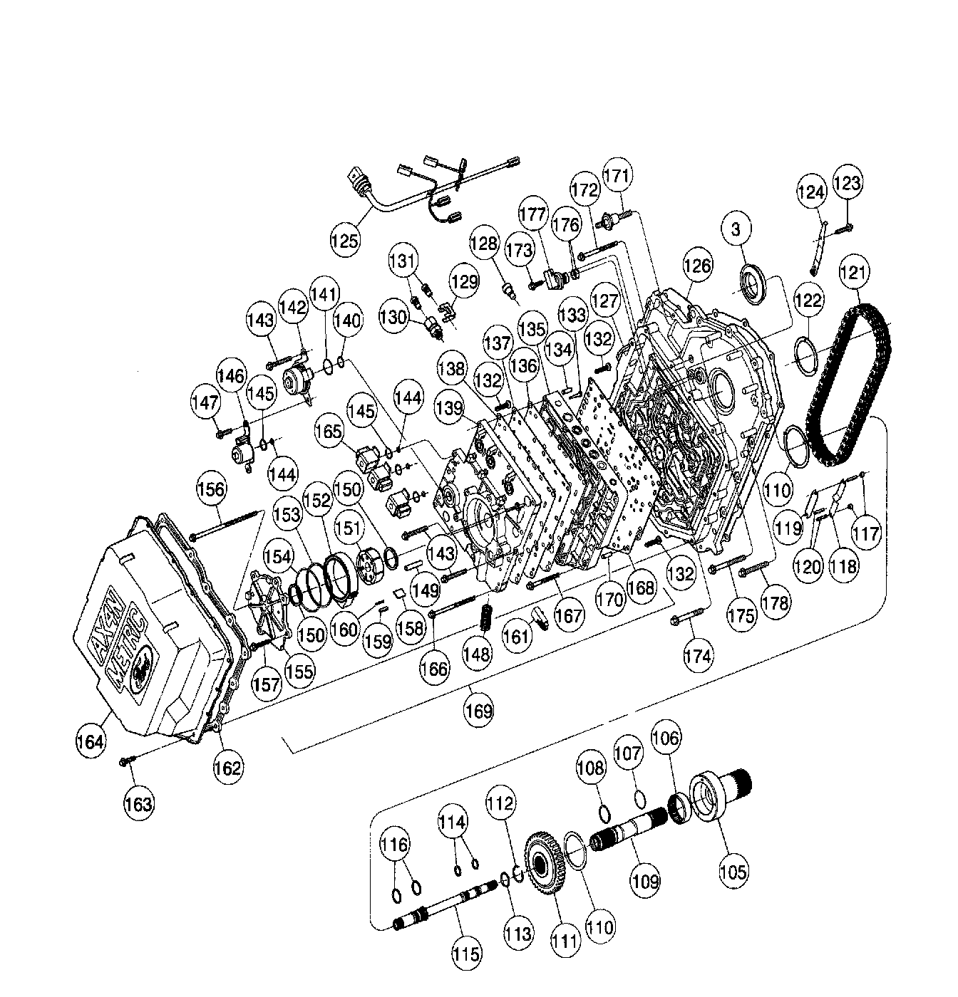
AX4N

1 Of 9:




2 Of 9:




3 Of 9:




4 Of 9:




5 Of 9:




6 Of 9:




7 Of 9:




8 Of 9:




9 Of 9:





Transaxle, Automatic, AX4N-Disassembled View