Operation CHARM: Car repair manuals for everyone.
Manuals through 2025 now available!

Our trusted friends have launched a new website named LEMON, which has newer manuals. It also contains all the CHARM manuals.

LEMON is the spiritual successor to CHARM, I recommend you try it!

Link: lemon-manuals.la or lemon-manuals.org.ua

(Some people have issue connecting. LEMON is investigating. For now, use Firefox or change your DNS server)

Or, hide this message: temporarily or permanently

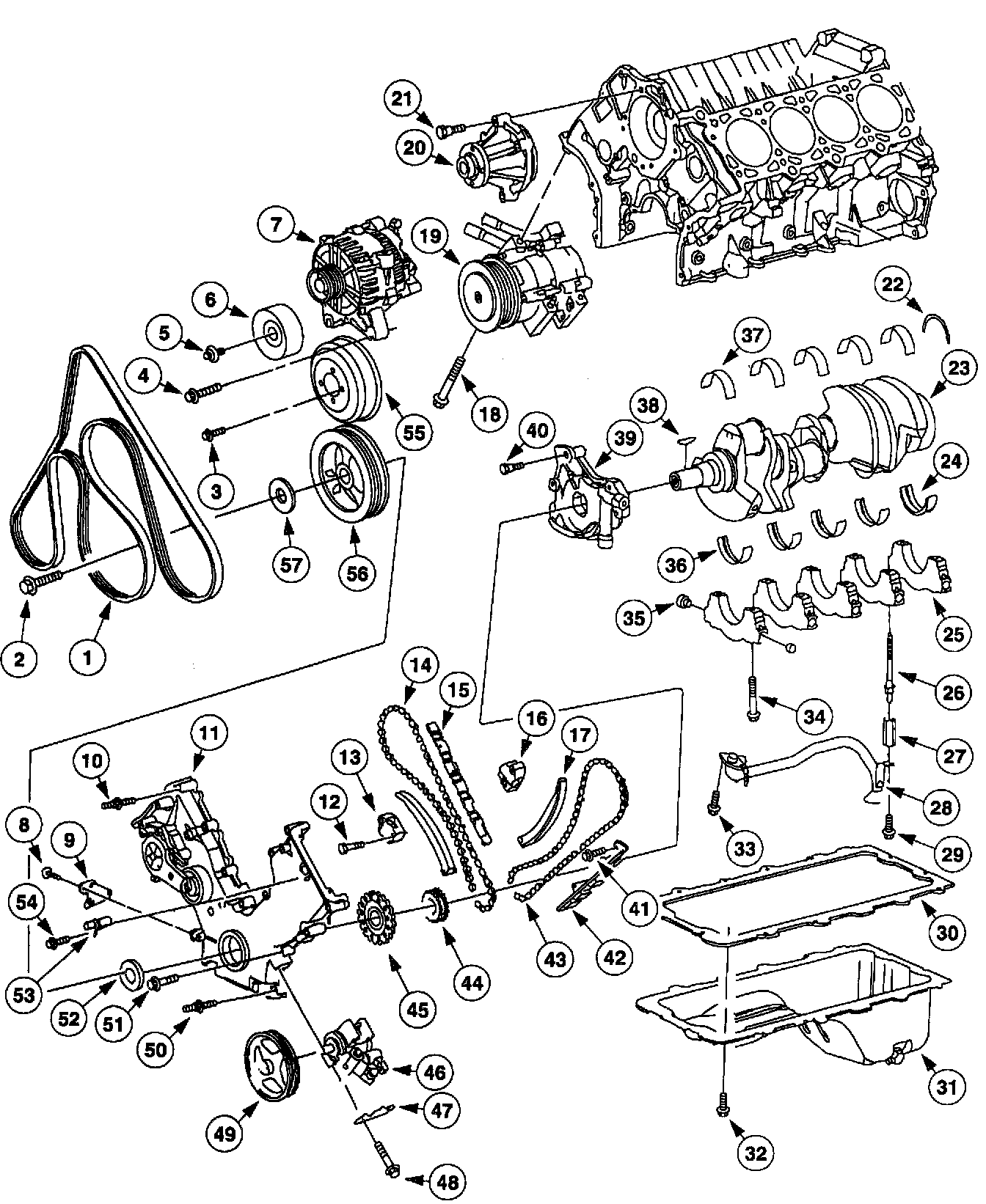
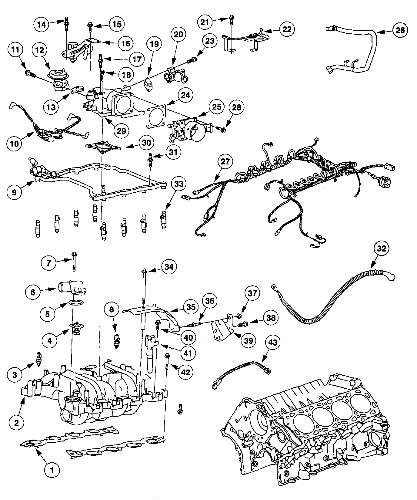
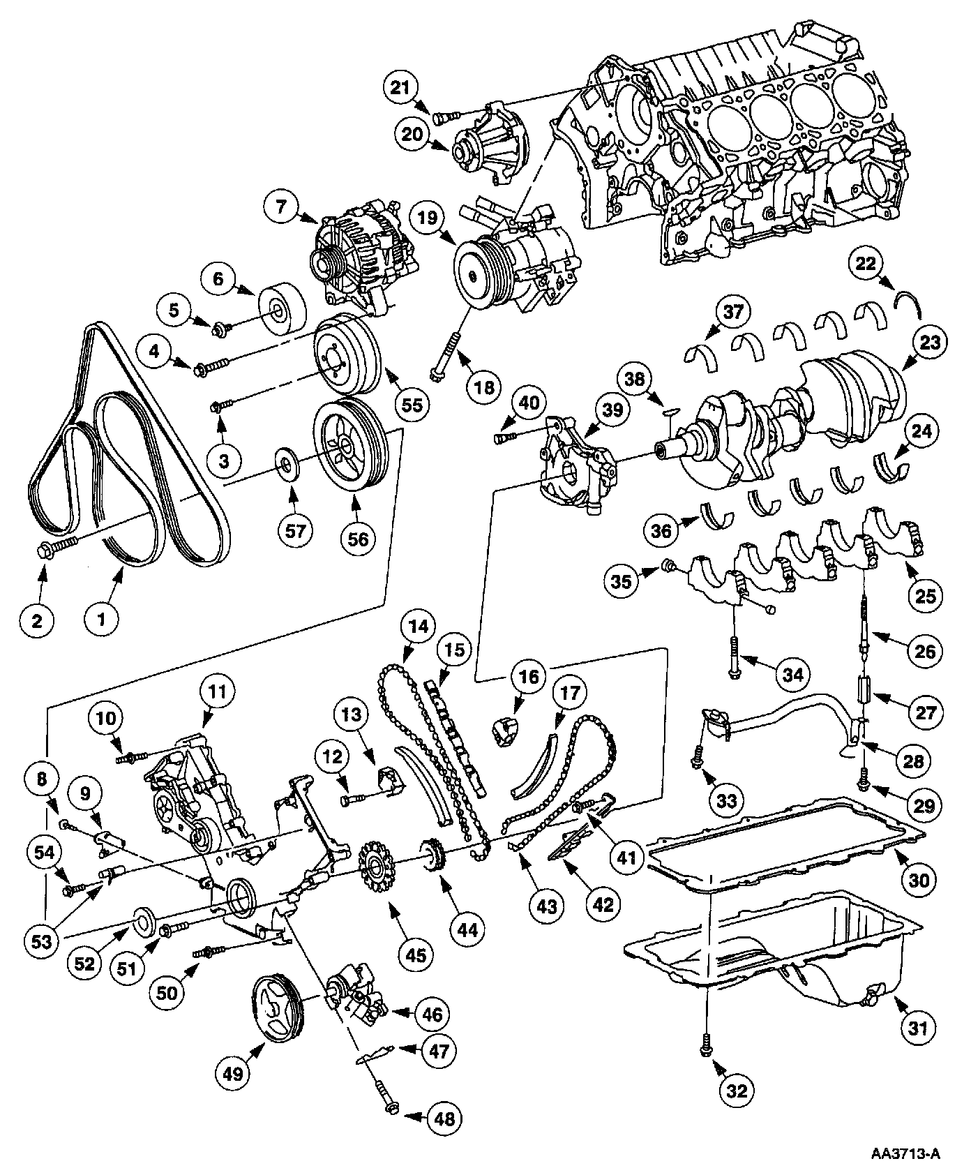
Engine Compartment Views


























Engine Component View


























Natural Gas Engine - Disassembled View


The concept of modularity allows engine designs to share communization between concepts and engine hardware. The illustration (modular engine-typical) represents the basic cross sectional view of a modular V8 engine. The four modules are the:
- intake module
- cylinder head module (RH)
- cylinder head module (LH)
- Glower engine module

The modular engine concept supports efficiencies during repairs by allowing the removal and installation of these modules. While not all in-vehicle repairs can take advantage of the modular concept, most out-of-vehicle repairs benefit in reduction of time and labor needed to repair the engine.
The basic engine components consist of:
- single overhead camshafts
- two valves per cylinder
- Sequential Multiport Fuel Injection (SFI)
- aluminum cylinder heads
- cast iron, 90-degree V-cylinder block
- individual ignition coils for each spark plug
- composite-material lower intake manifold with noise insulator
- Large-bore throttle body