Operation CHARM: Car repair manuals for everyone.
Manuals through 2025 now available!

Our trusted friends have launched a new website named LEMON, which has newer manuals. It also contains all the CHARM manuals.

LEMON is the spiritual successor to CHARM, I recommend you try it!

Link: lemon-manuals.la or lemon-manuals.org.ua

(Some people have issue connecting. LEMON is investigating. For now, use Firefox or change your DNS server)

Or, hide this message: temporarily or permanently

Engine Emission Control

ENGINE EMISSION CONTROL

CAUTION: Do not remove any part of the engine emission control system. Operating the engine without the engine emission control system will reduce fuel economy and engine ventilation. This will weaken engine performance and shorten engine life.

All engines are equipped with an Exhaust Gas Recirculation (EGR) system. The function of the EGR system is to reduce the emission of Nitrogen Oxide (NOx).

The engine emission control system consists of the following components:
- Positive Crankcase Ventilation (PCV) system
- Exhaust Gas Recirculation (EGR) system

The PCV system uses intake manifold vacuum to ventilate the crankcase and return the fumes to the intake manifold for combustion.

EGR System Components (Part 1):





EGR System Components (Part 2):




EGR System Components

The EGR system returns a portion of the exhaust gas to the intake manifold to reduce the combustion temperature. This reduces the Oxides Of Nitrogen (NOx) in the exhaust emissions.

The PCM controls the EGR vacuum regulator solenoid. The EGR vacuum regulator solenoid controls the vacuum to the EGR valve. When the EGR valve opens, exhaust gas flows to the intake manifold. The differential pressure feedback EGR sensor measures the flow through the EGR valve to exhaust manifold tube and sends a signal to the PCM. A metering orifice in the EGR valve to exhaust manifold tube restricts the flow rate when the EGR valve is open.

EGR System Components - 4.2L Engine:




EGR System Components - 4.2L Engine

EGR System Components - 4.6L Engine:




EGR System Components - 4.6L Engine

EGR System Components - 5.4L Shown; 6.8L Similar:




EGR System Components - 5.4L Shown; 6.8L Similar

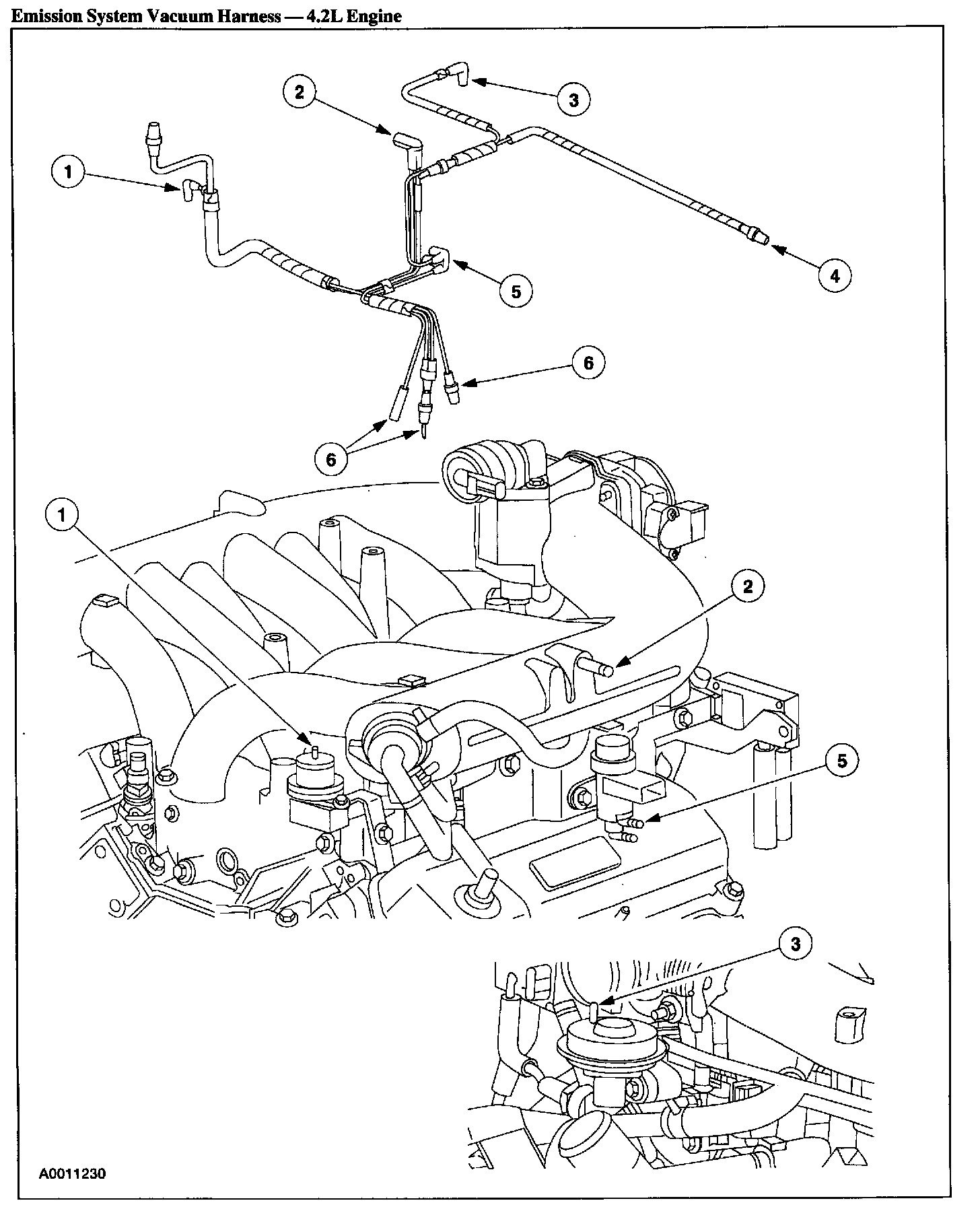
Emission System Vacuum Harness - 4.2L Engine (Part 1):





Emission System Vacuum Harness - 4.2L Engine (Part 2):




Emission System Vacuum Harness - 4.2L Engine

Emission System Vacuum Harness - 4.6L Engine:




Emission System Vacuum Harness - 4.6L Engine

Emission System Vacuum Harness - 5.4L Engine:




Emission System Vacuum Harness - 5.4L Engine

Climate Control Vacuum Harness - 5.4L Engine (Gasoline Engines):




Climate Control Vacuum Harness - 5.4L Engine (Gasoline Engines)

Climate Control Vacuum Harness - 5.4L Engine (Natural Gas Engines):




Climate Control Vacuum Harness - 5.4L Engine (Natural Gas Engines)

Emission System Vacuum Harness - 6.8L Engine:




Emission System Vacuum Harness - 6.8L Engine

All engines are equipped with a positive crankcase ventilation (PCV) system. The function of the PCV system is to circulate blow-by gases from the engine crankcase to the engine intake.

PCV Valve - 4.2L Engine:




PCV Valve - 4.2L Engine

PCV Valve - 4.6L Engine:




PCV Valve - 4.6L Engine

PCV Valve - 5.4L Shown; 6.8L Similar:




PCV Valve - 5.4L Shown; 6.8L Similar

The PCV system consists of:
- PCV valve
- PCV tube