Operation CHARM: Car repair manuals for everyone.
Manuals through 2025 now available!

Our trusted friends have launched a new website named LEMON, which has newer manuals. It also contains all the CHARM manuals.

LEMON is the spiritual successor to CHARM, I recommend you try it!

Link: lemon-manuals.la or lemon-manuals.org.ua

(Some people have issue connecting. LEMON is investigating. For now, use Firefox or change your DNS server)

Or, hide this message: temporarily or permanently

General





















CAUTION: Do not remove any part of the engine emission control system. Operating the engine without the engine emission control system will reduce fuel economy and engine ventilation. This will weaken engine performance and shorten engine life.

The engine emission control consists of the:
^ Positive Crankcase Ventilation (PCV) system.
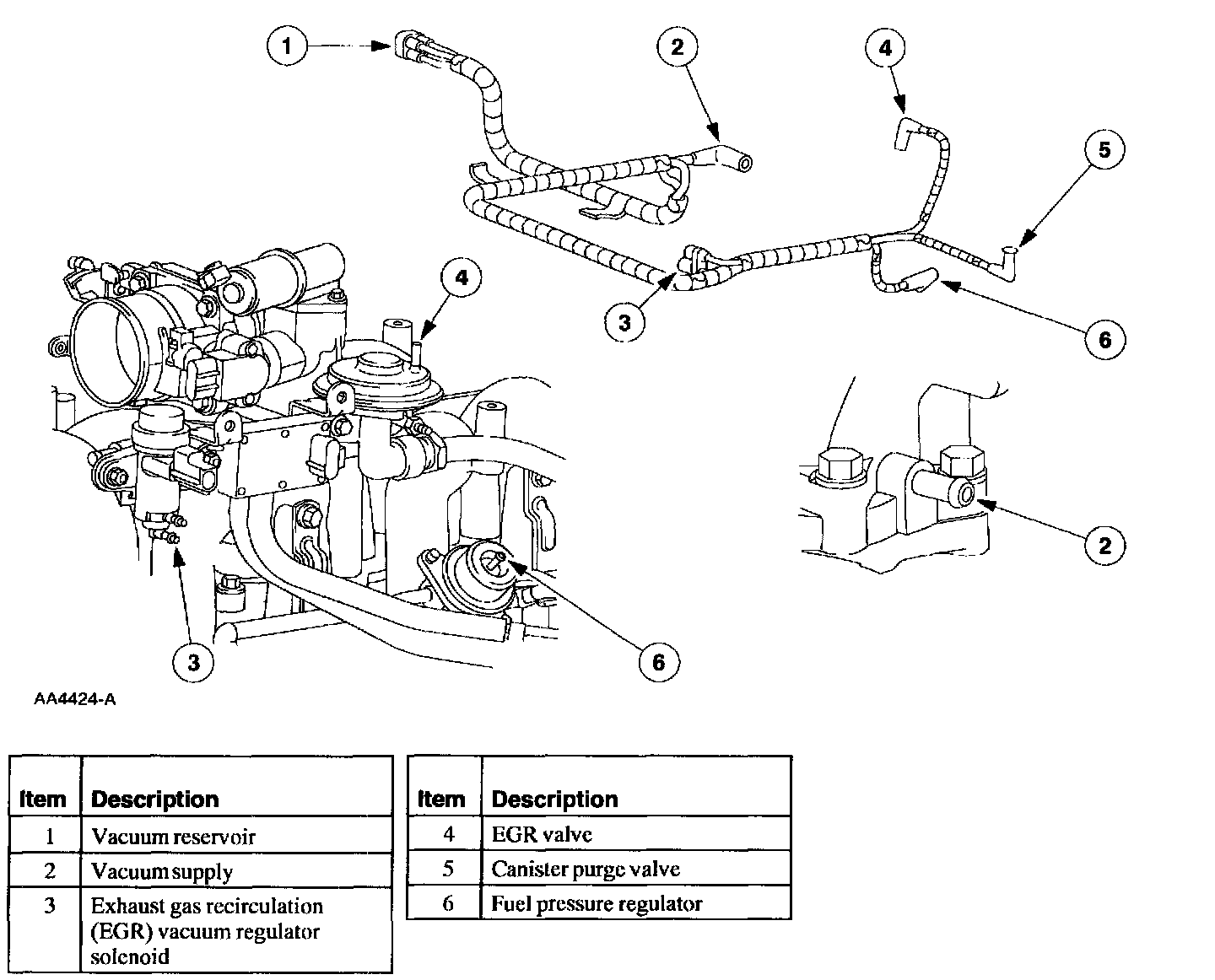
^ Exhaust Gas Recirculation (EGR) system.

The PCV system uses intake manifold vacuum to ventilate the crankcase and return the fumes to the intake manifold for combustion.







The Exhaust Gas Recirculation (EGR) system returns a portion of the exhaust gas to the intake manifold to reduce the combustion temperature. This results in lower nitrous oxide formation.

The powertrain control module controls the EGR vacuum regulator solenoid. The EGR vacuum regulator solenoid controls the vacuum to the EGR valve. When the EGR valve opens, exhaust gas flows to the intake manifold. The EGR transducer measures the flow through the EGR valve to exhaust manifold tube and sends a signal to the powertrain control module. A metering orifice in the EGR valve to exhaust manifold tube restricts the flow rate when the EGR valve is open.

The PCV valve:
^ controls the amount of ventilating air and blow-by gases going to the intake manifold.
^ prevents a backfire from reaching the crankcase.

The EGR valve tube:
^ connects the exhaust manifold to the EGR valve.
^ has two tubes connecting to the differential pressure feedback EGR sensor for EGR flow monitoring.

The differential pressure feedback EGR sensor:
^ monitors the EGR flow rate through the EGR valve tube.
^ sends an EGR flow rate signal to the Powertrain Control Module (PCM).

The EGR vacuum regulator solenoid uses input from the PCM to change the EGR valve operation.