Operation CHARM: Car repair manuals for everyone.
Manuals through 2025 now available!

Our trusted friends have launched a new website named LEMON, which has newer manuals. It also contains all the CHARM manuals.

LEMON is the spiritual successor to CHARM, I recommend you try it!

Link: lemon-manuals.la or lemon-manuals.org.ua

(Some people have issue connecting. LEMON is investigating. For now, use Firefox or change your DNS server)

Or, hide this message: temporarily or permanently

Emission Control Systems: Application and ID

CAUTION: Do not remove any part of the engine emission control system. Operating the engine without the engine emission control system will reduce fuel economy and engine ventilation. This will weaken engine performance and shorten engine life.

The engine emission control consists of the:
^ Positive Crankcase Ventilation (PCV) system
^ Exhaust Gas Recirculation (EGR) system

The PCV system uses intake manifold vacuum to ventilate the crankcase and return the fumes to the intake manifold for combustion.







The Exhaust Gas Recirculation (EGR) system returns a portion of the exhaust gas to the intake manifold to reduce the combustion temperature. This reduces the oxides of nitrogen (NOx) in the exhaust emissions.

The Powertrain Control Module (PCM) controls the EGR vacuum regulator solenoid. The EGR vacuum regulator solenoid controls the vacuum to the EGR valve. When the EGR valve opens, exhaust gas flows to the intake manifold. The differential pressure feedback EGR sensor measures the flow through the EGR valve to exhaust manifold tube and sends a signal to the PCM. A metering orifice in the EGR valve to exhaust manifold tube restricts the flow rate when the EGR valve is open.


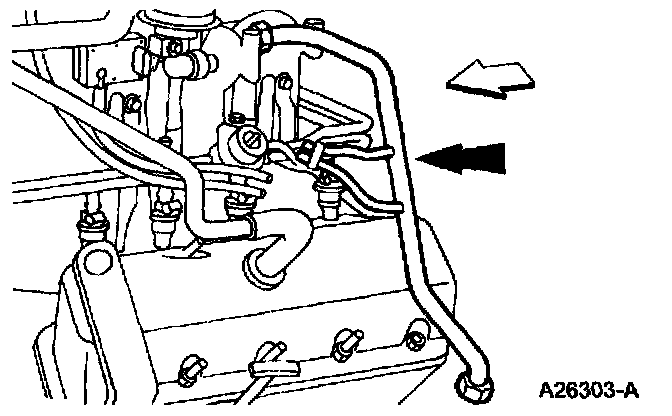
RH Component Locations:






LH Component Locations:






LH Component Locations:






RH Component Locations:






Emission System Vacuum Harness:






Emission System Vacuum Harness:






Emission System Vacuum Harness:











The PCV valve:
^ controls the amount of ventilating air and blow-by gases going to the intake manifold.
^ prevents backfire from reaching the crankcase.







NOTE: The 4.6L engine is shown; the 5.4L engine is similar.

The Exhaust Gas Recirculation (EGR) valve to exhaust manifold tube:
^ connects the exhaust manifold to the EGR valve.
^ has two tubes connecting to the differential pressure feedback EGR sensor for EGR flow monitoring.







NOTE: The 4.6L engine is shown; the 5.4L engine is similar.

The differential pressure feedback sensor:
^ monitors the EGR flow rate through the EGR valve tube.
^ sends an EGR flow rate signal to the PCM.







NOTE: The 4.6L engine is shown; the 5.4L engine is similar.

The Exhaust Gas Recirculation (EGR) vacuum regulator solenoid uses input from the Powertrain Control Module (PCM) to change the EGR valve operation.