Operation CHARM: Car repair manuals for everyone.
Manuals through 2025 now available!

Our trusted friends have launched a new website named LEMON, which has newer manuals. It also contains all the CHARM manuals.

LEMON is the spiritual successor to CHARM, I recommend you try it!

Link: lemon-manuals.la or lemon-manuals.org.ua

(Some people have issue connecting. LEMON is investigating. For now, use Firefox or change your DNS server)

Or, hide this message: temporarily or permanently

Back Window Glass: Service and Repair

REMOVAL







1. Remove the rear seat back.
1 Remove the bolts.
2 Lift up to remove the rear seat back.







2. Remove the safety belt guide bolt.
1 Lift the cover.
2 Remove the bolt.







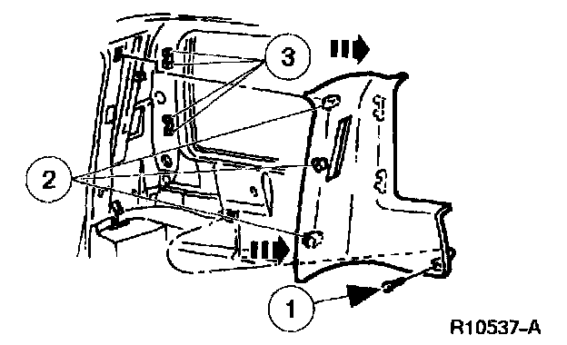
3. Remove the roof side rear trim panel.
1 Remove the pin-type retainers.
2 Pry and release the clips.
3 Slide the roof side trim panel out of the retainers and remove the roof side trim panel.







4. Remove the coat hooks.
1 Remove the two screws.
2 Remove the two coat hooks.







5. Remove the dome lamp.
1 Carefully pry the lens out of the dome lamp.
2 Remove the dome lamp screws.
3 Remove the dome lamp.

6. Lower the back half of the roof trim panel.
7. Cut the foam butyl from around the back window glass.







8. Remove the back window glass.
1 Remove the 12 nuts.
2 Remove the back window glass.

9. Remove any remaining foam butyl from the window glass frame.

INSTALLATION
1. Clean the back window glass with an alcohol-free cleaner.
2. Apply 8mm foam butyl, or equivalent meeting Ford specification WSB-M2G234-C to the back window glass.
^ Start at the bottom middle and work around.







3. Install the back window glass.
1 Position the back window glass.
2 Install the 12 nuts.

4. Position the roof trim panel.







5. Install the dome lamp.
1 Position the dome lamp.
2 Install the dome lamp screws.
3 Install the lens.







6. Install the coat hooks.
1 Position the two coat hooks.
2 Install the two screws.







7. Install the roof side rear trim panel.
1 Slide the roof side rear trim panel into retainers and position the roof side trim panel.
2 Install the clips.
3 Install the pin-type retainers.







8. Install the safety belt guide bolt.
1 Install the bolt.
2 Install the cover.







9. Install the rear seat back.