Operation CHARM: Car repair manuals for everyone.
Manuals through 2025 now available!

Our trusted friends have launched a new website named LEMON, which has newer manuals. It also contains all the CHARM manuals.

LEMON is the spiritual successor to CHARM, I recommend you try it!

Link: lemon-manuals.la or lemon-manuals.org.ua

(Some people have issue connecting. LEMON is investigating. For now, use Firefox or change your DNS server)

Or, hide this message: temporarily or permanently

Oxygen Sensor: Application and ID





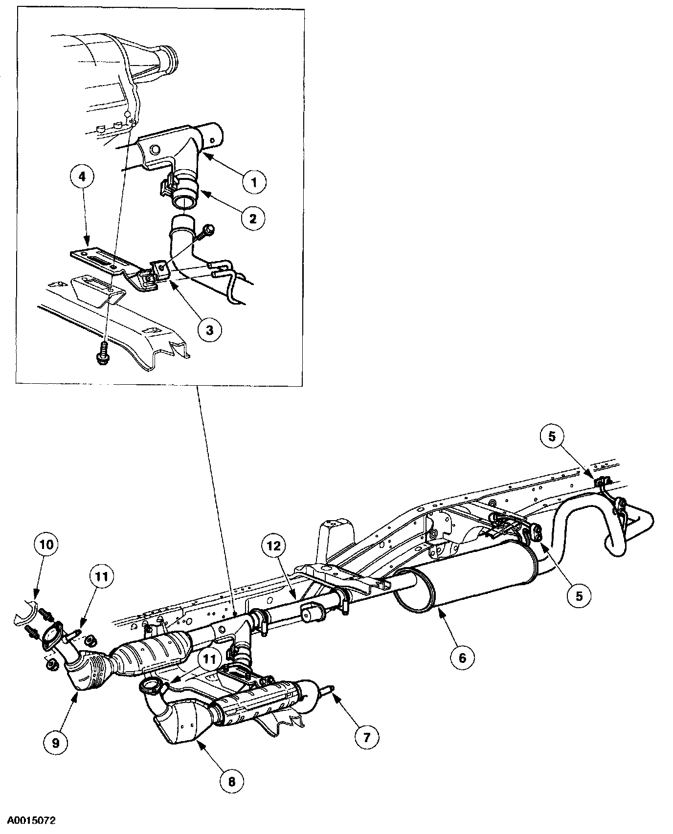
The exhaust system consists of the components shown in the following illustrations.








Exhaust System Components - 5.4L, 4x2








Exhaust System Components - 5.4L, 4x4

To ease the removal and installation of the exhaust components, lubricate the insulators using Aerosol Silicone Lubricant F5AZ-19553-AA or equivalent meeting Ford specification ESR-M13P4-A.