Operation CHARM: Car repair manuals for everyone.
Manuals through 2025 now available!

Our trusted friends have launched a new website named LEMON, which has newer manuals. It also contains all the CHARM manuals.

LEMON is the spiritual successor to CHARM, I recommend you try it!

Link: lemon-manuals.la or lemon-manuals.org.ua

(Some people have issue connecting. LEMON is investigating. For now, use Firefox or change your DNS server)

Or, hide this message: temporarily or permanently

System Specifications














ENGINE GENERAL SPECIFICATIONS

TIGHTENING SPECIFICATIONS

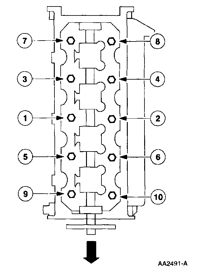
CAUTION: The cylinder head bolts must be replaced with new bolts. They are tighten-to-yield designed and cannot be reused.





Note: Make sure to tighten the bolts in sequence in three stages.

Tighten the LH bolts in the sequence shown.
- Stage 1: Tighten to 37 - 43 Nm (28 - 31 ft. lbs.).
- Stage 2: Tighten an additional 85 - 95°.
- Stage 3: Tighten an additional 85 - 95°.





Note: Make sure to tighten the bolts in the following three stages.

Tighten the RH bolts in the sequence shown.
- Stage 1: Tighten to 37 - 43 Nm (28 - 31 ft. lbs.).
- Stage 2: Tighten an additional 85 - 95°.
- Stage 3: Tighten an additional 85 - 95°.