Operation CHARM: Car repair manuals for everyone.
Manuals through 2025 now available!

Our trusted friends have launched a new website named LEMON, which has newer manuals. It also contains all the CHARM manuals.

LEMON is the spiritual successor to CHARM, I recommend you try it!

Link: lemon-manuals.la or lemon-manuals.org.ua

(Some people have issue connecting. LEMON is investigating. For now, use Firefox or change your DNS server)

Or, hide this message: temporarily or permanently

Subframe: Service and Repair

SUBFRAME


Special Tool(s):






Special Tool(s)

Removal
1. Undo the wheel nuts.
2. Raise the vehicle and detach both front wheels.

CAUTION: Do not damage the ball joint rubber seal or the ABS sensor ring.







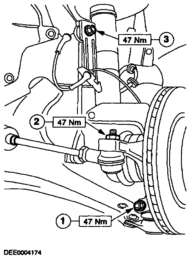
3. Detach both front suspensions (right-hand side shown).
1. Stabilizer link rod
2. Track rod
3. Suspension lower arm







4. Remove the roll restrictor.
1. Engine roll restrictor bolts
2. Engine roll restrictor
- Support the subframe with a transmission jack.







5. Detach the subframe.
- Slightly lower the subframe with a transmission jack.







6. Detach the steering gear from the subframe and tie it up.

7. NOTE: Washers between subframe and body.

Lower the subframe with a transmission jack.

Installation

NOTE: Insert washers between subframe and body. If any of the balls in the washers are missing, renew the washers.







1. Position the subframe using the transmission jack and insert the guide pins.

NOTE: The subframe must not move when the bolts are tightened.







2. Tighten the subframe bolts.
- Remove the guide pins.







3. Install the engine roll restrictor.
1. Engine roll restrictor
2. Engine roll restrictor bolts







4. Attach the steering gear.







5. Attach both front suspensions (right-hand side shown).

NOTE: Use new self-locking nuts.

1. Suspension lower arm
2. Track rod
3. Stabilizer link rod

6. Attach the front wheels and lower the vehicle.







7. Tighten the wheel nuts.