Operation CHARM: Car repair manuals for everyone.
Manuals through 2025 now available!

Our trusted friends have launched a new website named LEMON, which has newer manuals. It also contains all the CHARM manuals.

LEMON is the spiritual successor to CHARM, I recommend you try it!

Link: lemon-manuals.la or lemon-manuals.org.ua

(Some people have issue connecting. LEMON is investigating. For now, use Firefox or change your DNS server)

Or, hide this message: temporarily or permanently

Assembly

Special Tools:






Assembly
1. Clean and check all parts carefully before reassembly.
- Apply Manual transmission fluid to all running surfaces.





2. Using the special tool, install the output shaft roller bearing with bearing cone.
1. Install the oil thrower.
2. Drive the roller bearing home.





3. Install the fifth/reverse gear selector shaft with shift locking bush.
1. Shift selector interlock plate
2. Fifth/reverse gear selector shaft

4. NOTE: Installation position for reverse gear idler.





Install the reverse gear idler, the differential and the permanent magnet.
1. Reverse gear idler
2. Differential
3. Permanent magnet





5. Prepare the input and the output shaft for installation.
1. Engage the input shaft and the output shaft.
2. Position the first/second gear selector fork.
3. Position the third/fourth gear selector fork.





6. Install the input shaft and the output shaft.
- Install a rubber band to the selector shaft to help assembly.
- Insert the input shaft to a depth of approximately 50 mm and swivel slightly to the side.
- Insert the output shaft to the level of the input shaft and engage the gearwheels again.
- Position the input shaft and the output shaft.





7. Install the selector shaft guide sleeve.
1. Push in the guide sleeve.
2. Install the lower snap ring.





8. Install the upper snap ring for the selector shaft guide sleeve
1. Pull up the guide sleeve.
2. Install the upper snap ring.





9. Switch the inner gearshift linkage to fifth gear.
- Turn the selector shaft clockwise until the reverse/fifth gear passage is reached, then press downwards.





10. Install the measuring shim and secure with a blow from a punch.
1. Transaxle housing
2. Measuring shim (3.8 mm thick)
3. Bearing cone

11. NOTE: Thoroughly clean the mating face.





Using the special tool, assemble the transaxle housing.





12. Install the special tools.
- Remove the special tool 308-152.





13. Prepare the differential for measuring.
- Turn the differential at least ten times to settle the bearings.
- Install the special tools and turn special tool 100-002 to "zero".

14. NOTE: Carry out the steps 14 and 15 three times and calculate the average measurement.





Measure the differential end float.
1. Using the special tools, raise the differential.
2. Read off the measurement.
- Example:
- 1. measurement: 0.73 mm
- 2. measurement: 0.74 mm
- 3. measurement: 0.72 mm
^ Average=0.73mm+0.74mm+0.72mm/3= 0.73 mm.
^ The washer thickness to be determined should be rounded down to 0.05 mm and below, and rounded up from 0.06 mm and above.
^ The adjusting shims are available from 0.1 mm to 0.7 mm in steps of 0.1 mm.
^ Continue with step 16.
15. Determine the adjusting shim to be installed(example).
- Thickness of adjusting shim =
- Measuring shims (3.80 mm) +
- Average value (0.73 mm) +
- Bearing preload (0.14 mm) -
- Thickness of the Belleville washers (4.42 mm) =
- 3.80 mm + 0.73 mm + 0.14 mm -4.42 mm = 0.25 mm.
- The thickness of the adjusting shim should be 0.25 mm, which is rounded down to 0.20 mm.





16. Separate the transmission housing sections.
- Remove the special tools.





17. Remove the bearing cone with measuring shim.

18. NOTE: The inner diameters of the Belleville washers are touching.





Install the adjusting shim determined and secure with a blow from a punch.
1. Belleville washers
2. Determined adjusting shim
3. Install the bearing cone and secure it with a punch mark on the edge of the housing.





19. Apply Sealant transaxle housing to the transaxle housing evenly.

20. NOTE: Tighten the stud connections to 33 Nm.





Assemble the transaxle housing and tighten the bolts evenly.

21. NOTE: Use a wooden block.





Install the snap-rings for the input shaft and the output shaft.

22. NOTE: Turn the snap rings so that they are located in the cut-outs in the gasket.





Install the gasket.
- Install the special tools.





23. Install the fifth gear housing.

CAUTION: Remove the transaxle from the special tool 307-003 and carry out the following step on a press.

24. NOTE: The transaxle housing must not rest on the press table. Support the input shaft clutch splines on the press.





Using a press and a suitable tube, install the fifth gear wheel onto the input shaft.
- Install the transaxle to special tool 307-003.





25. Using the special tool, install the snap ring for the fifth gear wheel.
1. Install the snap ring onto the special tool.
2. Install the special tool and push on the snap ring.

26. NOTE: Identification of gear synchronizer installation position.





Assemble the Fifth gear synchronizer unit.
1. Gear wheel (fifth gear)
2. Synchronizer ring.
3. Gear synchronizer
4. Retaining plate





27. Install the fifth gear synchronizer unit with selector fork.
1. Swivel the drive plate upwards.
2. Push on the fifth gear synchronizer unit until it reaches the drive plate.

28. NOTE: Do not tighten the gear selector boss bolt at this stage.





Install the gear selector finger and the snap ring
1. Install the gear selector finger.
2. Install the snap ring for the fifth gear synchronizer unit.

29. NOTE: Only perform the installation in neutral.





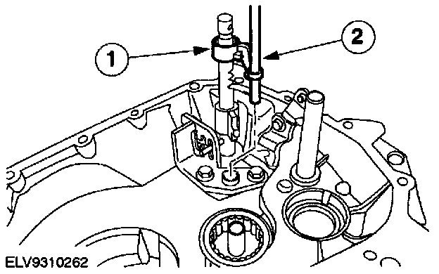
Installation position for selector shaft interlock.

30. NOTE: Only perform the installation in neutral.





Install the selector interlock mechanisms.
- Apply Universal sealant (Hylomar) to the thread.
1. Main interlock mechanism
2. Fifth gear interlock mechanism





31. Install the bracket for the shift cables and the selector cables.
- Install the bellows.

32. NOTE: The fifth gear interlock mechanism must be installed.





Engage fifth gear.
- Press down the selector fork and the gear selector finger together.





33. Engage fifth gear (continued).
- Turn the selector shaft clockwise as far as it will go.





34. Engage fifth gear (continued).
- Turn the selector shaft clockwise as far as it will go and press it in.





35. Adjust the gear selector finger.
1. Turn the selector shaft clockwise and press it down.
2. Raise the gear selector finger to eliminate the end float.
3. Tighten the bolt in this position.





36. Apply End cap sealer evenly to the end cap and install the end cap.
1. Tighten the bolts.
2. Using the special tool, install the input shaft oil seal until it engages audibly.
- Install special tools 308-152.





37. Install the shift lever.
1. Install the snap ring.
2. Push on the cap.
- Install the boot to the shift lever.





38. Install the shift cable cover.





39. Install the Vehicle Speed Sensor (VSS).
1. Connect the VSS.
2. Install the retaining pin.





40. Install the input shaft oil seal and the clutch slave cylinder.
1. Position the input shaft oil seal.
2. Position the clutch slave cylinder.
3. Tighten the bolts evenly. In doing so, press the input shaft oil seal into the transmission housing.
41. Remove the transaxle from the special tool 307-003.