Operation CHARM: Car repair manuals for everyone.
Manuals through 2025 now available!

Our trusted friends have launched a new website named LEMON, which has newer manuals. It also contains all the CHARM manuals.

LEMON is the spiritual successor to CHARM, I recommend you try it!

Link: lemon-manuals.la or lemon-manuals.org.ua

(Some people have issue connecting. LEMON is investigating. For now, use Firefox or change your DNS server)

Or, hide this message: temporarily or permanently

Disassembly

Special Tools:






Disassembly

1. CAUTION: Handle the dual synchronizer parts with care.

General note
- Use vice jaw protectors when performing all the operations.
- Use a copper or plastic hammer.





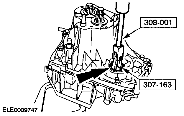
2. Install the special tool.





3. Remove the clutch slave cylinder.
1. Remove the bolts.
2. Remove the clutch slave cylinder.





4. Remove the Vehicle Speed Sensor (VSS).
1. Remove the retaining pin.
2. Remove the VSS.





5. Remove the gearshift cable cover.





6. Remove the selector lever.
1. Remove the protective cap.
2. Remove the snap-ring.
- Remove the boot from the shift lever.





7. Remove the shift and selector cable bracket.
- Remove the boot.





8. Remove the cover and the selector interlock mechanisms.
1. Cover
2. Fifth gear selector interlock mechanism
3. Selector shaft interlock mechanism





9. Remove the retaining rings and the selector finger.
1. Fifth gear wheel retaining ring
2. Fifth gear synchronizer unit retaining ring
3. Loosen bolt and take out selector finger.





10. Remove the fifth gear synchronizer unit together with the selector fork.

11. NOTE: Mark the installation position of the gear synchronizer before disassembling.





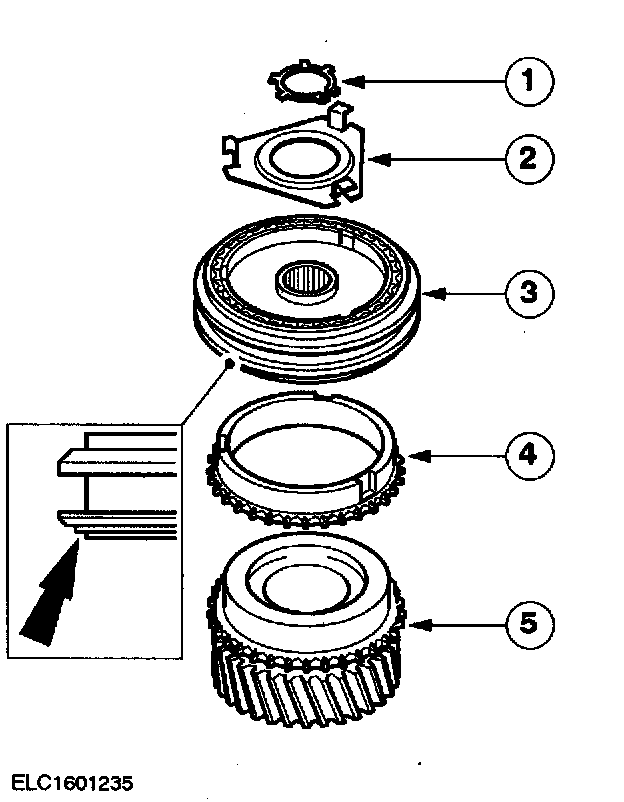
Disassemble the fifth gear synchronizer unit.
1. Snap-ring
2. Retaining plate
3. Gear synchronizer
4. Synchronizer ring
5. Gear wheel (fifth gear)





12. Using the special tool, remove the fifth gear wheel.

13. CAUTION: Do not strike directly on the mating face.





Remove the fifth gear housing.
1. Loosen the bolts and carefully separate the fifth gear housing sections by tapping lightly.
2. Clean the mating face.

14. CAUTION: Do not strike directly on the mating face.





Remove the gasket, the retaining rings and the special tools 308-152.
1. Gasket
2. Output shaft retaining ring
3. Input shaft retaining ring
4. Special tools 308-152.





15. Using the special tool, remove both oil seals (left hand side shown right-hand side similar).
- The reversing lamp switch only needs to be removed for sealing purposes.

16. NOTE: Slightly turn the housing to raise it.





Separate the transmission housing sections.
- Remove the bolts and carefully separate the housing sections by tapping lightly.
- Clean the mating face.





17. Remove the upper snap-ring from the selector rod guide sleeve.
1. Upper snap-ring
2. Push the selector rod guide sleeve downwards.





18. Remove the selector rod guide sleeve.
1. Remove the lower snap-ring from the guide sleeve.
2. Pull off the selector rod guide sleeve.

19. NOTE: Install a rubber belt to auxiliary selector shaft to aid disassembly.





Remove the input and output-shaft together with the selector forks.





20. Remove the reverse idler gear, the differential and the permanent magnet.
1. Reverse gear idler
2. Differential
3. Permanent magnet





21. Remove the selector rod with the locking plate.
1. Shift selector interlock plate
2. Fifth/reverse gear selector rod





22. Remove output shaft roller bearing.
1. Press out the track rollers from the bearing cage.
2. Remove the bearing cage.
3. Drive out the halfshaft oil seal.

23. CAUTION: Only use the special tool in the position indicated, otherwise the blanking plug will be forced out of the housing.





Using the special tool, remove the output shaft bearing cone.
- Remove the oil thrower.

24. NOTE: See step 25 for disc pack installation sequence.





Remove the bearing cone.





25. Differential disc pack installation sequence.
1. Bearing cone
2. Shim
3. Belleville washers





26. Using the special tool, remove the differential bearing cone.