Operation CHARM: Car repair manuals for everyone.
Manuals through 2025 now available!

Our trusted friends have launched a new website named LEMON, which has newer manuals. It also contains all the CHARM manuals.

LEMON is the spiritual successor to CHARM, I recommend you try it!

Link: lemon-manuals.la or lemon-manuals.org.ua

(Some people have issue connecting. LEMON is investigating. For now, use Firefox or change your DNS server)

Or, hide this message: temporarily or permanently

Timing Cover: Service and Repair

Removal
1. Drain the engine coolant.
2. Remove the crankshaft damper.
3. Remove the oil pan to engine front cover bolts.





4. Disconnect the lower radiator hose.
- Reposition the clamp.
- Disconnect the hose.





5. Remove the Crankshaft Position (CKP) sensor.
- Disconnect the sensor.
- Remove the bolts.
- Remove the sensor.

6. Lower the vehicle.





7. Remove the accessory drive belt idler pulley.
- Remove the bolt.
- Remove the pulley.





8. Remove the accessory drive belt tensioner.
- Remove the bolt.
- Remove the tensioner.





9. Remove the bracket.
- Remove the nut.
- Remove the bolt.
- Remove the bracket.





10. Disconnect the heater hose.
- Reposition the clamp.
- Disconnect the hose.





11. Remove the water pump pulley.
- Remove the bolts.
- Remove the pulley.





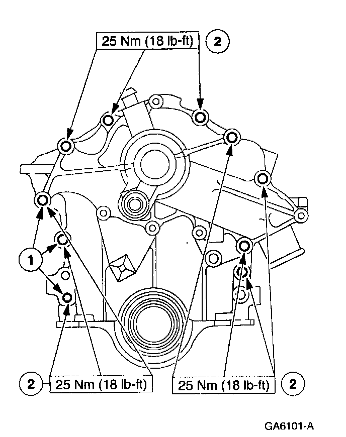
12. Remove the engine front cover and water pump as an assembly.
- Remove the bolts.
- Remove the front cover.





13. Remove and discard the front cover gasket.

Installation





1. Clean all sealing surfaces and position a new front cover gasket.





2. Install the engine front cover and water pump assembly.
1 Apply Pipe Sealant with Teflon D8AZ-19554-A or equivalent meeting Ford specifications WSK-M2G350-A2 and ESR-M18P-A to the bolts indicated.
2 Install the remaining bolts.





3. Install the water pump pulley.
- Install the pulley.
- Install the bolts.





4. Connect the heater hose.
- Connect the hose.
- Position the clamp.





5. Install the bracket.
- Position the bracket.
- Install the bolt.
- Install the nut.





6. Install the accessory drive belt tensioner.
- Position the tensioner.
- Install the bolt.





7. Install the accessory drive belt idler pulley.
- Position the pulley.
- Install the bolt.

8. Raise the vehicle on a hoist.





9. Install the crankshaft position (CKP) sensor.
- Position the sensor.
- Install the bolts.
- Connect the connector.





10. Connect the lower radiator hose.
- Connect the hose.
- Reposition the clamp.

11. Install the oil pan to engine front cover bolts.
12. Install the crankshaft damper.
13. Fill and bleed the cooling system.