Operation CHARM: Car repair manuals for everyone.
Manuals through 2025 now available!

Our trusted friends have launched a new website named LEMON, which has newer manuals. It also contains all the CHARM manuals.

LEMON is the spiritual successor to CHARM, I recommend you try it!

Link: lemon-manuals.la or lemon-manuals.org.ua

(Some people have issue connecting. LEMON is investigating. For now, use Firefox or change your DNS server)

Or, hide this message: temporarily or permanently

Lower



Intake Manifold - Lower


Removal


1. Partially drain the cooling system.
2. Remove the upper intake manifold.
3. Remove the fuel supply manifold.





4. Disconnect the EGR vacuum tube.





5. Disconnect the EGR-to-exhaust manifold tube.
- Loosen the nut.





6. Disconnect the upper radiator hose.
- Reposition the clamp.
- Disconnect the hose.





7. Disconnect the heater hose.
- Compress the fitting
- Disconnect the hose.





8. Disconnect the Intake Manifold Runner Control (IMRC).





9. Position the water bypass tube aside.
1 Remove the bolts.
2 Position the tube aside.





10. Note: Note the location of the six long bolts.

Remove the lower intake manifold.
1 Remove the bolts.
2 Remove the intake manifold.

11. Remove the intake manifold runner control (IMRC) if necessary.





12. Remove and discard the lower intake manifold sealing components.

Installation





1. Refer to the illustration for intake manifold sealing component locations.





2. Install the lower intake manifold front and rear end seals.
1 Apply a bead of sealant to the intake manifold front and rear end seal mounting points as indicated.
- Use Silicone Gasket and Sealant F7AZ-19554-EA or equivalent meeting Ford specification WSE-M4G323-A4.

2 Install the lower intake manifold front and rear end seals.





3. Install the intake manifold gaskets.
4. Install the intake manifold runner control (IMRC) if required.





5. Note: The lower intake manifold must be installed within four minutes of applying sealant.

Position the lower intake manifold.
1 Apply a bead of sealant to the lower intake manifold mounting at the points indicated.
- Use Silicone Gasket and Sealant F7AZ-19554-EA or equivalent meeting Ford specification WSE-M4G323-A4.

2 Position the lower intake manifold.





6. Note: Refer to the location note made during removal and make sure the bolts are installed in the correct location.

Install the six long bolts.





7. Install the eight short bolts.





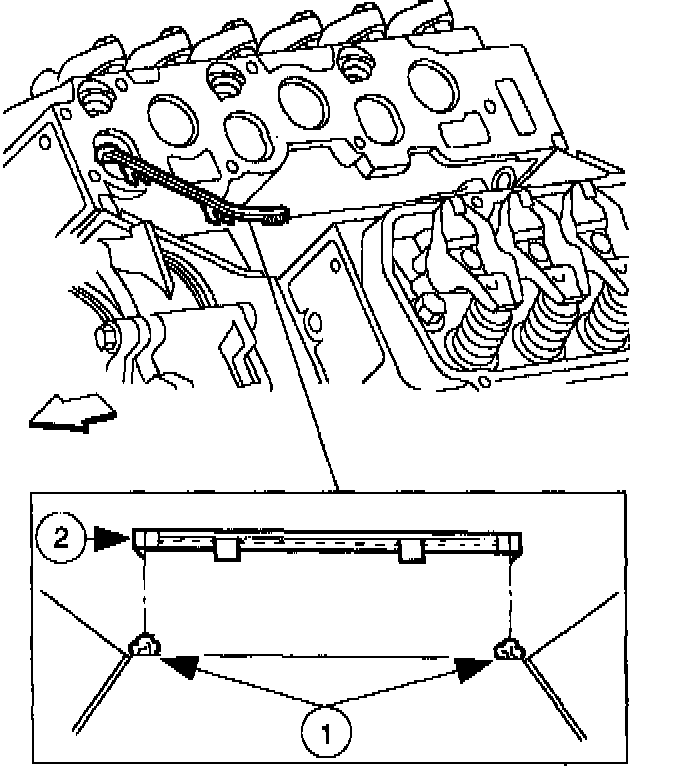
8. Make sure to tighten the bolts in two stages following the sequence shown.
- Stage 1: Tighten to 5 Nm (44 inch lbs.).
- Stage 2: Tighten to 10 Nm (89 inch lbs.).





9. Connect the water bypass tube.
1 Position the tube.
2 Install the bolts.





10. Connect the intake manifold runner control (IMRC) electrical connector.





11. Connect the heater hose.





12. Connect the upper radiator hose.
- Connect the hose.
- Position the clamp.





13. Connect the EGR to exhaust manifold tube.
- Tighten the nut.





14. Connect the EGR vacuum tube.
15. Install the fuel supply manifold.
16. Install the upper intake manifold.
17. Fill and bleed the cooling system.