Operation CHARM: Car repair manuals for everyone.
Manuals through 2025 now available!

Our trusted friends have launched a new website named LEMON, which has newer manuals. It also contains all the CHARM manuals.

LEMON is the spiritual successor to CHARM, I recommend you try it!

Link: lemon-manuals.la or lemon-manuals.org.ua

(Some people have issue connecting. LEMON is investigating. For now, use Firefox or change your DNS server)

Or, hide this message: temporarily or permanently

Power Steering Line/Hose: Service and Repair





Special Tool(s)





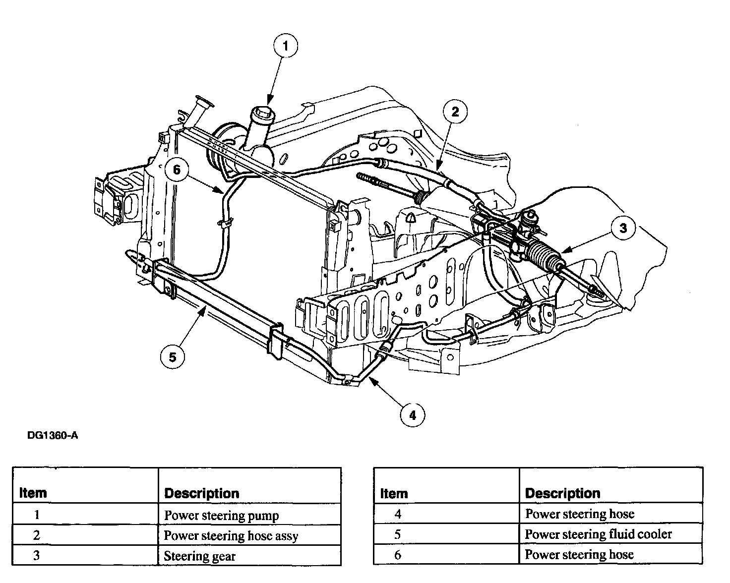
Steering System Components-3.0L Engine (CII Power Steering Pump)








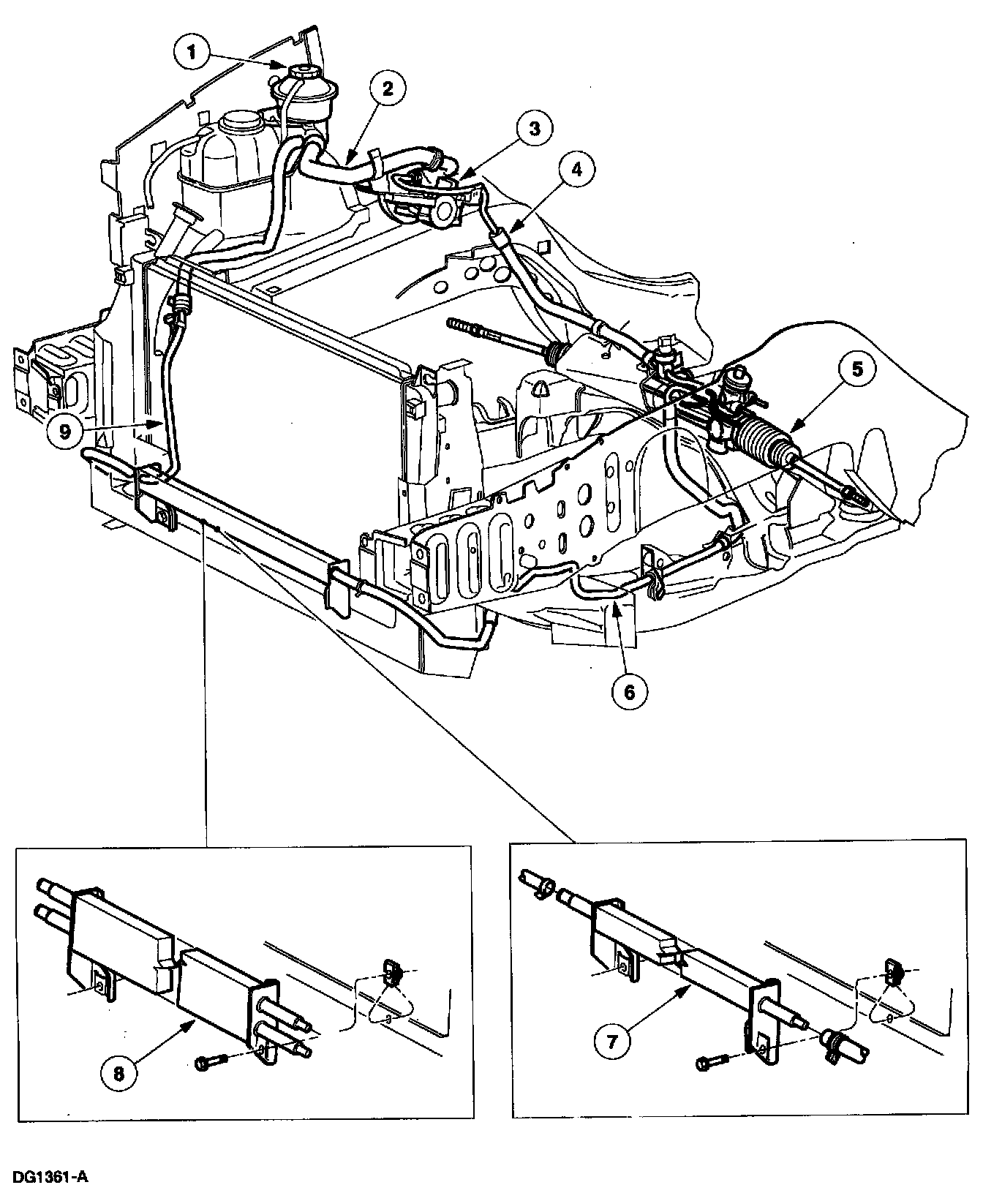
Steering System Components-3.8L Engine (CIII Power Steering Pump)

Removal
1. Refer to illustrations for the hose routing and retention points.

Installation





1. When connecting a fitting with a seal ring, a new seal ring must be installed.
^ The special tool is used to install the return line connector seal and the pressure line connector seal.
2. Fill and leak check the system.