Operation CHARM
: Car repair manuals for everyone.
Home
>>
Ford
>>
2001
>>
Econoline E150 1/2 Ton V6-4.2L VIN 2
>>
Repair and Diagnosis
>>
Diagrams
>>
Exploded Views
>>
Automatic Transmission/Transaxle
>>
4R70W
Manuals through 2025 now available!
Our trusted friends have launched a new website named LEMON, which has newer manuals. It also contains all the CHARM manuals.
LEMON is the spiritual successor to CHARM, I recommend you try it!
Link:
lemon-manuals.la
or
lemon-manuals.org.ua
(Some people have issue connecting. LEMON is investigating. For now, use Firefox or change your DNS server)
Or, hide this message:
temporarily
or
permanently
4R70W
Disassembled Views
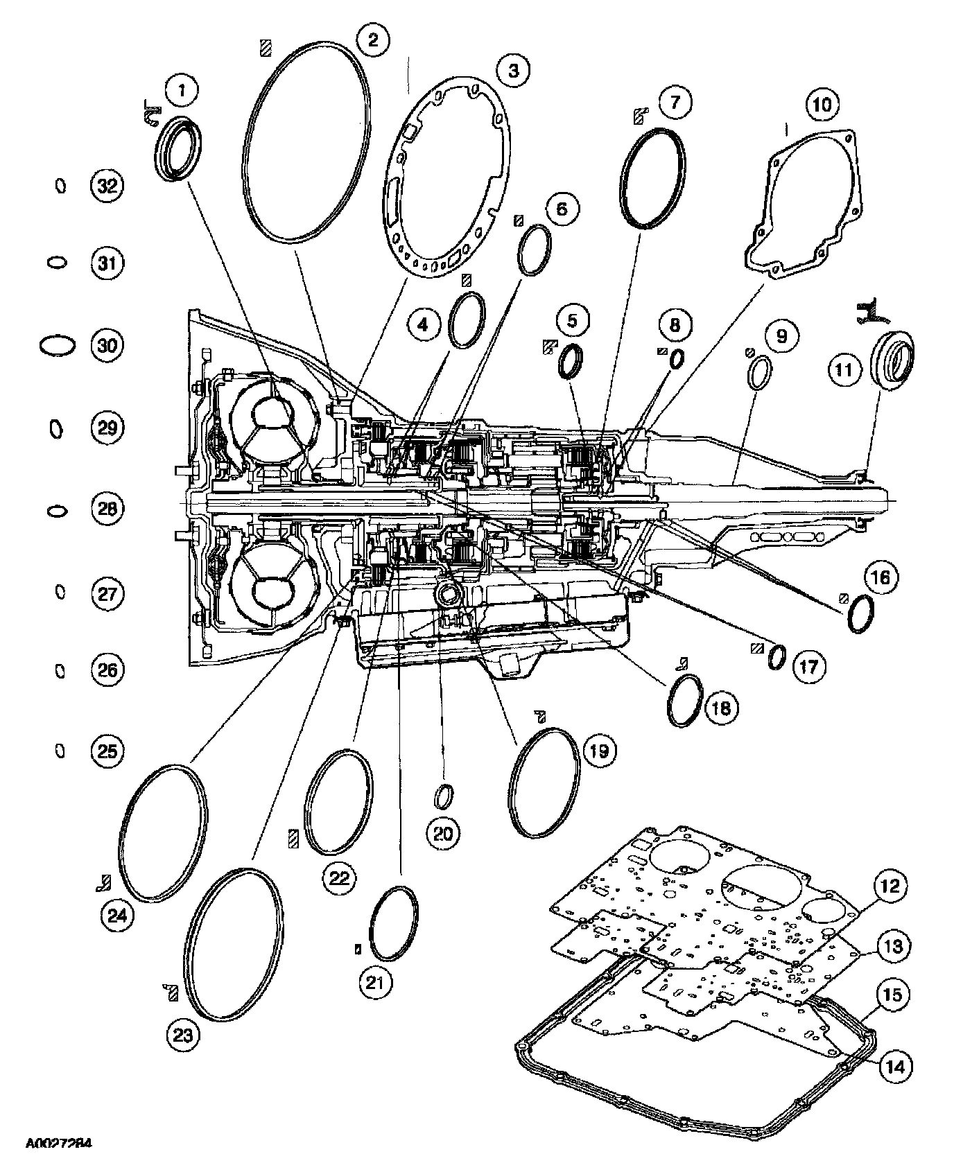
4R70W Automatic Transmission - Disassembled View
Bushings, Bearing and Thrust Washer Locator
Seals, Rings and Gasket Locator
Main Components and Functions
Transmission Main Components - Sectional View