Operation CHARM: Car repair manuals for everyone.
Manuals through 2025 now available!

Our trusted friends have launched a new website named LEMON, which has newer manuals. It also contains all the CHARM manuals.

LEMON is the spiritual successor to CHARM, I recommend you try it!

Link: lemon-manuals.la or lemon-manuals.org.ua

(Some people have issue connecting. LEMON is investigating. For now, use Firefox or change your DNS server)

Or, hide this message: temporarily or permanently

Disassembly




NOTE: Ford does not provide camshaft gear timing marks, or information to perform timing belt service without the special tools shown in this procedure.

Special Tools:





Special Tools:





Special Tools


Disassembly

All vehicles
1. General remarks.
^ The engine remains hooked onto the workshop hoist until the assembly stand can be attached.
^ If the engine is positioned on the assembly stand and needs to be temporarily unhooked from the workshop hoist. then it must be secured with retaining straps.
^ Cut cable ties as necessary and install new during installation.





2. Detach the catalytic converter bracket.





3. Detach the catalytic converter.
1. Detach the heat shield.
2. Remove the EGR pipe.
3. Unscrew the bolt from the catalytic converter bracket.





4. Detach the catalytic converter (cont.).





5. Disconnect the multiplug from the oil pressure switch and the knock sensor (KS).





6. Detach the generator.
1. Disconnect the positive cable.
2. Unscrew the bolt.
3. Loosen the bolt.





7. Detach the intake manifold.
^ Remove the five bolts and unscrew two nuts.





8. Detach the ancillary components on the intake side.
1. Generator mounting bracket
2. Oil filter
3. Knock sensor (KS)
4. Oil pressure switch
9. Attach the engine to the assembly stand.





10. Detach the ancillary components on the exhaust side.
1. Bracket for power steering pump
2. Bracket for air conditioning compressor





11. Disconnect the positive crankcase ventilation.





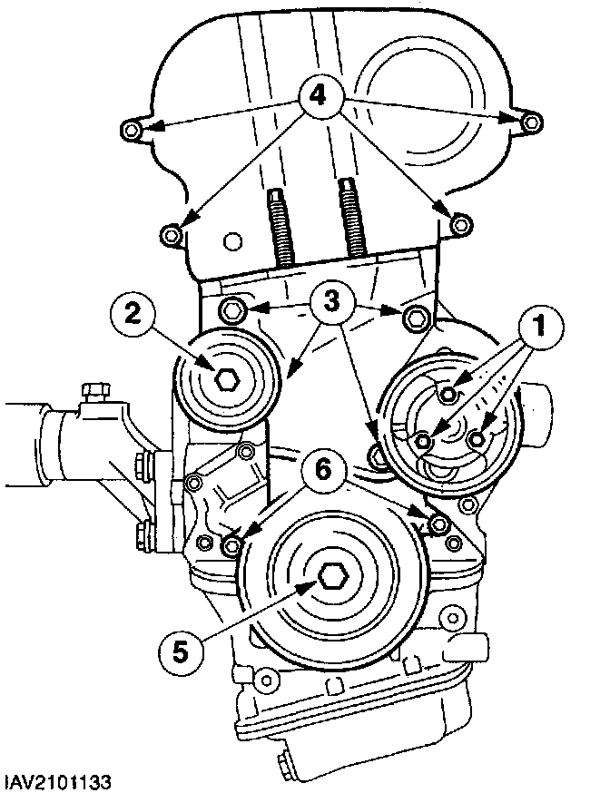
12. Detach the timing belt cover.
1. Water pump belt pulley
2. Drive belt idler pulley
3. Center timing belt cover/front engine mounting bracket
4. Upper timing belt cover

NOTE: Immobilize the flywheel using Special Tool 303-103.

5. Detach the pulley/vibration damper from the crankshaft.
6. Lower timing belt cover





13. CAUTION:
^ Do not pull the spark plug connectors by the wire when removing them. If necessary pull off the ignition cables from the ignition coils to prevent kinking the cables. Slightly twist the spark plug connectors before removing them in order to loosen the seals.
^ Pull off the spark plug connectors in line with the spark plugs. Detach the cylinder head cover.
^ Pull off the spark plug connectors.

1. Remove the bolts.
2. Remove the spark plugs.





14. Detach the timing belt drive and the water pump.
1. Slacken the timing belt tensioner by twisting it counterclockwise and detach it.
2. Remove the timing belt.
3. Detach the upper idler pulley.
4. Detach the water pump.
5. Detach the crankshaft timing pulley and the thrust washer.





15. Detach the camshaft timing pulleys.
^ Use the special tool to stop them turning.





16. NOTE: Working in several stages, evenly loosen each bolt two turns at a time in the indicated sequence and remove the bolts.

Detach the camshaft bearing caps.
^ Remove the oil seals.
^ Take out the camshafts.
^ Remove the valve tappets and lay them in order to one side.





17. CAUTION:
^ Center-punch the bolts once or twice to mark them for re-use. The bolts can be re-used twice. Discard the bolts as necessary.
^ The cylinder head must cool down to room temperature before proceeding.

NOTE: Loosening sequence.

Remove the cylinder head bolts.

18. Lift off the cylinder head.
^ Hook the workshop hoist onto the engine lifting eyes, lift off the cylinder head and place it down onto clean blocks of wood.





Vehicles with manual transmission
19. Detach the clutch pressure plate and the clutch disc.





All vehicles
20. Detach the flywheel.
^ Detach the special tool.





21. Remove the oil pan bolts.





22. CAUTION: Do not damage the mating faces.

Remove the oil pan (shown with engine removed).
^ Separate the oil pan from the lower crankcase using a sharp spatula. Release the oil pan from the lower crankcase by tapping slightly against the tightened drain plug with a rubber hammer.





23. Detach the oil intake pipe and the lower crankcase.
1. Oil intake pipe bolts
2. Lower crankcase bolts





24. Detach the oil pump.





25. Detach the crankshaft rear oil seal carrier and the crankshaft position (CKP) sensor together with its bracket.





26. NOTE: Lay all parts in order to one side.

Remove the crankshaft and pistons.
1. Detach the connecting rod bearing caps.
2. Detach the main bearing caps.
3. Take out the crankshaft and press out the pistons with the connecting rods.