Operation CHARM: Car repair manuals for everyone.
Manuals through 2025 now available!

Our trusted friends have launched a new website named LEMON, which has newer manuals. It also contains all the CHARM manuals.

LEMON is the spiritual successor to CHARM, I recommend you try it!

Link: lemon-manuals.la or lemon-manuals.org.ua

(Some people have issue connecting. LEMON is investigating. For now, use Firefox or change your DNS server)

Or, hide this message: temporarily or permanently

General Module

DETAILED DIAGRAMS


Diagram 419-10-00-1:






Diagram 419-10-00-2:






Diagram 419-10-00-3:






Diagram 419-10-00-4:






RELATED DIAGRAMS


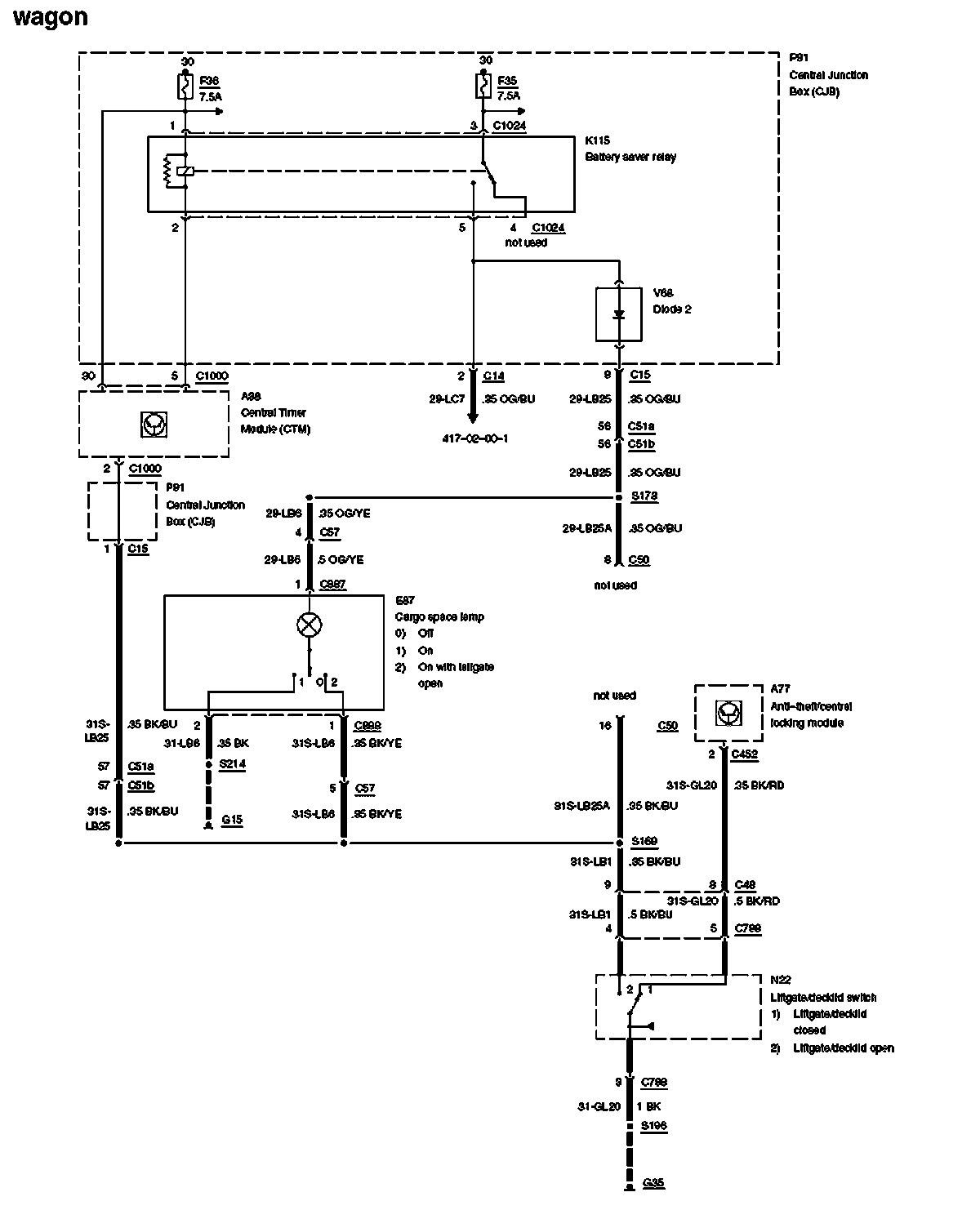
Diagram 417-01-00-19 (wagon):






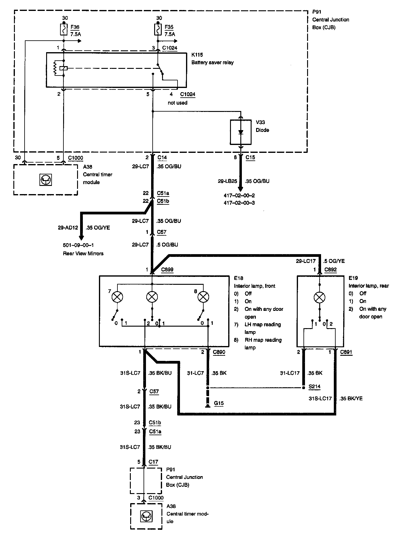
Diagram 417-02-00-1:






Diagram 417-02-00-2:






Diagram 417-02-00-3:






Diagram 417-02-00-4:






Diagram 418-00b-00-1:






Diagram 501-16-00-2:






Diagram 501-16-00-3:






Diagram 700-02-00-11: