Operation CHARM: Car repair manuals for everyone.
Manuals through 2025 now available!

Our trusted friends have launched a new website named LEMON, which has newer manuals. It also contains all the CHARM manuals.

LEMON is the spiritual successor to CHARM, I recommend you try it!

Link: lemon-manuals.la or lemon-manuals.org.ua

(Some people have issue connecting. LEMON is investigating. For now, use Firefox or change your DNS server)

Or, hide this message: temporarily or permanently

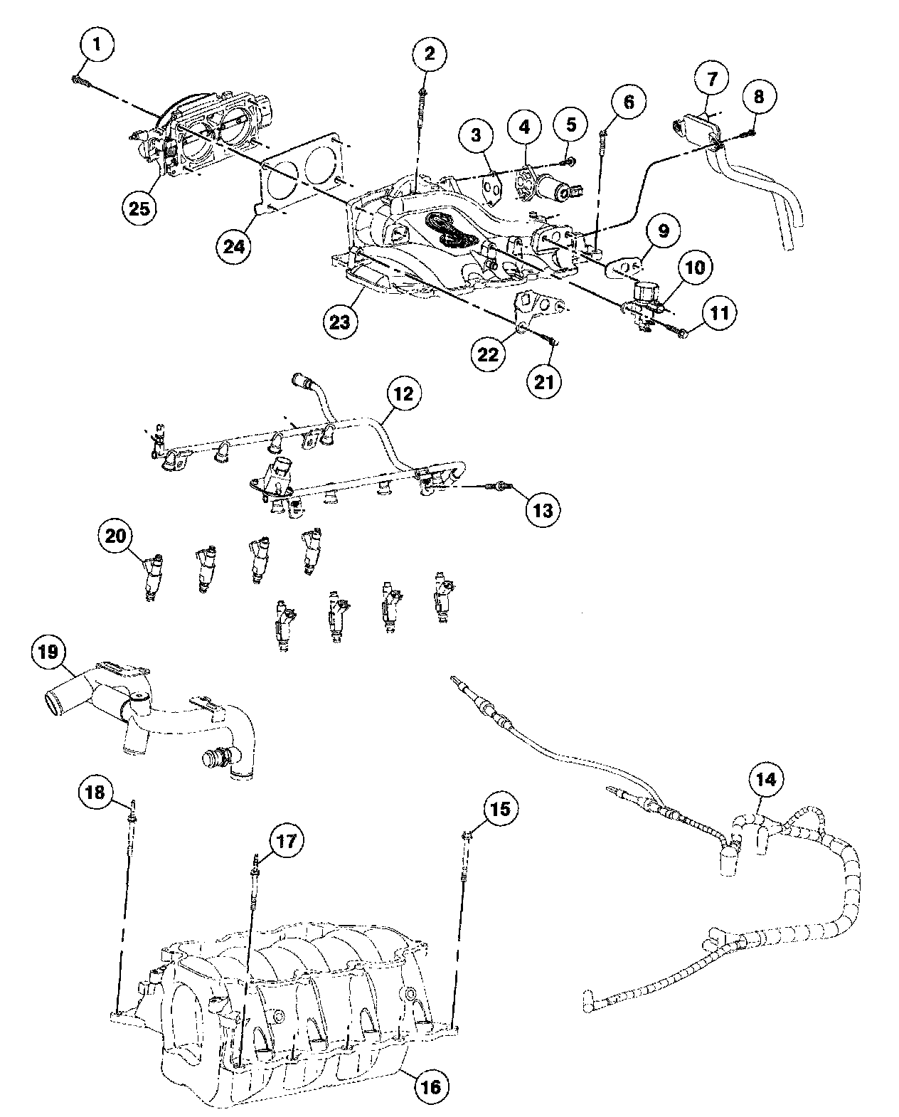
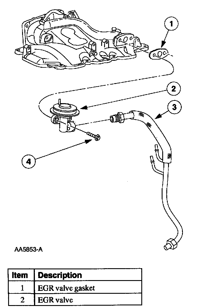
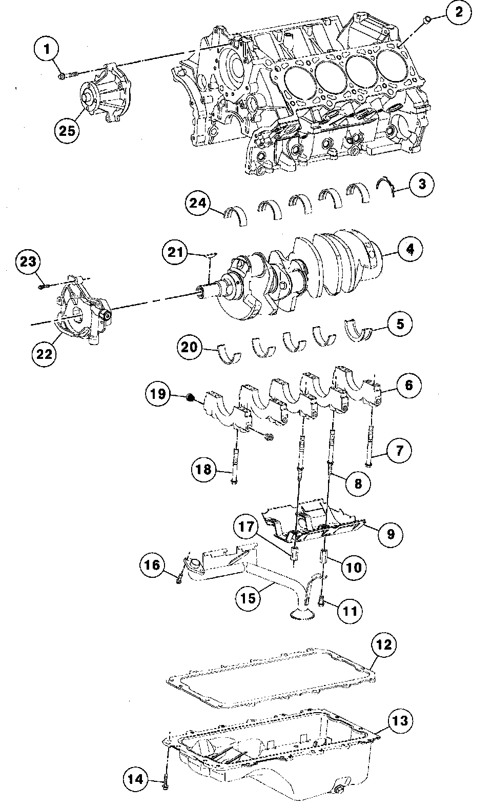
Engine





Part 1 of 23





Part 2 of 23





Part 3 of 23





Part 4 of 23





Part 5 of 23





Part 6 of 23





Part 7 of 23





Part 8 of 23





Part 9 of 23





Part 10 of 23





Part 11 of 23





Part 12 of 23





Part 13 of 23





Part 14 of 23





Part 15 of 23





Part 16 of 23





Part 17 of 23





Part 18 of 23





Part 19 of 23





Part 20 of 23





Part 21 of 23





Part 22 of 23





Part 23 of 23