Operation CHARM: Car repair manuals for everyone.
Manuals through 2025 now available!

Our trusted friends have launched a new website named LEMON, which has newer manuals. It also contains all the CHARM manuals.

LEMON is the spiritual successor to CHARM, I recommend you try it!

Link: lemon-manuals.la or lemon-manuals.org.ua

(Some people have issue connecting. LEMON is investigating. For now, use Firefox or change your DNS server)

Or, hide this message: temporarily or permanently

Timing Components: Service and Repair

Removal

Timing Drive Components Special Tools:






CAUTION: Since the engine is not free-wheeling, timing procedures must be followed exactly or piston and valve damage can occur.


1. Remove the engine front cover. For additional information, refer to Engine Timing Cover. Service and Repair






2. Remove the crankshaft sensor ring from the crankshaft.


Ignition Coil:






3. Disconnect the eight ignition coil electrical connectors.


Ignition Coil Bolt Removal:





4. Remove the bolts and the eight ignition coils.


5. NOTE: Use compressed air to remove any foreign material from the spark plug wells before removing the spark plugs.

Spark Plug Removal:





Remove the spark plugs.

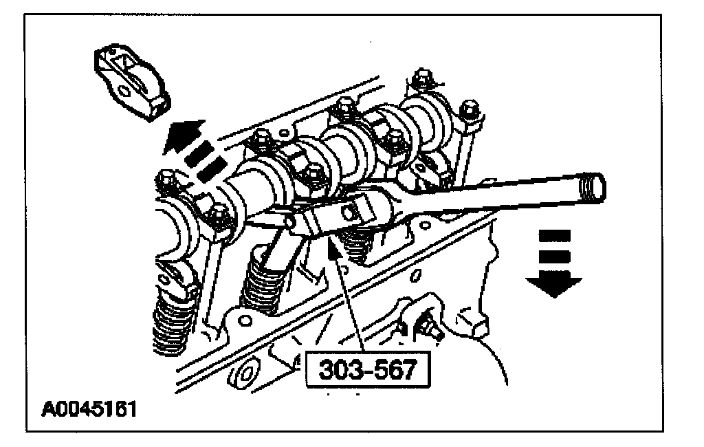
6. NOTE: Rotate the camshaft to the base circle of the camshaft lobe before removing the followers. keep the roller followers in order when removing.

Removing Camshaft Follower:





Using the special tool, remove the 16 roller followers. Rotate the crankshaft and camshaft as necessary.






7. Remove the bolts and the LH timing chain tensioner.






8. Remove the bolts and the RH timing chain tensioner.






9. Remove the LH and the RH timing chain tensioner arm from the dowel pins.


10. Remove the timing chains and the crankshaft sprocket.






11. Remove the timing chain guides.

1. Remove the bolts.

2. Remove the LH timing chain guide.

3. Remove the bolts.

4. Remove the RH timing chain guide.

12. NOTE: RH shown, LH similar.


Special Tool:





Install the special tool.






13. NOTE: RH shown, LH similar.

Remove the bolt and the camshaft gear.


Installation


1. CAUTION: The timing chain procedures must be followed exactly or damage to the valve and pistons will result.






Compress the tensioner plunger, using an edge of a vise.






2. While holding the ratchet mechanism, push the ratchet arm back into the tensioner housing.







3. Install a paper clip into the hole in the tensioner housing to hold the ratchet assembly and plunger in during installation.



Marked Links:





4. If the copper links are not visible, mark one link on one end and one link on the other end, and use as timing marks.

5. Install the camshaft sprockets and tighten the bolts in two stages.

1. Stage 1: Tighten the bolt to 40 Nm (30 lb-ft).

2. Stage 2: Tighten the bolt an additional 90 degrees (1/4 turn).











6. Remove the special tool.


Special Tool, Position Cyl.1 At TDC.:





7. Using the special tool, position the crankshaft so the number one cylinder is at TDC.

8. Remove the special tool.






9. Install the crankshaft sprocket, making sure the flange faces forward.






10. Install the timing chain guide.

1. Position the LH timing chain guide.

2. Install and tighten the LH bolts.

3. Position the RH timing chain guide.

4. Install and tighten the RH bolts.


Installing Timing Chains:





11. Install the timing chains.

- Install the LH (inner) timing chain on the crankshaft sprocket, aligning the copper link with the dot on the crankshaft sprocket.

- Install the LH (inner) timing chain on the camshaft sprocket, aligning the copper link with the dot on the camshaft sprocket.

- Install the RH (outer) timing chain on the crankshaft sprocket, aligning the copper link with the dot on the crankshaft sprocket.

- Install the RH (outer) timing chain on the camshaft sprocket, aligning the copper link with the dot on the camshaft sprocket.



Aligning Chain Marks:





12. Make sure that the copper (marked) chain links are lined up with the dots on the crankshaft sprocket and the camshaft sprockets.

13. NOTE: The LH timing chain tensioner arm has a bump near the dowel hole, for identification.






Position the LH and the RH timing chain tensioner arm on the dowel pins.






14. Position the RH timing chain tensioner and install the bolts.






15. Position the LH timing chain tensioner and install the bolts.


16. Remove the paper clip from the RH and the LH timing chain tensioners.

Installing Roller Cam Followers:





17. NOTE: Rotate the camshaft to the base circle of the camshaft lobe before installing the roller followers.

NOTE: keep all the roller followers in order when installing.


Using the special tool, install the 16 roller followers.


Reinstall Spark Plugs:





18. Install the eight spark plugs.


Reinstall Ignition Coils & Bolts:





19. Install the eight ignition coils and bolts.


Ignition Coil:





20. Connect the eight ignition coil electrical connectors.







21. Install the crankshaft sensor ring on the crankshaft.

22. Install the engine front cover. For additional information, refer to Timing Cover. Service and Repair