Automatic Transmission/Transaxle
Disassembled ViewsItem 1 - 52
Item 53 - 99
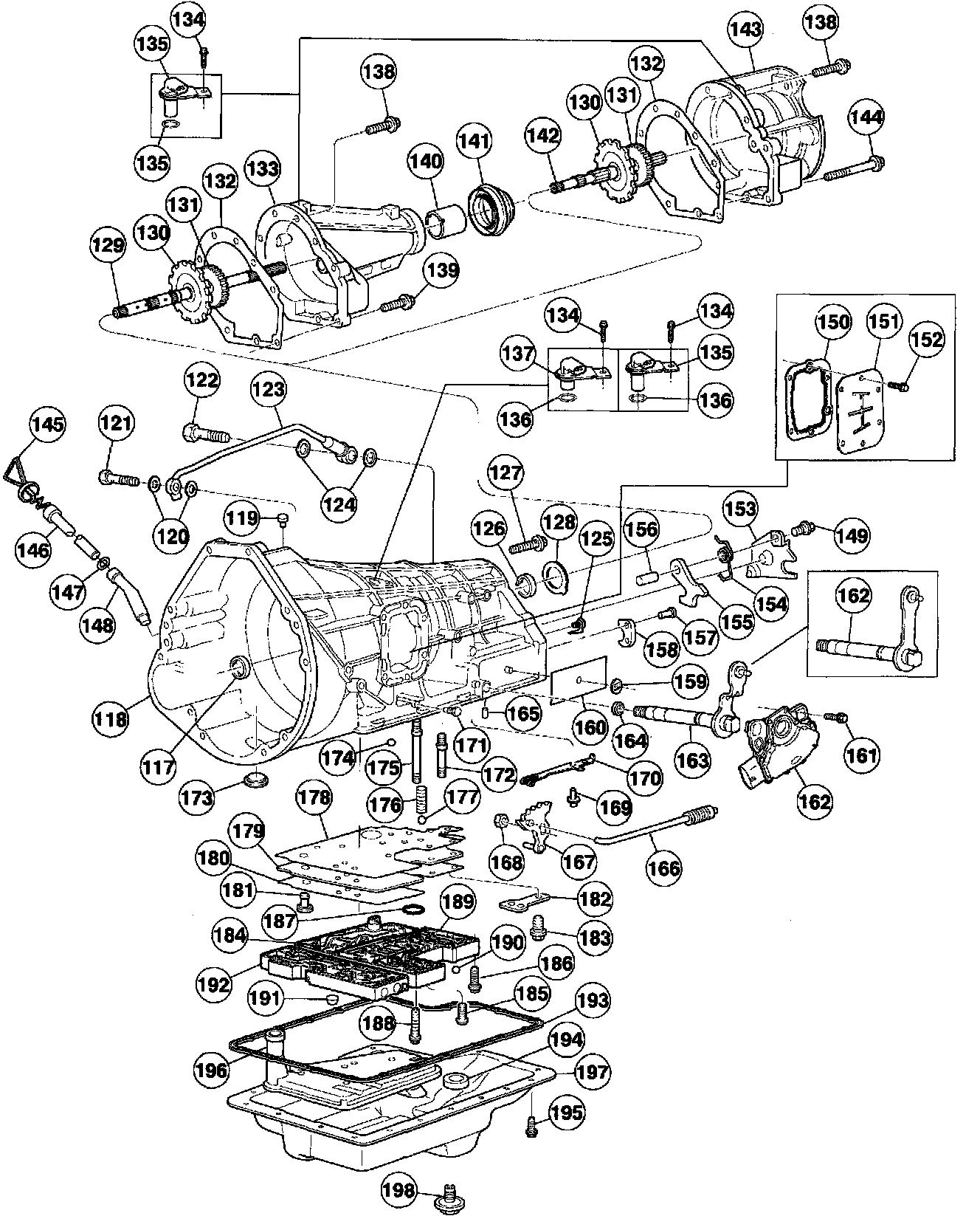
Item 100 - 148
Item 149 - D
Item E - G
Transmission, Disassembled View
Item 1 - 14
Item 15 - 28
Bushings, Bearing and Thrust Washer Locator
Item 1 - 3
Item 4 - 33
Seals, Rings and Gasket Locator