Operation CHARM
: Car repair manuals for everyone.
Home
>>
Ford
>>
2002
>>
Excursion 2WD V8-7.3L DSL Turbo VIN F
>>
Repair and Diagnosis
>>
Diagrams
>>
Exploded Views
>>
Manual Transmission/Transaxle
>>
System Diagram
Manuals through 2025 now available!
Our trusted friends have launched a new website named LEMON, which has newer manuals. It also contains all the CHARM manuals.
LEMON is the spiritual successor to CHARM, I recommend you try it!
Link:
lemon-manuals.la
or
lemon-manuals.org.ua
(Some people have issue connecting. LEMON is investigating. For now, use Firefox or change your DNS server)
Or, hide this message:
temporarily
or
permanently
System Diagram
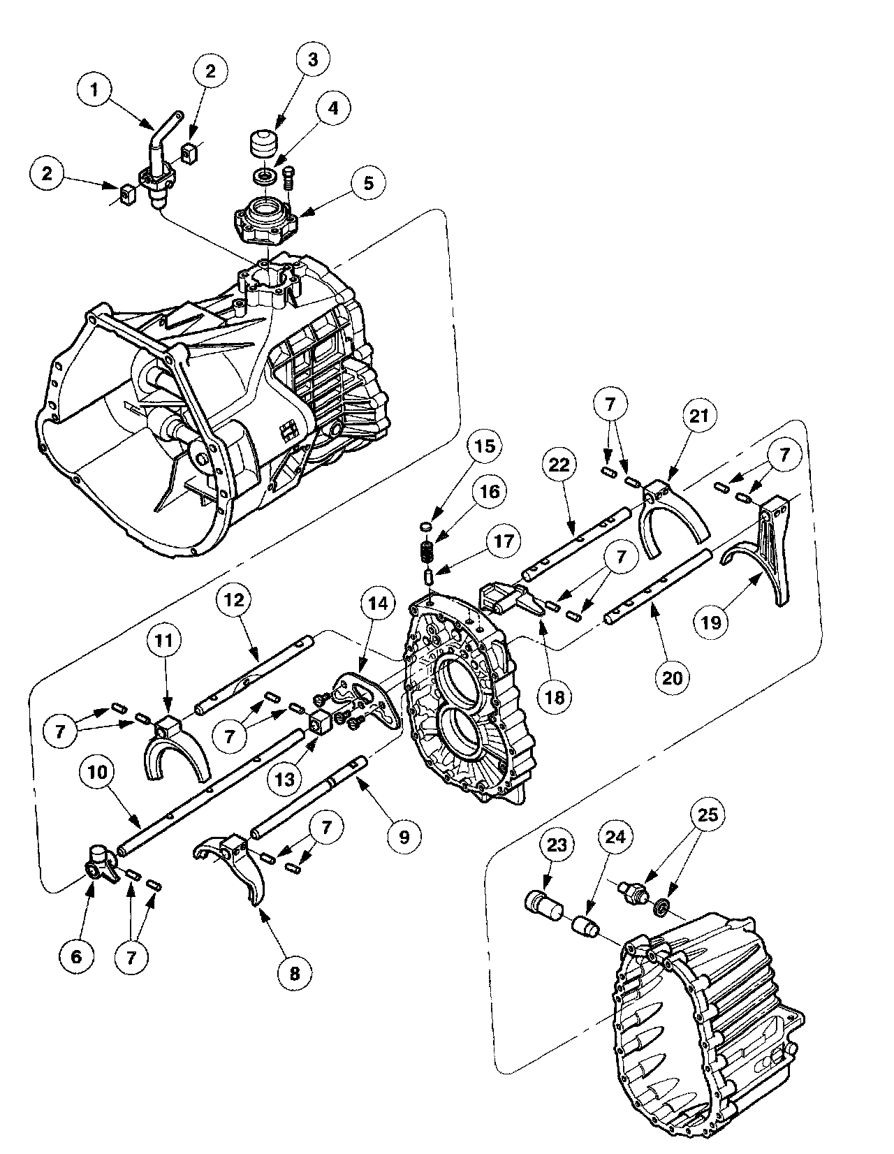
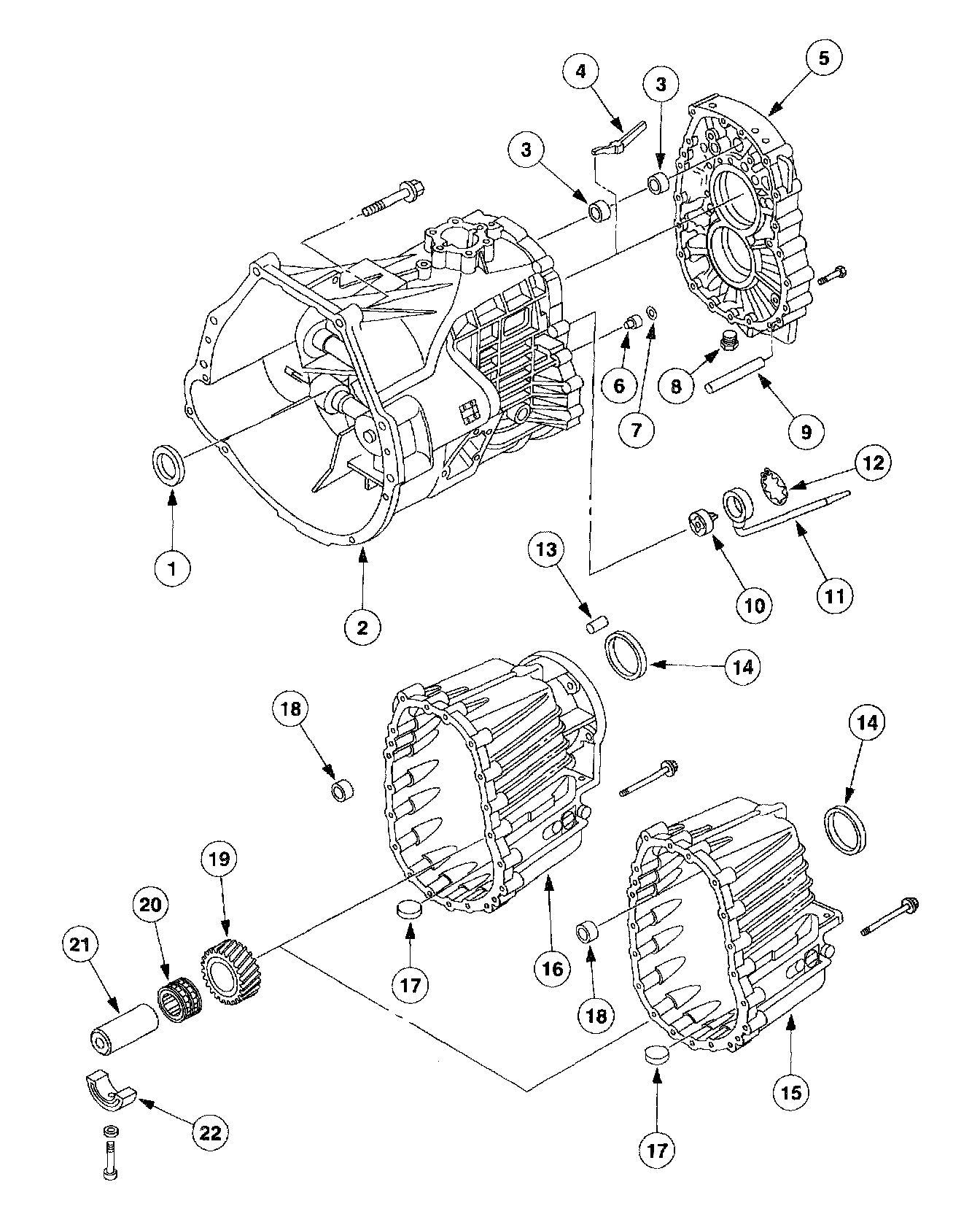
Manual Transmission
Item 1 - 43
Transmission Internal Components-Disassembled View
Item 1 - 22
Transmission Internal Components-Disassembled View
Item 1 - 25
Transmission Shift Components-Disassembled View