Operation CHARM: Car repair manuals for everyone.
Manuals through 2025 now available!

Our trusted friends have launched a new website named LEMON, which has newer manuals. It also contains all the CHARM manuals.

LEMON is the spiritual successor to CHARM, I recommend you try it!

Link: lemon-manuals.la or lemon-manuals.org.ua

(Some people have issue connecting. LEMON is investigating. For now, use Firefox or change your DNS server)

Or, hide this message: temporarily or permanently

Diesel On Board Diagnostics II System

Overview
The California Air Resources Board (ARB) began regulation of On Board Diagnostic (OBD) for diesel vehicles sold in California beginning with the 1997 model year. OBD II requires monitoring of emission-related components. The Malfunction Indicator Lamp (MIL) is required to light and alert the driver of a malfunction and the need for service of the emission control system. The MIL must be labeled SERVICE ENGINE SOON. A fault code or Diagnostic Trouble Code (DTC) is associated with the MIL identifying the specific area of the fault.

NOTE: The OBD II system is used on California vehicles under 14,000 GVW, and all Excursion vehicles.

The OBD II system meets government regulations by monitoring the emission control system. When a system or component exceeds emission thresholds or a component operates outside of tolerance, a Diagnostic Trouble Code (DTC) will be stored and the Malfunction Indicator Lamp (MIL) will be illuminated.

The OBD II Monitors detect system faults and initiate DTC setting and MIL activation. Fault detection strategy and MIL operation are associated with drive cycles. An OBD II pending DTC is stored in the PCM keep alive random access memory when a fault is first detected. The MIL is turned on after two consecutive drive cycles with the fault and the DTC is set. The DTC is cleared after 40 engine warm-up cycles without the fault being detected once the MIL is turned off. Once a Monitor turns on the MIL, it will require three consecutive drive cycles without a fault for the MIL to turn off. The operation of each of the OBD II Monitors is discussed in detail.

The On Board diagnostic computer program in the electronic Powertrain Control Module (PCM) coordinates the OBD II self-monitoring system. This program controls all the monitors and interactions, DTC and MIL operation, Freeze Frame data and scan tool interface.

Freeze Frame data describes stored engine conditions such as state of the engine rpm and load at the point the first fault is detected. This data is accessible with the scan tool to assist in repairing the vehicle.

OBD II Inspection Maintenance (IM) Readiness DTC P1000 indicates that not all of the OBD II monitors have been completed since the PCM's keep alive random access memory was last cleared. In some states, it may not be possible to obtain vehicle registration if P1000 is detected during inspection. To erase DTC P1000 from the PCM, operate the vehicle until it is erased or use the manufacturer's specified drive cycle.

The On Board Diagnostic System is comprised of the Comprehensive Component Monitor, Glow Plug Monitor and Misfire Detection Monitor.

Diesel On Board Diagnostics II Monitors
It provides a general description of each OBD II monitor. In these descriptions, the monitor strategy, hardware, testing requirements and methods are presented together to provide an overall understanding of each monitor operation. An illustration for each monitor is also provided to aid in the description. These illustrations should be used as typical examples and are not intended to represent all the possible configurations.

Each illustration depicts the Powertrain Control Module (PCM) as the main focus with the primary inputs and outputs for each monitor. The icons to the left of the PCM represent the inputs used by each of the monitor strategies to enable or activate the monitor. The components and subsystems to the right of the PCM represent the hardware and signals used while performing the tests and the systems being tested. The Comprehensive Component Monitor illustration has numerous components and signals involved and is shown generically. When referring to the illustrations, match the numbers to the corresponding numbers in the monitor descriptions for a better comprehension of the monitor and associated Diagnostic Trouble Codes (DTCs).

These monitor descriptions are intended as general information only.

Deviations From Standard Gasoline Implementation of OBD II
1. The Parameter IDs (PID) that are supported according to OBD II regulations are limited to: Calculated Load Value, MAP, VSS, IAT, and Engine Speed. Values for the other parameters are not accurate and are defaulted.
2. The Freeze Frame supports the following limited list of parameters: Freeze Frame Related Trouble Code, MAP, VSS and Engine Speed. Values for the other parameters are not representative and are defaulted.
3. Readiness (i.e.: all monitors complete) is based on diagnostics for the following 7.3L diesel engine systems:
^ Comprehensive Component Monitor (CCM)
^ Misfire Detection Monitor

The glow plug monitor is part of the comprehensive component monitor.

Readiness is based on every OBD II code (component) having run sufficiently to have found a fault without regard to whether or not a fault exists.

4. The drive cycle provided in Diagnostic Methods is used to clear a P1000 code. Note that the diesel differs substantially from the gasoline system.







5. Unlike Ford gasoline vehicles, the OBD II command to Clear Codes will ONLY clear the OBD II system. Clearing codes from the vehicle specific menu will clear BOTH the manufacturer/vehicle specific codes and the OBD II codes. These icons are used in the illustrations of the OBD II monitors.

Comprehensive Component Monitor


Comprehensive Component Monitor:






The Comprehensive Component Monitor (CCM) is an on-board strategy designed to monitor a fault in any electronic component or circuit that provides input or output signal to the Powertrain Control Module (PCM) and is not exclusively monitored by another monitor system. Inputs and outputs are considered inoperative when a failure exists due to a lack of circuit continuity, out-of-range value, or a failed rationality check.

The CCM covers many components and their circuits. The tests vary depending on the hardware, function, and type of signal. For example, analog inputs are typically checked for opens, shorts, out of range values and rationality. This type of monitoring is performed continuously. These tests may require the monitoring of several components and can only be performed under the appropriate test conditions. Some outputs are also monitored for the correct function by observing the reaction of the control system to a given change in the output command. An example of this would be the Injection Pressure Regulator (IPR) Valve.

In general, the CCM covers a broad range of individual component and circuit checks and testing is performed under various conditions. The CCM is enabled after the ignition switch is turned on for five seconds. Certain conditions are required before some components can be tested totally complete. A Diagnostic Trouble Code (DTC) is stored in continuous memory when a fault is determined, and the Malfunction Indicator Lamp (MIL) is activated if the fault detected affects emissions. Most of the CCM Monitor tests are also performed during on demand self-test.

The following is an example of some of the input and output components monitored by the CCM. The components monitored may belong to the engine, transmission or any other PCM supported subsystem.
1. Inputs:
Engine Oil Temperature, Accelerator Position Sensor (AP), Camshaft Position (CMP),...
2. Outputs:
Injection Pressure Regulator, Fuel Delivery Command Signal (FDCS), Shift Solenoid (SS), Torque Converter Clutch (TCC),...
3. The MIL is activated after a fault is detected on two consecutive drive cycles, if the fault detected affects emissions.

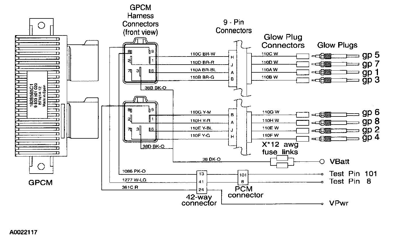
Glow Plug Monitor







Glow Plug Monitor:






A diesel engine calibrated for California vehicles under 14,000 GVW and all Excursion vehicles utilize a Glow Plug Monitor (GPM) system designed to locate failed glow plugs or failed wiring in the glow plug system. Diagnostic Trouble Codes (DTCs) indicate which bank has failed glow plugs or failed glow plug wiring.

The California glow plug system is composed of solid state Glow Plug Control Module (GPCM), glow plugs and the associated wiring harness. The glow plug on-time is controlled by the Powertrain Control Module (PCM) and is a function of oil temperature, barometric pressure and battery voltage. The PCM enables the GPCM which drives the individual glow plugs. Glow plug on-time normal varies between 1 to 120 seconds. In addition to the PCM control, the GPCM internal limits the glow plug operation to 180 seconds regardless of PCM commanded on-time. The power to the glow plugs is provided through the GPCM solid state drivers directly from the vehicle battery. The GPCM monitors and detects individual glow plug functionality, and the control and communication links to the PCM. The failures detected by the GPCM are passed to the PCM using a serial communication signal on the diagnostic line.

NOTE: Wait to start lamp on time is independent from GPCM on time.

The Key On Engine Off (KOEO) test is performed in order to test the GPCM control circuit for failure. Glow plugs are not operated during this test.

The Glow Plug Monitor Self Test is a functional KOER test of the Powertrain Control Module (PCM) performed on demand with the engine running and the A/C off. The PCM will activate the GPCM which monitors the glow plugs. The pedal may be used to increase the engine speed to increase voltage if needed. A fault must be present at the time of testing for the test to detect a fault. The trouble codes will be sent to the PCM on the diagnostic line and outputted to the scan tool.

The following is an example of some of the input and output components monitored by the GP monitor. The components monitored belong to the engine system.
1. Inputs:
Engine Oil Temperature, Barometric Pressure Sensor (BARO),...
2. Outputs:
Glow Plug Control Module (GPCM)
3. The MIL is activated after a fault is detected on two consecutive drive cycles, if the fault detected affects emissions.