Operation CHARM: Car repair manuals for everyone.
Manuals through 2025 now available!

Our trusted friends have launched a new website named LEMON, which has newer manuals. It also contains all the CHARM manuals.

LEMON is the spiritual successor to CHARM, I recommend you try it!

Link: lemon-manuals.la or lemon-manuals.org.ua

(Some people have issue connecting. LEMON is investigating. For now, use Firefox or change your DNS server)

Or, hide this message: temporarily or permanently

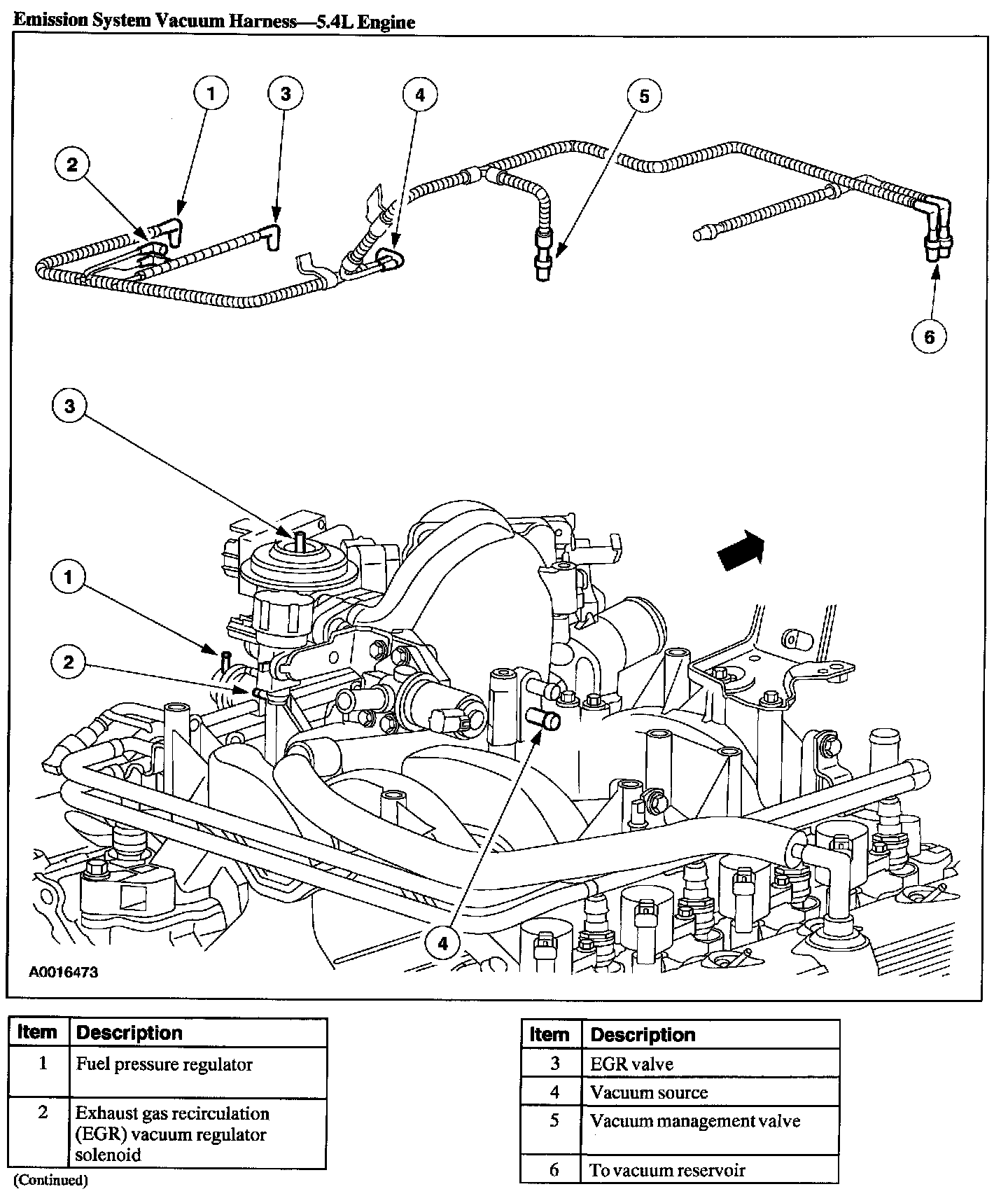
Emission Control Systems: Description and Operation

Emission System Vacuum Harness:






CAUTION: Do not remove any part of the engine emission control system. Operating the engine without the engine emission control system will reduce fuel economy and engine ventilation. This will weaken engine performance and shorten engine life.

Some engines are equipped with an Exhaust Gas Recirculation (EGR) system. The function of the EGR system is to reduce the emission of Nitrogen Oxide (NOx).

The engine emission control consists of the following components:
^ EGR valve
^ vacuum regulator solenoid
^ EGR tube
^ emission control vacuum harness


PCV Valve:






All engines are equipped with a Positive Crankcase Ventilation (PCV) system. The function of the PCV system is to circulate blow-by gases from the engine crankcase to the engine intake.

The PCV system consists of:
^ PCV valve
^ ventilation hose

For further description and operation, refer to Computers and Control Systems.