Crankshaft Position Sensor: Service and Repair
REMOVAL1. Disconnect the battery negative cable.
2. Remove the accessory drive belt.
3. Raise and support the vehicle.
4. Disconnect the Crankshaft Position (CKP) sensor electrical connector.
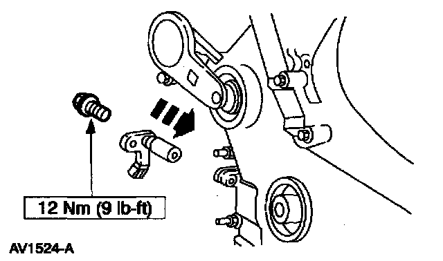
5. Remove the bolts and position the A/C compressor aside.
NOTE: Do not remove lines from the A/C compressor.
6. Remove the bolt and the crankshaft position (CKP) sensor.
INSTALLATION
1. To install, reverse the removal procedure.