Operation CHARM: Car repair manuals for everyone.
Manuals through 2025 now available!

Our trusted friends have launched a new website named LEMON, which has newer manuals. It also contains all the CHARM manuals.

LEMON is the spiritual successor to CHARM, I recommend you try it!

Link: lemon-manuals.la or lemon-manuals.org.ua

(Some people have issue connecting. LEMON is investigating. For now, use Firefox or change your DNS server)

Or, hide this message: temporarily or permanently

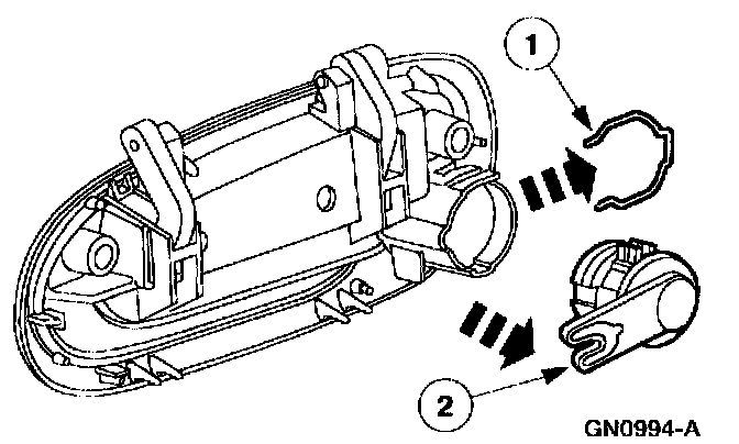
Power Door Lock Switch: Service and Repair

REMOVAL

NOTE: Individual lock cylinders are repaired by discarding the inoperative cylinder and building a new lock cylinder using the appropriate lock repair package. The lock repair package includes a detailed instruction sheet to build the new lock cylinder to the current key code of the vehicle.

1. Remove the drivers door exterior handle.







2. Remove the door lock cylinder.
1 Remove the spring clip.
2 Remove the door lock cylinder.

INSTALLATION
1. To install, reverse the removal procedure.

NOTE: Make sure the lock release rod is not preloading the latch. It should be clipped in a relaxed state with no slack.