Operation CHARM: Car repair manuals for everyone.
Manuals through 2025 now available!

Our trusted friends have launched a new website named LEMON, which has newer manuals. It also contains all the CHARM manuals.

LEMON is the spiritual successor to CHARM, I recommend you try it!

Link: lemon-manuals.la or lemon-manuals.org.ua

(Some people have issue connecting. LEMON is investigating. For now, use Firefox or change your DNS server)

Or, hide this message: temporarily or permanently

Timing Cover: Service and Repair

Engine Front Cover

Removal
All vehicles
1. Disconnect the battery ground cable.
2. Remove both of the valve covers.
3. Remove the radiator.
4. Remove the water pump.
5. Raise and support the vehicle.





6. Remove the top bolts and the lower bolt and position the power steering pump aside.





7. Disconnect the Crankshaft Position (CKP) sensor electrical connector.





8. Remove the drain plug and drain the engine oil.





9. Remove the front bolts.
10. Remove the crankshaft front seal.
11. Lower the vehicle.





Supercharged engines
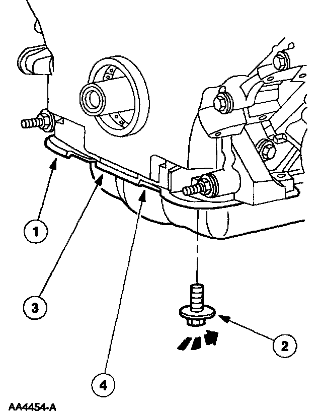
12. Remove the bolt, nuts and idler support bracket.





All vehicles
13. Remove the bolt and the belt idler pulley.





14. Remove the bolts.





15. CAUTION: Do not use metal scrapers, wire brushes, power abrasive discs or other abrasive means to clean the sealing surfaces. These tools cause scratches and gouges which make leak paths. Use a plastic scraping tool to remove all traces of old sealant.

Remove the engine front cover from the front cover to cylinder block dowel.
16. Remove the engine front cover gasket and clean and inspect the mating surfaces.

Installation





All vehicles

1. CAUTION: Do not use metal scrap, wire brushes, power abrasive discs or other abrasive means to clean the sealing surface. These tools cause scratches and gouges which make leak path. Use a plastic scraping tool to remove all traces of old sealant.

NOTE: If the engine front cover is not secured within four minutes, the sealant must be removed and the sealing area cleaned with metal surface cleaner. Allow to dry until there is no sign of wetness, or four minutes, whichever is longer. Failure to follow this procedure can cause future oil leakage.

NOTE: Make sure that the engine front cover gasket is in place on the engine front cover before installation.

Apply the silicone gasket and sealant along the cylinder head to cylinder block surface and the oil pan to cylinder block surface.





2. Install the engine front cover with engine front cover gasket on the front cover to cylinder block dowel and loosely install the bolts.





Romeo engine (4.6L)








3. Tighten the engine front cover fasteners in sequence to 25 Nm (18 ft. lbs.).





Windsor engine (5.4L)








4. Tighten the engine front cover fasteners in sequence in three stages.
^ Stage 1: Tighten fasteners 1 through 5 to 25 Nm (18 ft. lbs.).
^ Stage 2: Tighten fasteners 6 and 7 to 48 Nm (35 ft. lbs.).
^ Stage 3: Tighten fasteners 8 through 15 to 48 Nm (35 ft. lbs.).





5. Position the belt idler pulley and install the bolt.





Supercharged engines
6. Install the idler support bracket.

All vehicles
7. Raise and support the vehicle.
8. Install a new crankshaft front off seal.





9. Loosely install the bolts, then tighten the bolts in two stages, in the sequence shown.
^ Stage 1: Tighten to 20 Nm (15 ft. lbs.).
^ Stage 2: Tighten an additional 60°.





10. Connect the CKP sensor electrical connector.





11. NOTE: The front lower hole in the power steering pump is not used.

Position the power steering pump and install the bolts.





12. Install the drain plug.
13. Lower the vehicle.
14. Install the valve covers.
15. Fill the engine with clean engine oil.
16. Install the water pump.
17. Install the radiator.
18. Connect the battery ground cable.