Operation CHARM: Car repair manuals for everyone.
Manuals through 2025 now available!

Our trusted friends have launched a new website named LEMON, which has newer manuals. It also contains all the CHARM manuals.

LEMON is the spiritual successor to CHARM, I recommend you try it!

Link: lemon-manuals.la or lemon-manuals.org.ua

(Some people have issue connecting. LEMON is investigating. For now, use Firefox or change your DNS server)

Or, hide this message: temporarily or permanently

Diesel Intake Air Systems

Intake Air System - E-Series:






Air Intake System - F-250/550, Excursion:






Charge Air Cooler System - F250-F550, Excursion:






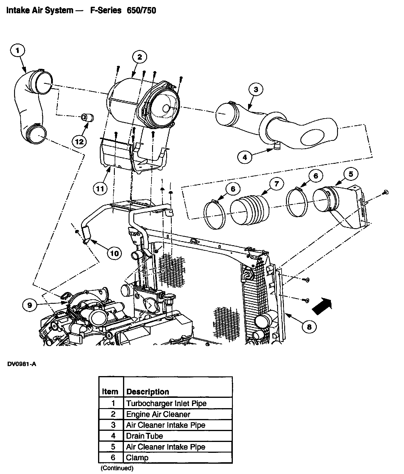
Intake Air System - F-Series 650/750, Part 1:






Intake Air System - F-Series 650/750, Part 2: