Operation CHARM
: Car repair manuals for everyone.
Home
>>
Ford
>>
2003
>>
Escort ZX2 L4-2.0L DOHC VIN 3
>>
Repair and Diagnosis
>>
Diagrams
>>
Exploded Views
>>
Automatic Transmission/Transaxle
>>
Disassembled Views
Manuals through 2025 now available!
Our trusted friends have launched a new website named LEMON, which has newer manuals. It also contains all the CHARM manuals.
LEMON is the spiritual successor to CHARM, I recommend you try it!
Link:
lemon-manuals.la
or
lemon-manuals.org.ua
(Some people have issue connecting. LEMON is investigating. For now, use Firefox or change your DNS server)
Or, hide this message:
temporarily
or
permanently
Disassembled Views
Disassembled Views
Disassembled Views - External Components
Part 1 Of 3:
Part 2 Of 3:
Part 3 Of 3:
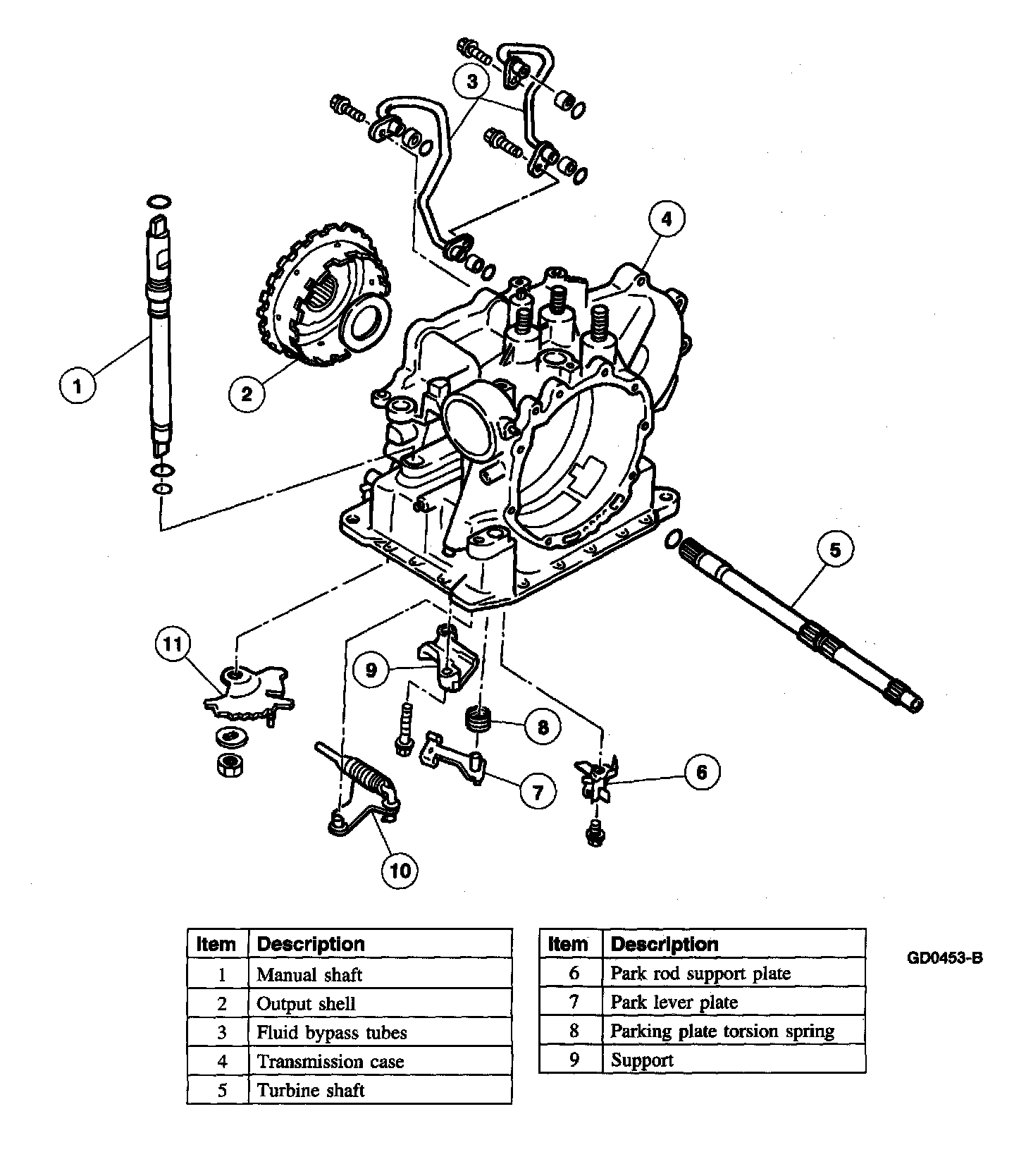
Disassembled Views - Internal Components
Apply Components, Exploded View
Differential, Exploded View