Operation CHARM: Car repair manuals for everyone.
Manuals through 2025 now available!

Our trusted friends have launched a new website named LEMON, which has newer manuals. It also contains all the CHARM manuals.

LEMON is the spiritual successor to CHARM, I recommend you try it!

Link: lemon-manuals.la or lemon-manuals.org.ua

(Some people have issue connecting. LEMON is investigating. For now, use Firefox or change your DNS server)

Or, hide this message: temporarily or permanently

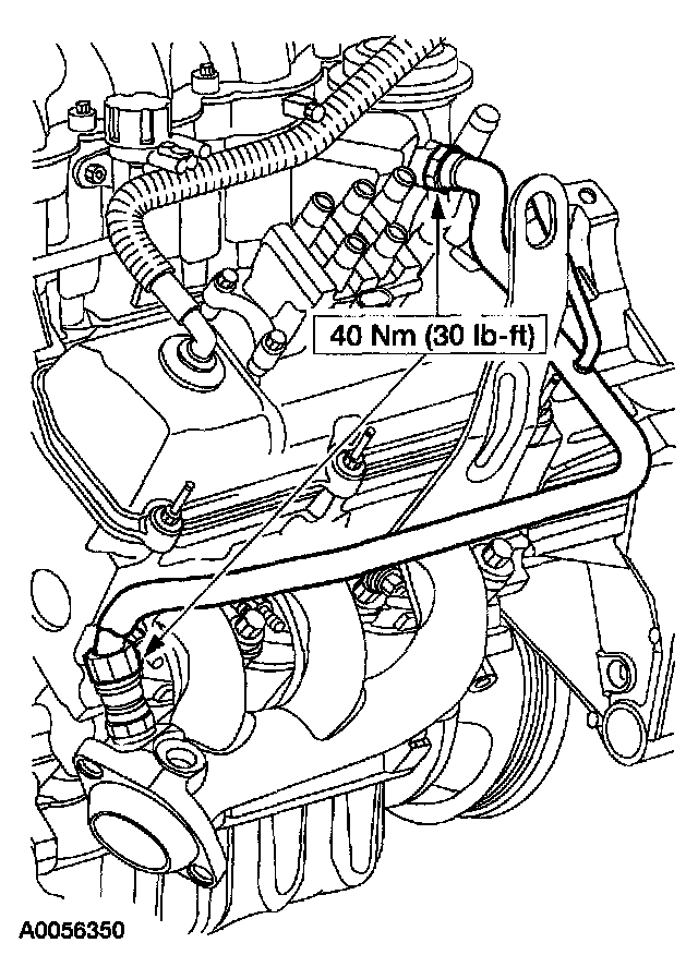
EGR Tube: Service and Repair

REMOVAL







1. Remove the differential pressure feedback Exhaust Gas Recirculation (EGR) system.
1 Disconnect the electrical connector and the wiring harness pin-type retainer.
2 Remove the system vacuum hoses from the EGR tube.







2. Remove the exhaust manifold-to-EGR valve tube.

INSTALLATION
1. To install, reverse the removal procedure.