Operation CHARM: Car repair manuals for everyone.
Manuals through 2025 now available!

Our trusted friends have launched a new website named LEMON, which has newer manuals. It also contains all the CHARM manuals.

LEMON is the spiritual successor to CHARM, I recommend you try it!

Link: lemon-manuals.la or lemon-manuals.org.ua

(Some people have issue connecting. LEMON is investigating. For now, use Firefox or change your DNS server)

Or, hide this message: temporarily or permanently

Engine

Engine
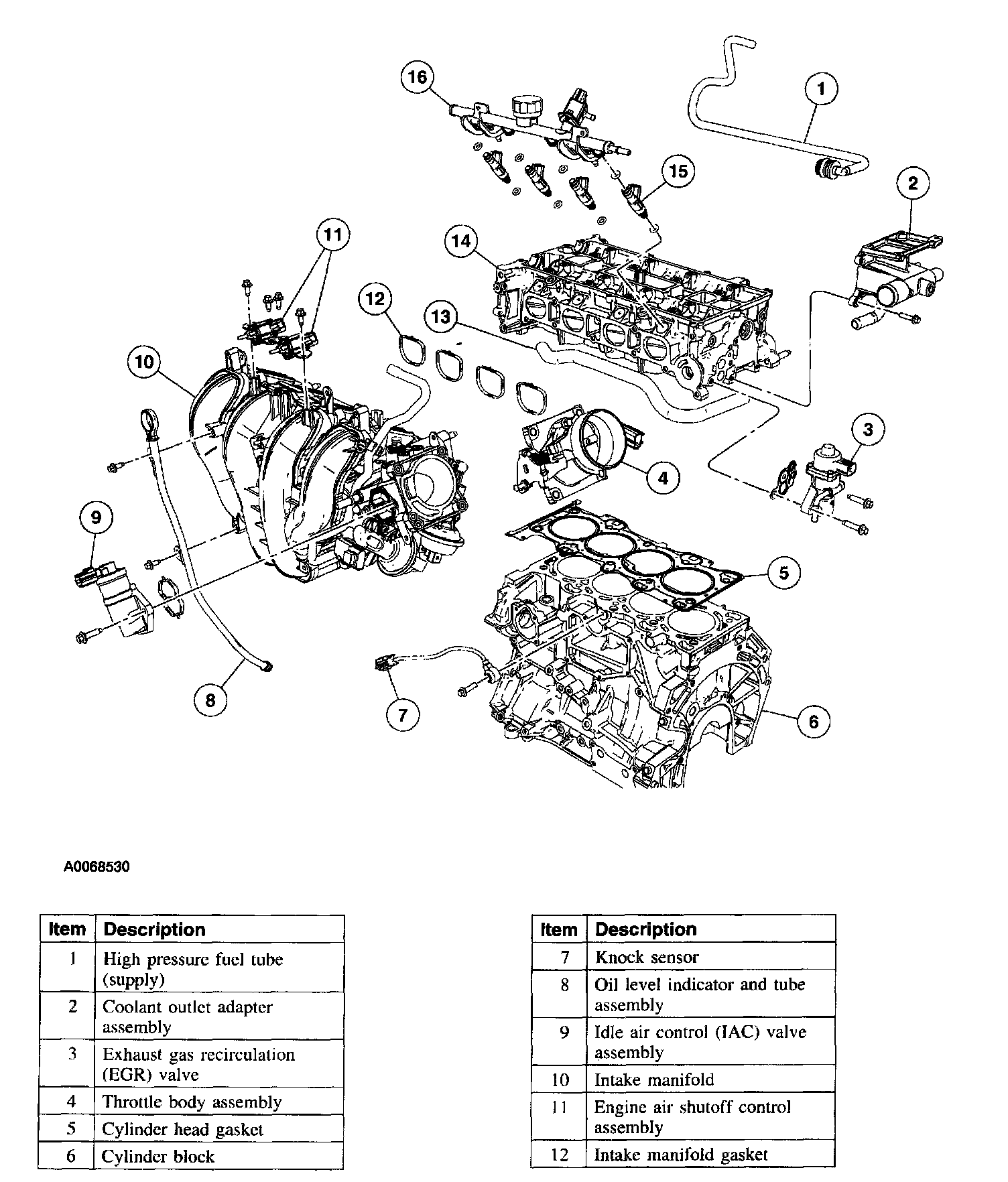
The 2.3L engine is a four valve-per-cylinder, dual overhead camshaft engine. The engine uses a coil-on-plug ignition system. The cylinder block is made of aluminum and the bearing caps are integrated into the ladder assembly. An aluminum oil pan bolts to the bottom of the lower cylinder block and to the transmission to provide greater strength. The camshafts are mounted in the cylinder heads and act against valve tappets to open and close the valves. The camshafts are driven off the front of the cylinder head by one timing chain. The chain is driven by a sprocket that is located on the crankshaft. The piston assembly is an aluminum piston with a cast iron connecting rod. The oil pump is driven by the crankshaft via a dedicated chain that is driven by the same sprocket that drives the timing chain.





Lower Engine Block








Front Engine Block








Cylinder Head








Intake Manifold